GM Service Manual Online
For 1990-2009 cars only
Makes
🢒
Pontiac
🢒
2000
🢒
Grand Am
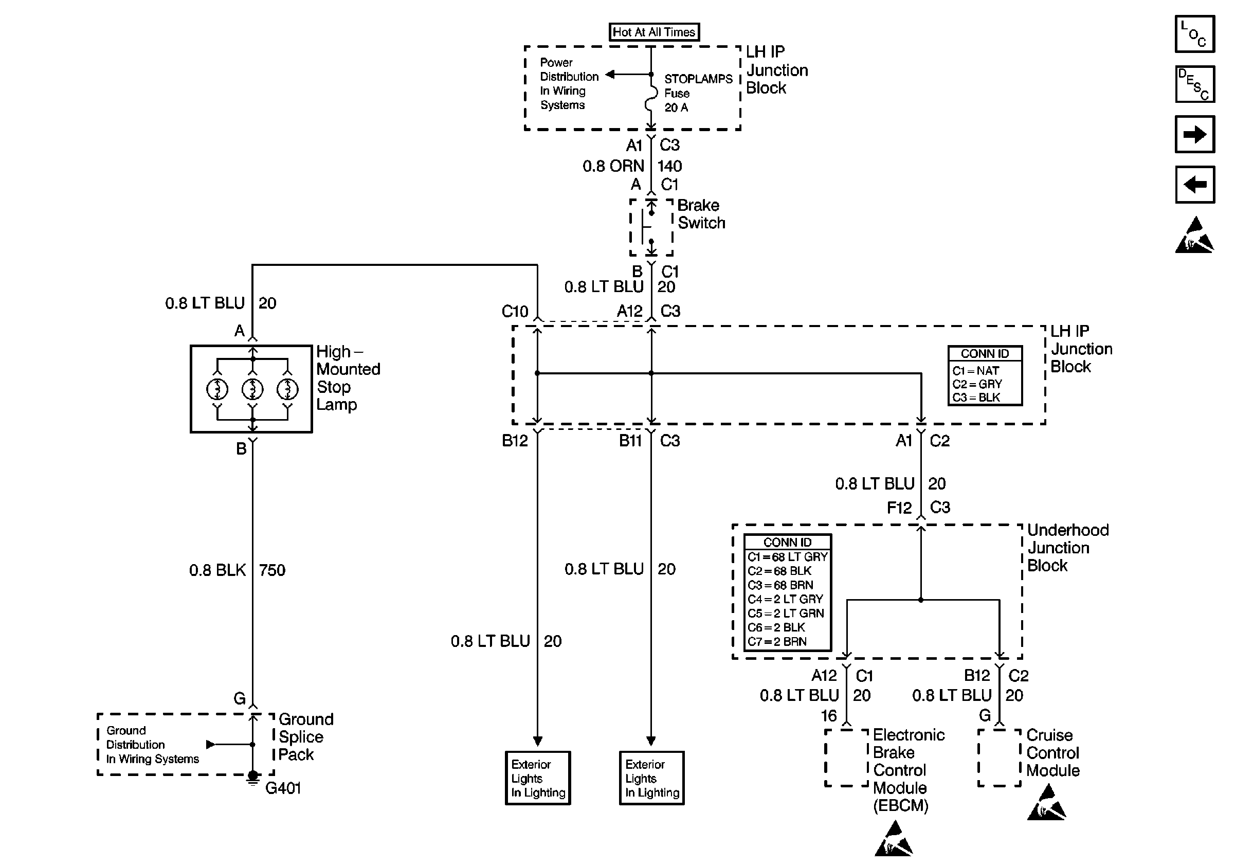
🢒 Brake Switch and High Mounted Stop Lamp
Brake Switch and High Mounted Stop Lamp
Brake Switch and High Mounted Stop Lamp
Lighting Systems Components
Exterior Lights Circuit Description
Tail/Stop Lamps
Front Park/Turnlamps and High Mounted Stop Lamp
Handling ESD Sensitive Parts Notice
Handling ESD Sensitive Parts Notice
Handling ESD Sensitive Parts Notice
Ground Distribution Schematics
Tail/Stop Lamps
Tail/Stop Lamps