GM Service Manual Online
For 1990-2009 cars only
Makes
🢒
Pontiac
🢒
2000
🢒
Grand Am
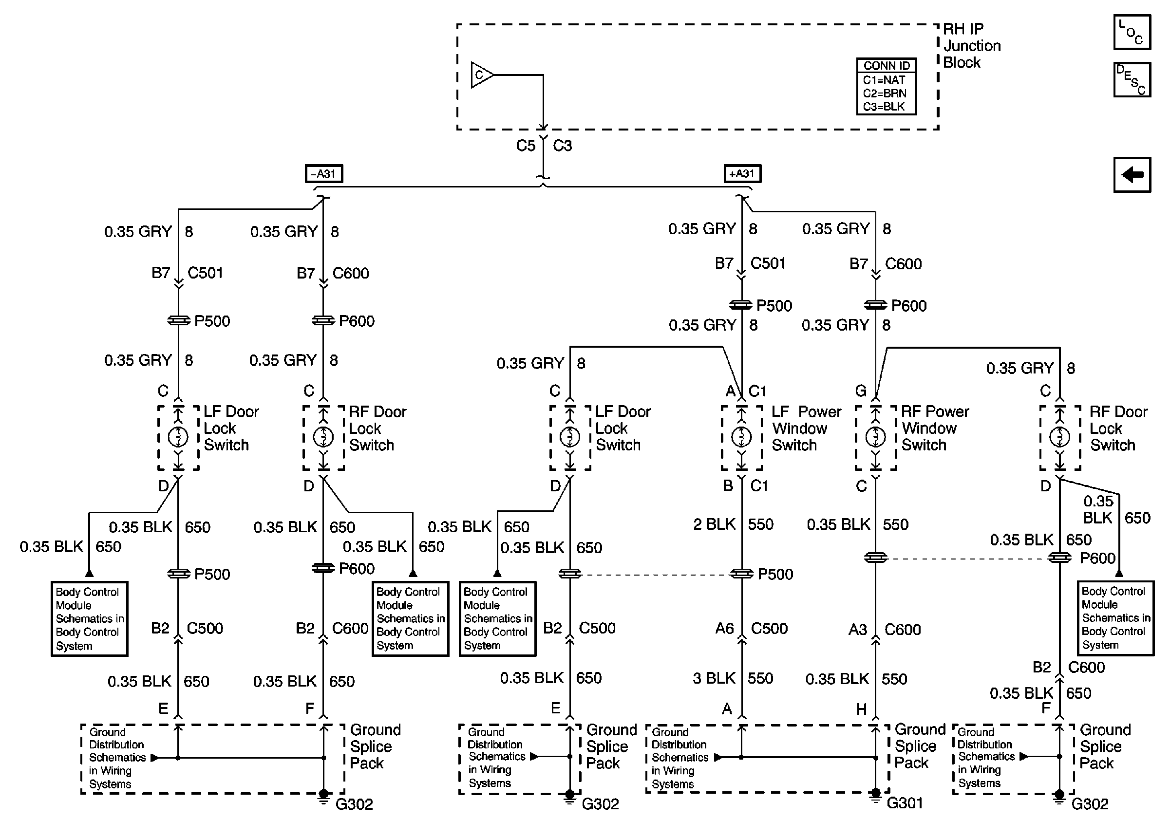
🢒 Window and Door Lock Switches (Pontiac)
Window and Door Lock Switches (Pontiac)
Window and Door Lock Switches (Pontiac)
Lighting Systems Components
Interior Lights Dimming Circuit Description
Instrument Panel Lamps
Instrument Panel Lamps
Body Control System Schematics
Body Control System Schematics
Body Control System Schematics
Body Control System Schematics
Ground Distribution Schematics
Ground Distribution Schematics
Ground Distribution Schematics
Ground Distribution Schematics