GM Service Manual Online
For 1990-2009 cars only
Makes
🢒
Pontiac
🢒
2001
🢒
Grand Am
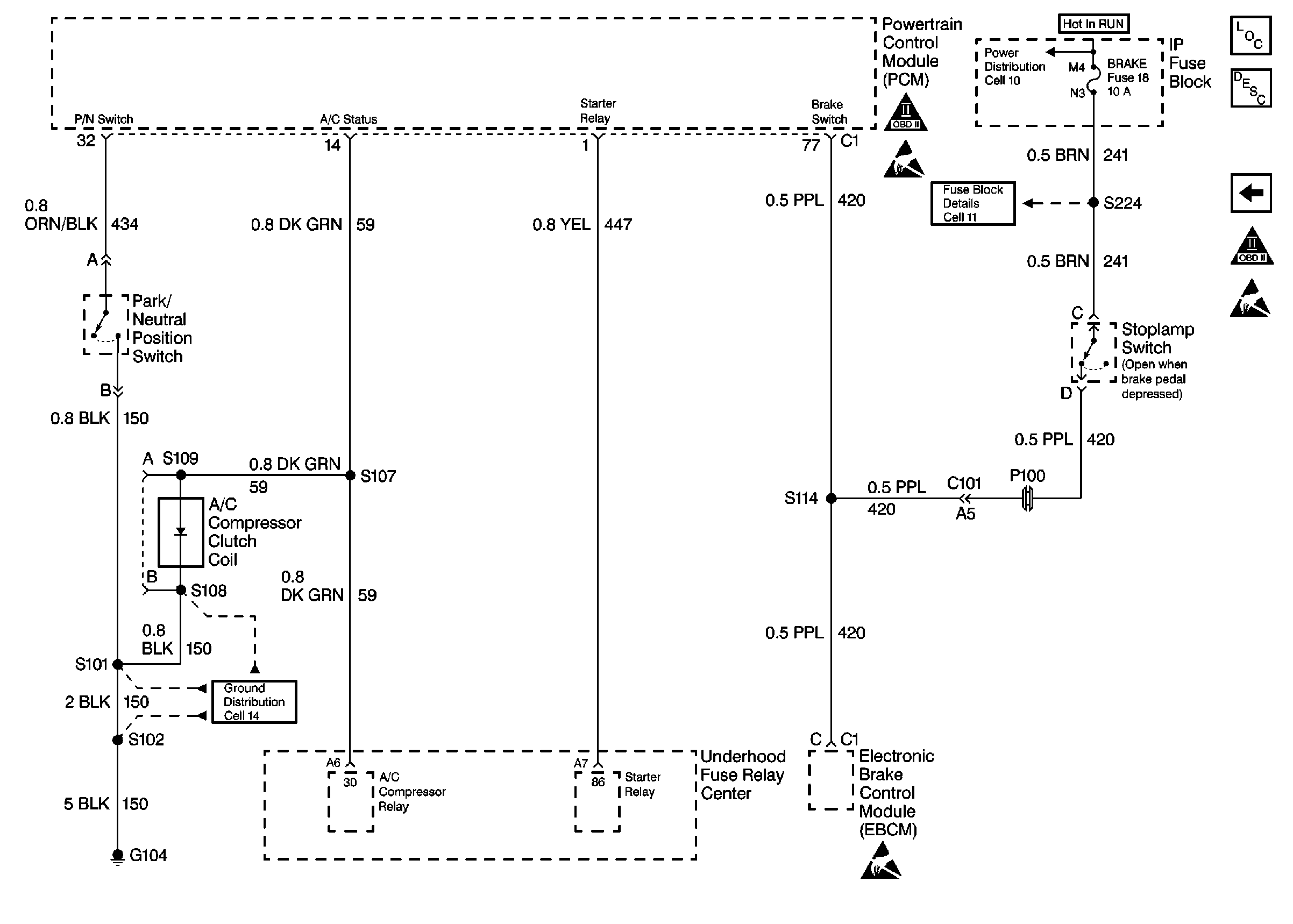
🢒 Cell 20: A/C, ABS, and Start Interfaces
Cell 20: A/C, ABS, and Start Interfaces
Cell 20: A/C, ABS, and Start Interfaces
Cell 14: G104
Cell 10: Ignition Switch, Switched Fuses
Cell 11: Hot in Run, Hot in Run and Accy Fuses
Engine Controls Components
Powertrain Control Module Description
Cell 20: Heated Oxygen Sensors
OBD II Symbol Description Notice
Handling Electrostatic Discharge Sensitive Parts Notice
Handling Electrostatic Discharge Sensitive Parts Notice