GM Service Manual Online
For 1990-2009 cars only
Makes
🢒
Pontiac
🢒
1998
🢒
Grand Prix
🢒 Power, Ground, Driver Information Display, Instrument Cluster
Power, Ground, Driver Information Display, Instrument Cluster
Power, Ground, Driver Information Display, Instrument Cluster
ABS Components
ABS/TCS System Description
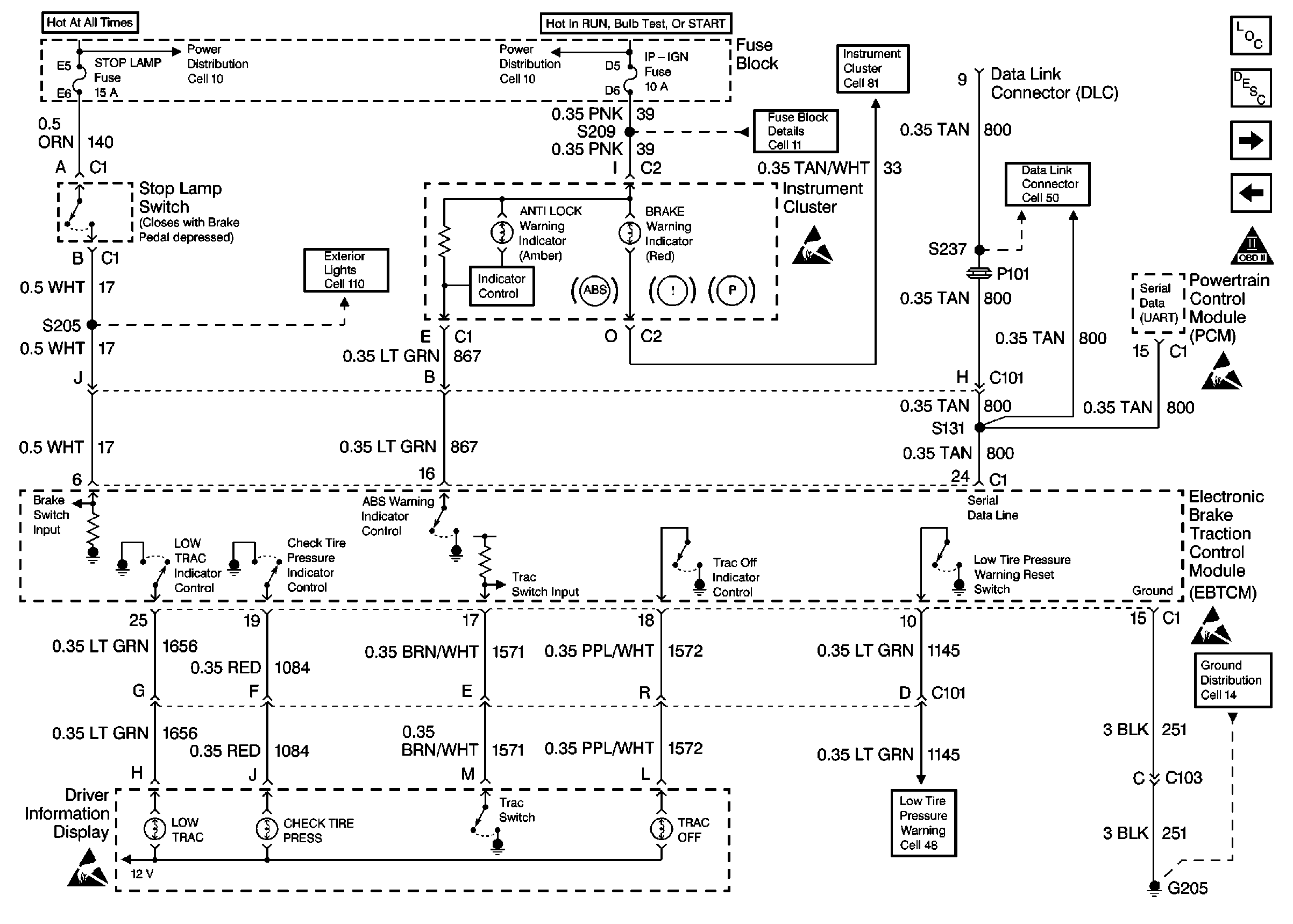
Power, Ground, Stoplamp Switch, Trip Calculator, TCS
Power, Grounds, EBTCM
OBD II Symbol Description Notice
Handling ESD Sensitive Parts Notice
Handling ESD Sensitive Parts Notice
Handling ESD Sensitive Parts Notice
Handling ESD Sensitive Parts Notice