GM Service Manual Online
For 1990-2009 cars only
Makes
🢒
Pontiac
🢒
1998
🢒
Grand Prix
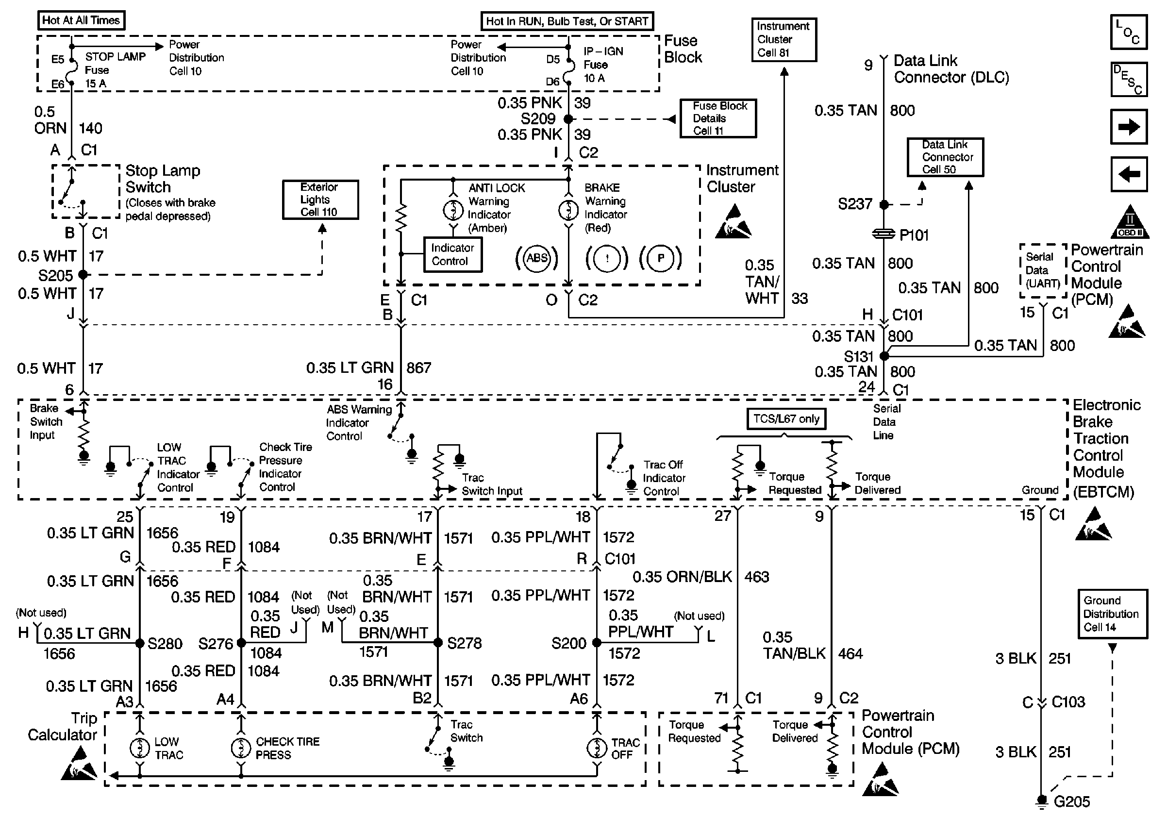
🢒 Power, Ground, Stoplamp Switch, Trip Calculator, TCS
Power, Ground, Stoplamp Switch, Trip Calculator, TCS
Power, Ground, Stoplamp Switch, Trip Calculator, TCS
ABS Components
ABS/TCS System Description
Wheel Speed Sensors, EBTCM
Power, Ground, Driver Information Display, Instrument Cluster
OBD II Symbol Description Notice
Handling ESD Sensitive Parts Notice
Handling ESD Sensitive Parts Notice
Handling ESD Sensitive Parts Notice
Handling ESD Sensitive Parts Notice
Handling ESD Sensitive Parts Notice