GM Service Manual Online
For 1990-2009 cars only
Figure 1:

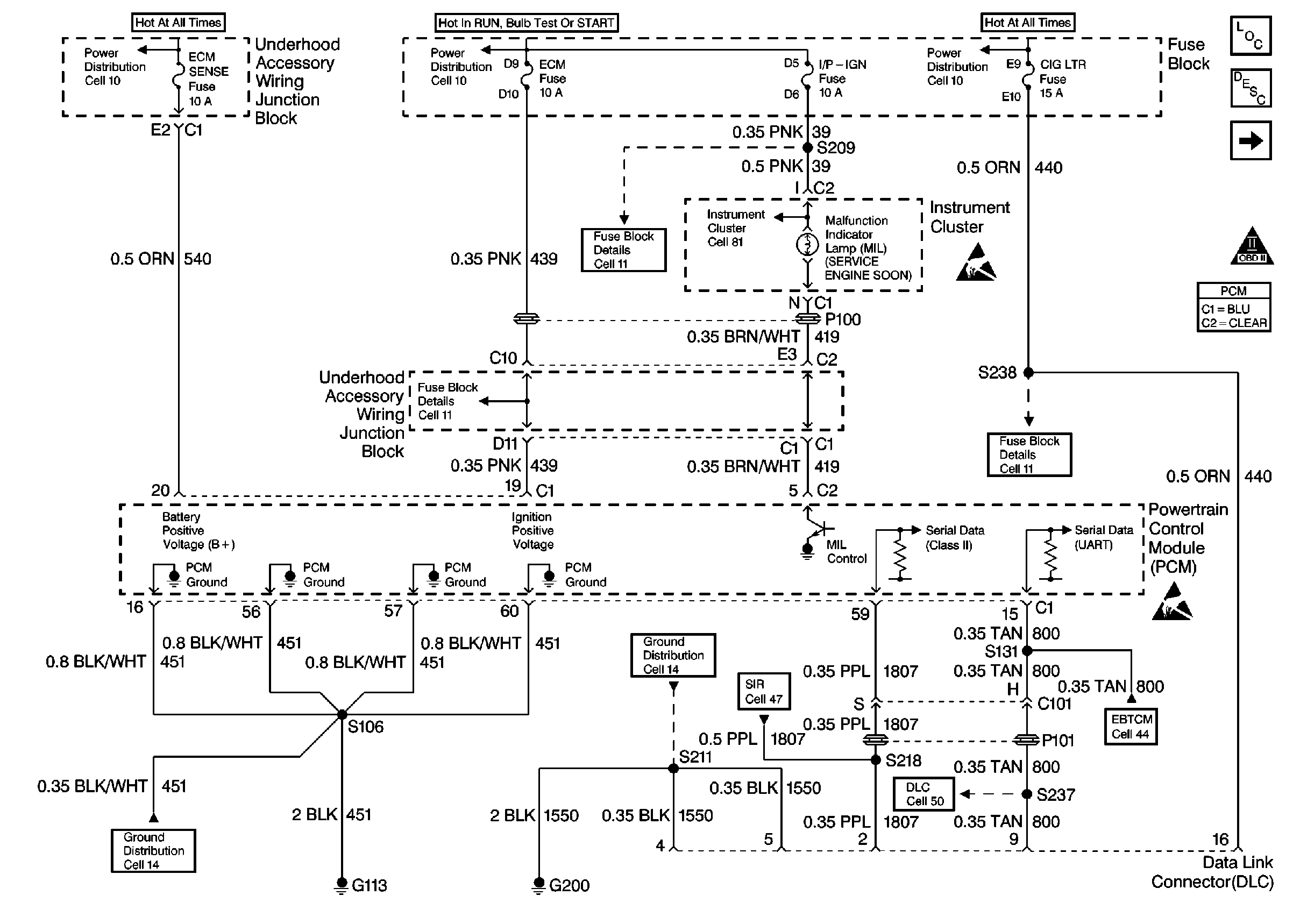
Cell 21: Power, Ground, MIL, and DLC


Object Number: 352333  Size: FS
Cell 10: Underhood Accessory Wiring Junction Block
Cell 10: IGN MAIN 1 MaxiFuse 40 A
Cell 10
Cell 21: Ignition System, Knock Sensors
OBDII Symbol Description Notice
Handling Electrostatic Discharge Sensitive Parts Notice
Cell 11: CD CHNG, AUX CNSL, STOP LAMP, INT LAMP, CIG LTR Fuses
Cell 11: DRL, CANISTER VENT, PWR DROP, TURN, SIR, IP-IGN, CRUISE and ECM Fuses
Cell 11: DRL, CANISTER VENT, PWR DROP, TURN, SIR, IP-IGN, CRUISE and ECM Fuses
Cell 44: Power, Ground, Serial Data and EBTCM
Cell 50
Cell 47
Cell 14: RH/IP Ground G200 (3 of 4)
Cell 14: Engine Grounds G100, G111 and G113
Handling Electrostatic Discharge Sensitive Parts Notice
Figure 2:

Cell 21: Ignition System, Knock Sensors


Object Number: 352377  Size: FS
Cell 10: Underhood Accessory Wiring Junction Block
Cell 21: Fuel Controls-VIN K
Cell 21: Power, Ground, MIL, and DLC
Handling Electrostatic Discharge Sensitive Parts Notice
OBDII Symbol Description Notice
Figure 3:

Cell 21: Fuel Controls-VIN K


Object Number: 352391  Size: FS
Handling Electrostatic Discharge Sensitive Parts Notice
Cell 21: Engine Data Sensors-A/C Refrig Press, TP, MAP, ECT, IAT
Cell 10: Underhood Accessory Wiring Junction Block
Cell 14: Engine Ground G117
Cell 21: Fuel Controls-VIN 1
Cell 21: Ignition System, Knock Sensors
Cell 14: Engine Grounds G100, G111 and G113
Handling Electrostatic Discharge Sensitive Parts Notice
Cell 14: Left Rear Compartment Ground G302 (1 of 2)
Handling Electrostatic Discharge Sensitive Parts Notice
Cell 14: Engine Grounds G100, G111 and G113
OBDII Symbol Description Notice
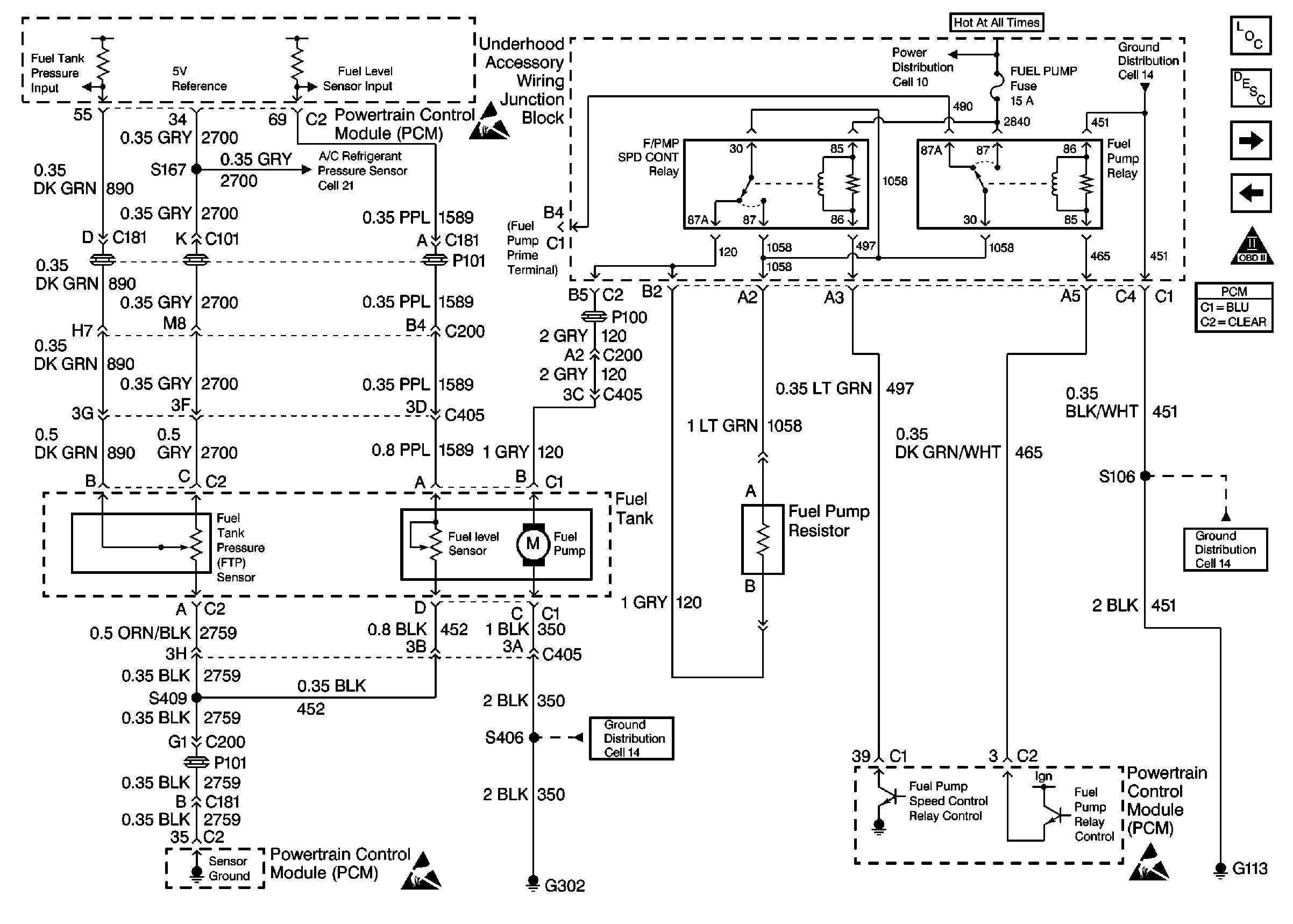
Figure 4:

Cell 21: Fuel Controls-VIN 1


Object Number: 352395  Size: FS
Cell 21: Engine Data Sensors-A/C Refrig Press, TP, MAP, ECT, IAT
Handling Electrostatic Discharge Sensitive Parts Notice
Cell 10: Underhood Accessory Wiring Junction Block
Cell 14: Engine Grounds G100, G111 and G113
Cell 14: Engine Grounds G100, G111 and G113
Cell 14: Left Rear Compartment Ground G302 (1 of 2)
Handling Electrostatic Discharge Sensitive Parts Notice
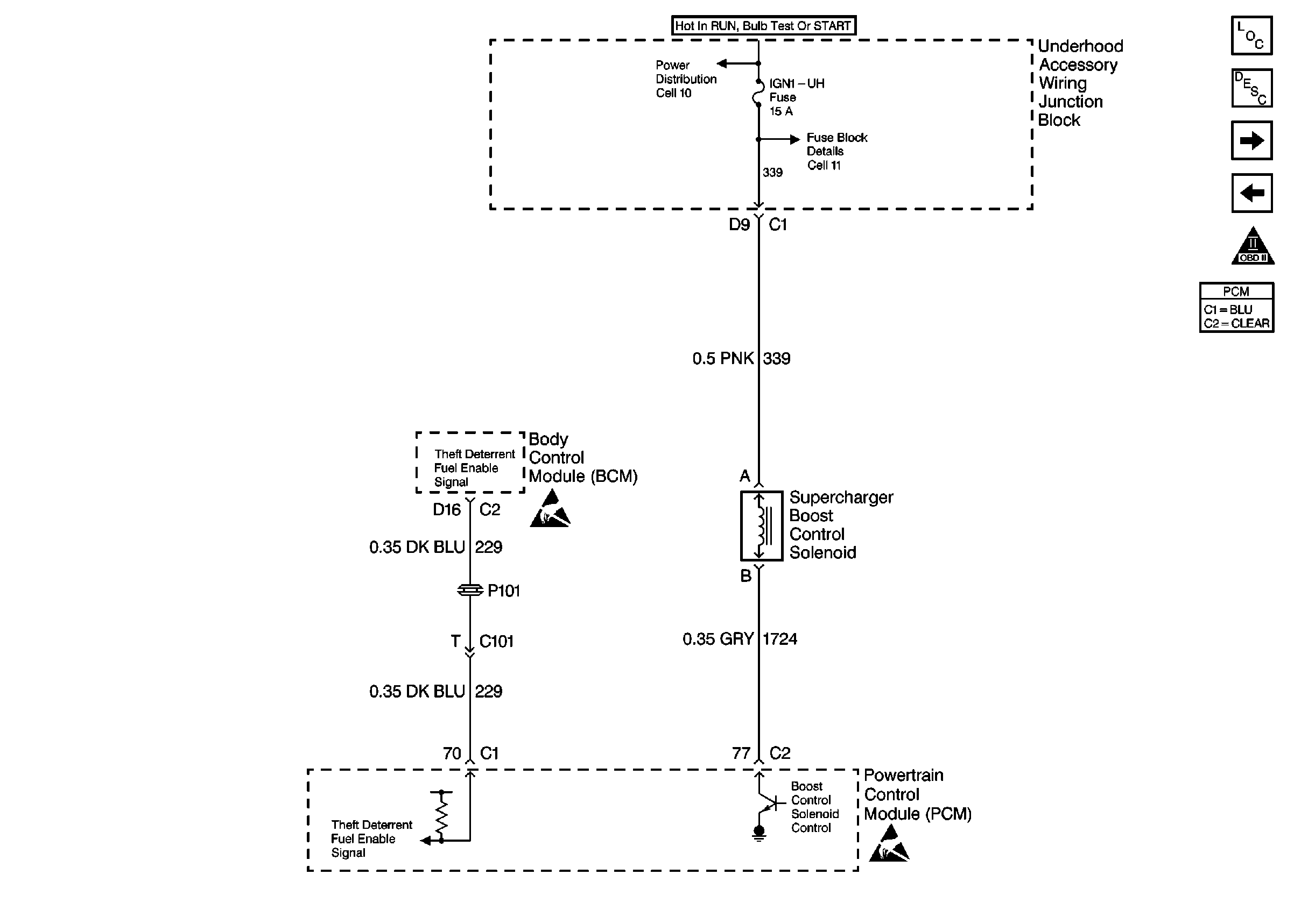
Figure 5:

Cell 21: Supercharger Boost Control Solenoid


Object Number: 352403  Size: FS
Cell 10: Underhood Accessory Wiring Junction Block
Cell 11: IGN1-UH Fuse
Handling Electrostatic Discharge Sensitive Parts Notice
Handling Electrostatic Discharge Sensitive Parts Notice
Cell 21: Fuel Injectors
Cell 21: Fuel Controls-VIN 1
OBDII Symbol Description Notice
Figure 6:

Cell 21: Fuel Injectors


Object Number: 352407  Size: FS
Cell 10: Underhood Accessory Wiring Junction Block
Handling Electrostatic Discharge Sensitive Parts Notice
Cell 21: Engine Data Sensors-A/C Refrig Press, TP, MAP, ECT, IAT
Cell 21: Supercharger Boost Control Solenoid
OBDII Symbol Description Notice
Figure 7:

Cell 21: Engine Data Sensors-A/C Refrig Press, TP, MAP, ECT, IAT


Object Number: 352429  Size: FS
Cell 21: Fuel Controls-VIN K
Handling Electrostatic Discharge Sensitive Parts Notice
Cell 81: Instrument Cluster, Continued
Cell 21: Engine Data Sensors-HO2S 1, Ho2S 2
Cell 21: Fuel Injectors
OBDII Symbol Description Notice
Handling Electrostatic Discharge Sensitive Parts Notice
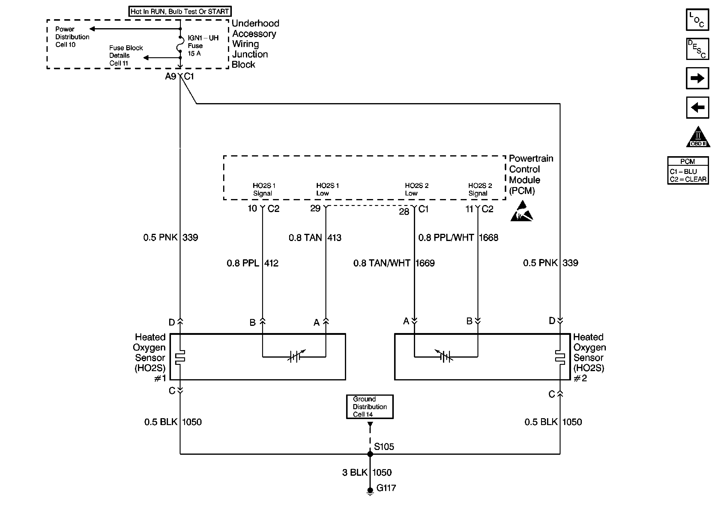
Figure 8:

Cell 21: Engine Data Sensors-HO2S 1, Ho2S 2


Object Number: 352436  Size: FS
Cell 10: Underhood Accessory Wiring Junction Block
Cell 11: IGN1-UH Fuse
Handling Electrostatic Discharge Sensitive Parts Notice
Cell 14: Engine Ground G117
Cell 21: Engine Data Sensors-VSS, Cruise
Cell 21: Engine Data Sensors-A/C Refrig Press, TP, MAP, ECT, IAT
OBDII Symbol Description Notice
Figure 9:

Cell 21: Engine Data Sensos-VSS, Cruise


Object Number: 352423  Size: FS
Handling Electrostatic Discharge Sensitive Parts Notice
Handling Electrostatic Discharge Sensitive Parts Notice
Handling Electrostatic Discharge Sensitive Parts Notice
Handling Electrostatic Discharge Sensitive Parts Notice
Handling Electrostatic Discharge Sensitive Parts Notice
Handling Electrostatic Discharge Sensitive Parts Notice
Cell 21: Engine Data Sensors-MAF, EVAP Vent, EVAP Purge, EGR
Cell 21: Engine Data Sensors-HO2S 1, Ho2S 2
OBDII Symbol Description Notice
Figure 10:

Cell 21: Engine Data Sensos-MAF, EVAP Vent, EVAP Purge, EGR


Object Number: 352441  Size: FS
Cell 11: IGN1-UH Fuse
Cell 10: Underhood Accessory Wiring Junction Block
Cell 10: IGN MAIN 1 MaxiFuse 40 A
Cell 21: Engine Data Sensors-Indicator Lamps
Cell 21: Engine Data Sensors-VSS, Cruise
OBDII Symbol Description Notice
Cell 14: Engine Grounds G100, G111 and G113
Cell 14: Engine Grounds G100, G111 and G113
Handling Electrostatic Discharge Sensitive Parts Notice
Figure 11:

Cell 21: Engine Data Sensos-Indicator Lamps


Object Number: 352472  Size: FS
Cell 86: Driver Information Display
Cell 10: IGN MAIN 1 MaxiFuse 40 A
Cell 11: DRL, CANISTER VENT, PWR DROP, TURN, SIR, IP-IGN, CRUISE and ECM Fuses
Cell 21 Automatic Transaxle Range Switch, and IAC
Cell 21: Engine Data Sensors-MAF, EVAP Vent, EVAP Purge, EGR
OBDII Symbol Description Notice
Handling Electrostatic Discharge Sensitive Parts Notice
Handling Electrostatic Discharge Sensitive Parts Notice
Cell 14: RH/IP Ground G200 (4 of 4)
Cell 83: Head-Up Display (HUD), Continued
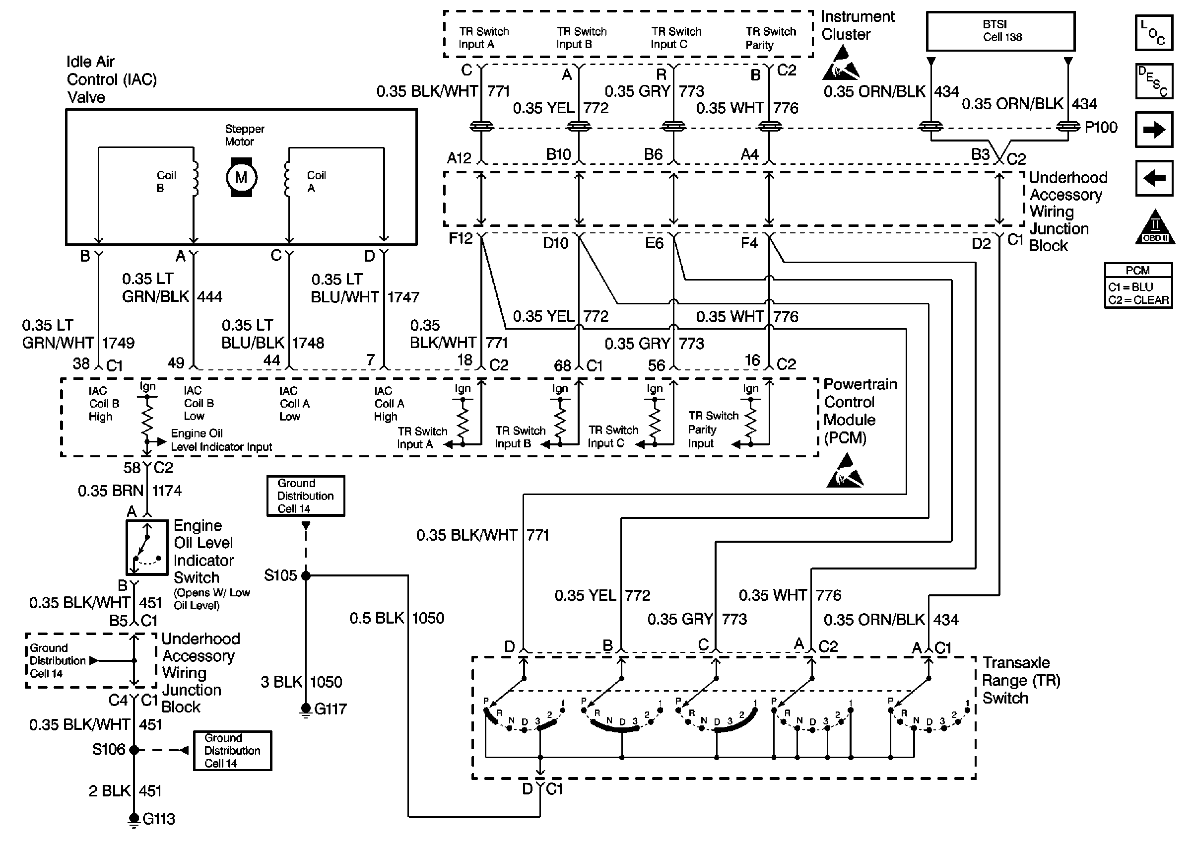
Figure 12:

Cell 21 Automatic Tranaxle Range Switch, and IAC


Object Number: 352470  Size: FS
Cell 14: Engine Ground G117
Cell 14: Engine Grounds G100, G111 and G113
Cell 14: Engine Grounds G100, G111 and G113
Handling Electrostatic Discharge Sensitive Parts Notice
OBDII Symbol Description Notice
Handling Electrostatic Discharge Sensitive Parts Notice
Cell 21: Engine Data Sensors-Indicator Lamps
Cell 21 Automatic Transaxle PC Solenoid, and ISS Sensor
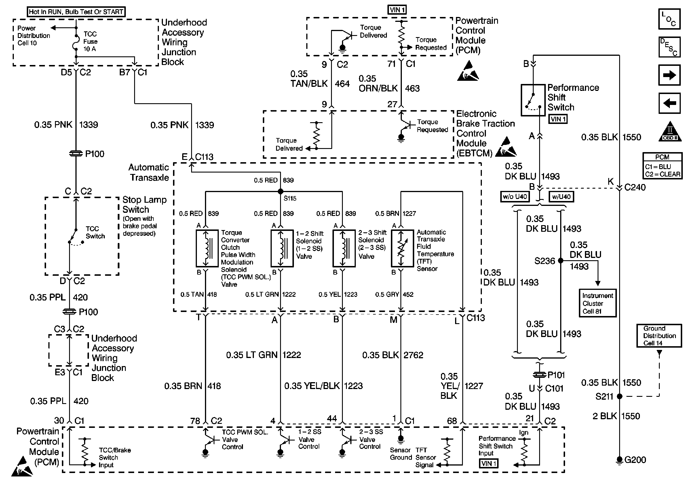
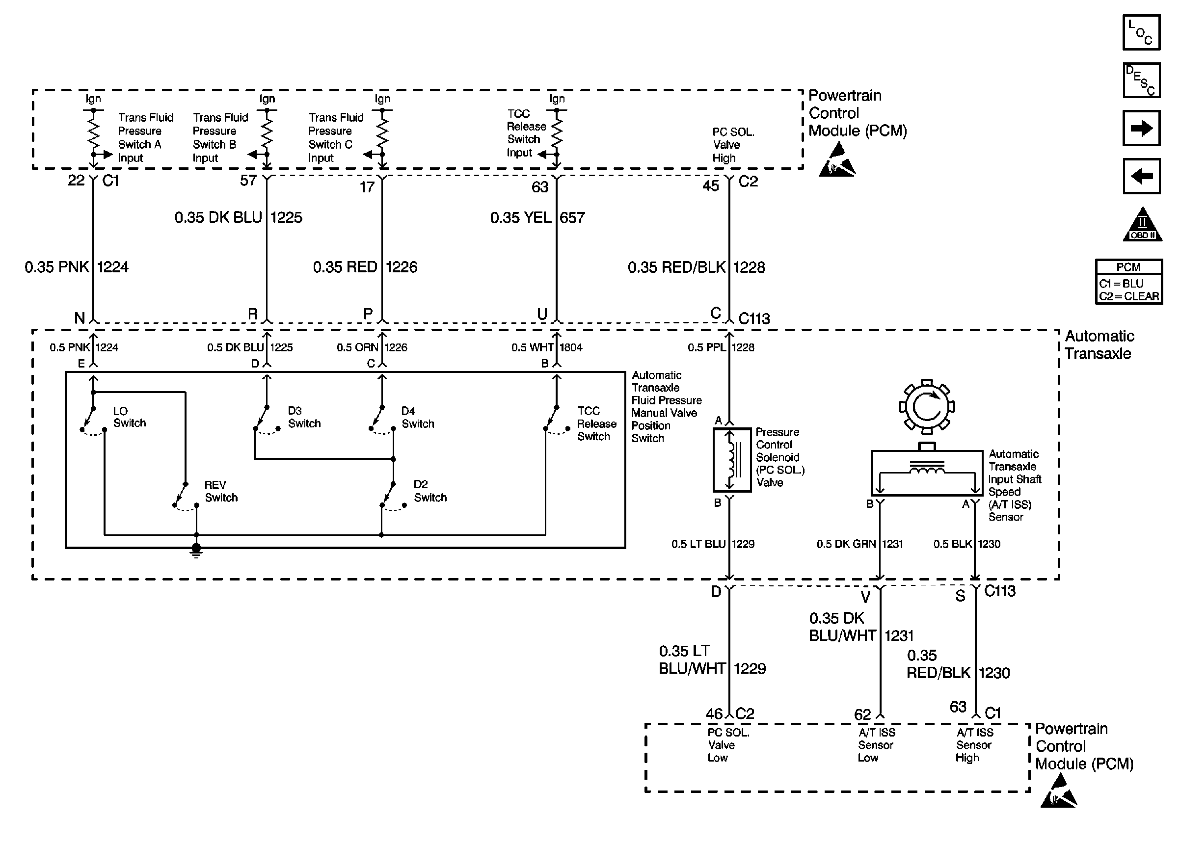
Figure 13:

Cell 21 Automatic Tranaxle PC Solenoid, and ISS Sensor


Object Number: 352457  Size: FS
Handling Electrostatic Discharge Sensitive Parts Notice
Cell 20: Automatic Transaxle Solenoids, and TCC Switch
Cell 21 Automatic Transaxle Range Switch, and IAC
OBDII Symbol Description Notice
Handling Electrostatic Discharge Sensitive Parts Notice
Figure 14:

Cell 20: Automatic Tranaxle Solenoids, and TCC Switch


Object Number: 352448  Size: FS
Cell 10: Underhood Accessory Wiring Junction Block
Handling Electrostatic Discharge Sensitive Parts Notice
Cell 14: RH/IP Ground G200 (3 of 4)
Cell 81: Instrument Cluster, Continued
Handling Electrostatic Discharge Sensitive Parts Notice
Cell 20: A/C Compressor Controls
Cell 21 Automatic Transaxle PC Solenoid, and ISS Sensor
OBDII Symbol Description Notice
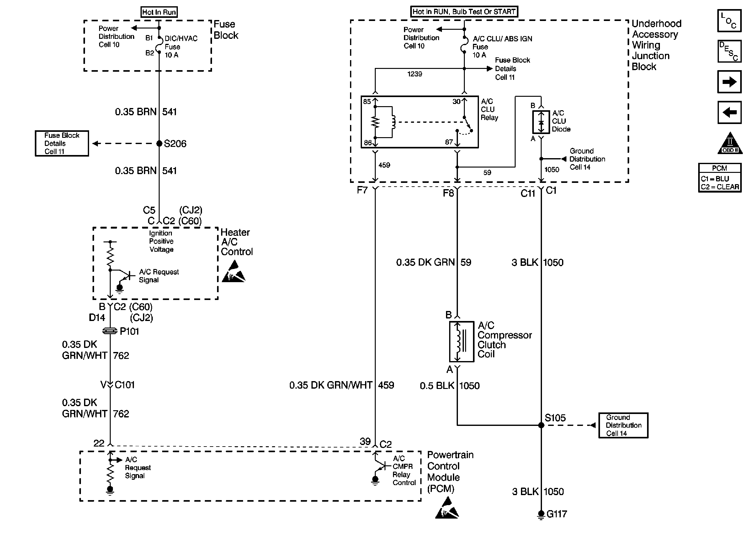
Figure 15:

Cell 20: A/C Compressor Controls


Object Number: 352474  Size: FS
Cell 10: IGN MAIN 2 MaxiFuse 60 A
Cell 11: DIC/HVAC and HVAC CTRL Fuses
Handling Electrostatic Discharge Sensitive Parts Notice
Cell 20: Automatic Transaxle Solenoids, and TCC Switch
Cell 20: Cooling Fan Controls
OBDII Symbol Description Notice
Cell 14: Engine Ground G117
Handling Electrostatic Discharge Sensitive Parts Notice
Cell 14: Engine Ground G117
Cell 10: Underhood Accessory Wiring Junction Block
Figure 16:

Cell 20: Cooling Fan Controls


Object Number: 352476  Size: FS
Cell 10: Underhood Accessory Wiring Junction Block
Cell 20: A/C Compressor Controls
OBDII Symbol Description Notice
Cell 14: Engine Ground G117
Handling Electrostatic Discharge Sensitive Parts Notice
Cell 14: Engine Ground G117