GM Service Manual Online
For 1990-2009 cars only

System Description

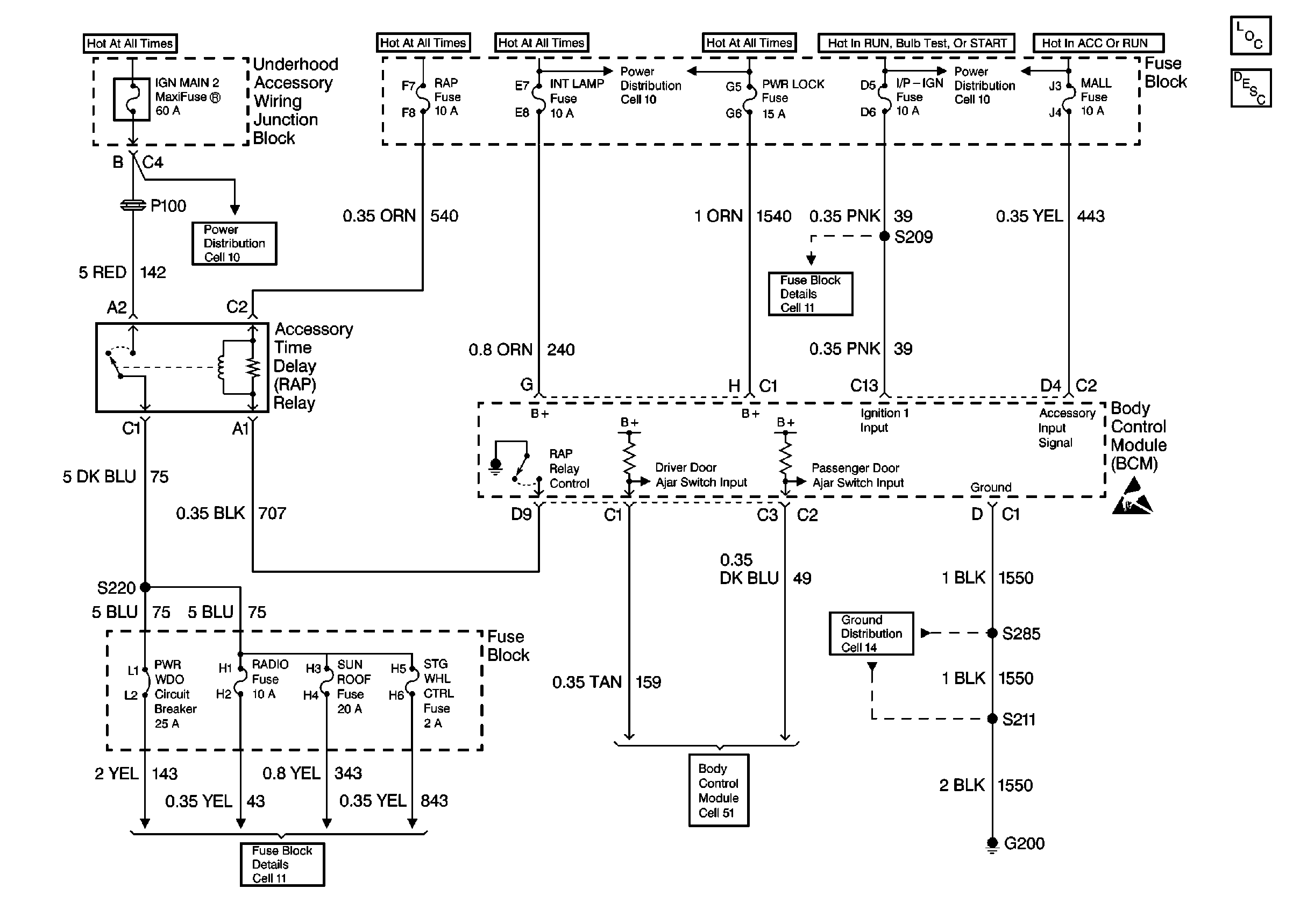
The body control module (BCM) controls the retained accessory power (RAP) feature.

The RAP feature allows the following components to operate after the ignition switch is turned from the RUN position to the OFF/UNLOCK position:

    • The radio
    • The power windows
    • The power sunroof

The RAP feature allows the components to operate for 10 minutes, or until a door is opened.

The BCM interfaces with the vehicles power distribution through the RAP relay. The RAP relay allows the BCM to control the application of power to CKT 75 which in turn provides power to the following circuits:

    • CKT 43 (The radio)
    • CKT 143 (The power windows)
    • CKT 343 (The power sunroof)
    • CKT 843 (The steering wheel radio controls)

When the ignition switch is in either the ACC or the RUN position, the BCM energizes the RAP relay by grounding CKT 707. The BCM turns off the RAP relay when the ignition switch is in the START position, which disables the RAP feature during the engine crank and the bulb test.

When the ignition switch is turned from the RUN to the OFF/UNLOCK position, the BCM leaves the RAP relay energized for 10 minutes or until one or more of the following conditions exist:

    • Any of the vehicle doors open. When a door opens, the BCM detects a ground signal in circuits 49 or 159.
    • The content theft deterrent system goes into an armed mode.

The BCM resets the RAP feature when the ignition switch is turned from the OFF/UNLOCK position to the ACC position.

The inadvertent batter power rundown protection feature is mileage-sensitive. Vehicles with less than 15 total driven miles time out within 162-198 seconds.

Conditions for Setting the DTC

The BCM detects a short to B+ or ground in CKT 707.

Action Taken When the DTC Sets

    • The BCM sets diagnostic trouble code (DTC) 4.
    • The RAP feature is disabled when CKT 707 is shorted to B+.
    • The RAP feature stays enabled always when CKT 707 is shorted to ground.

Conditions for Clearing the DTC

    • A short to B+ or ground in CKT 707 is no longer present between the BCM and the RAP relay.
    • After the repairs are completed, refer to Body Control Module Diagnostic Information

Diagnostic Aids

    • Inspect for a short to B+ or ground in CKT 707.
    • Inspect for a faulty RAP relay.
    • Move the wiring and the connectors while you complete the tests. This will cause the malfunction to appear.

Test Description

The number(s) below refer to the step number(s) on the diagnostic table.

  1. Always perform the BCM diagnostic system check before attempting to diagnose this DTC.

  2. This step checks for a short to B+ in CKT 707.

  3. This step checks for a short to ground in CKT 707.

  4. This step checks for a faulty RAP relay.

  5. This step determines whether the BCM is faulty or the malfunction that caused the DTC to set is intermittent and not present at this time.

RAP Relay Control Circuit Shorted to B+ or Ground

Step

Action

Value(s)

Yes

No

1

Was the BCM Diagnostic System check performed?

--

Go to Step 2

Go to Diagnostic System Check - Body Control System

2

  1. Turn the ignition switch to the OFF position.
  2. Disconnect the Retained Accessory Power (RAP) relay.
  3. Disconnect the BCM connector C2.
  4. Turn the ignition switch to the RUN position.
  5. Using a DMM, measure the voltage between the BCM harness connector C2 terminal D9 and ground.

Is the voltage less than the specified value?

2 V

Go to Step 3

Go to Step 6

3

Use a DMM in order to measure the resistance between the BCM harness connector C2 terminal D9 and ground.

Is the resistance equal to the specified value?

OL (infinite)

Go to Step 4

Go to Step 7

4

Use a DMM in order to measure the resistance between the RAP relay terminals A1 and C2 (relay side). Refer to

Cell 15


Object Number: 325935  Size: FS
Retained Accessory Power (RAP) Components
Retained Accessory Power (RAP) Circuit Description
Fuse Block Schematics
Power Distribution Schematics
Fuse Block Schematics
Body Control System Schematics
Ground Distribution Schematics
Handling ESD Sensitive Parts Notice
in Retained Accessory Power for schematics.

Is the resistance within the specified range?

65-110 ohms

Go to Step 5

Go to Step 8

5

  1. Turn the ignition switch to the OFF position.
  2. Reinstall connectors/components removed.
  3. Turn the ignition switch to the RUN position for at least 10 seconds.
  4. Turn the ignition switch to the OFF position.
  5. Remove the MALL PGM Fuse.
  6. Turn the ignition switch to the ACC position. (The BCM sounds the chime a number of times equivalent to the BCM type installed on the vehicle).
  7. Within one second, turn the ignition switch from the ACC position, to the OFF position, then back to the ACC position. (The BCM sounds any DTCs stored).

Does DTC 4 reset?

--

Go to Step 9

Go to Step 10

6

Repair short to voltage in CKT 707.

Is the repair complete?

--

Go to Step 11

--

7

Repair short to ground in CKT 707.

Is the repair complete?

--

Go to Step 11

--

8

Replace the RAP relay.

Is the repair complete?

--

Go to Step 11

--

9

    • Inspect the BCM connector C2 terminal D9 for a short to B+ or ground and perform necessary connector repairs.
    • If connector is OK, then replace the BCM. Refer to Body Control Module Replacement .

Is the repair complete?

--

Go to Step 11

--

10

Malfunction is not present at this time. Refer to Diagnostic Aids for more information.

Is the action complete?

--

Go to Step 11

--

11

  1. Turn the ignition switch to the OFF position.
  2. Reinstall connectors/components removed.
  3. Remove the MALL PGM Fuse.
  4. Turn the ignition switch to the ACC position. (The BCM sounds the chime a number of times equivalent to the BCM type installed on the vehicle).
  5. Within one second, turn the ignition switch from the ACC position, to the OFF position, then back to the ACC position. (The BCM sounds any DTCs stored).

Are there any BCM DTCs present?

--

Go to Diagnostic System Check - Body Control System

System OK