GM Service Manual Online
For 1990-2009 cars only
Makes
🢒
Pontiac
🢒
1999
🢒
Grand Prix
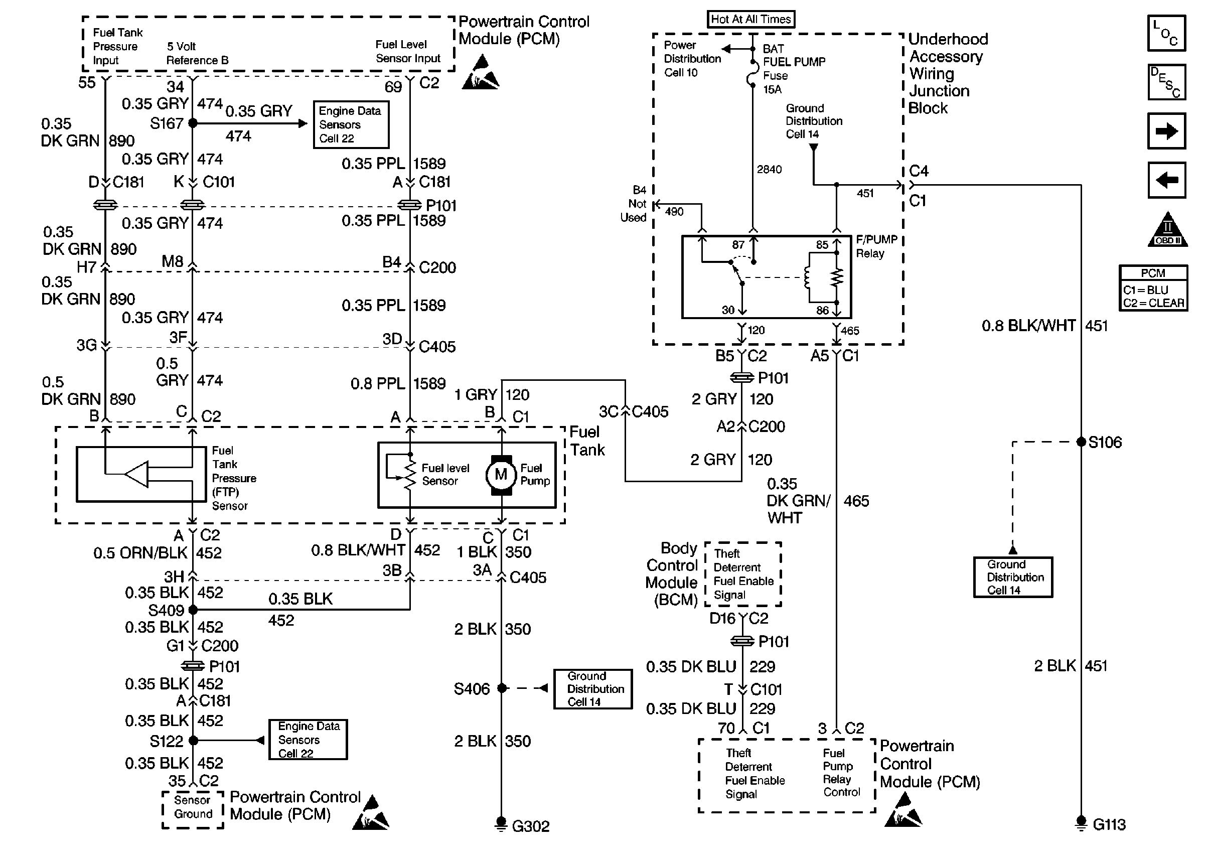
🢒 Fuel Pump Control
Fuel Pump Control
Fuel Pump Control
Engine Controls Components
Powertrain Control Module Description
Inputs and Outputs
Input Sensors
OBD II Symbol Description Notice
Ground Distribution Schematics
Handling ESD Sensitive Parts Notice
Handling ESD Sensitive Parts Notice
Ground Distribution Schematics
Handling ESD Sensitive Parts Notice
Power Distribution Schematics
Ground Distribution Schematics