GM Service Manual Online
For 1990-2009 cars only
Makes
🢒
Pontiac
🢒
1999
🢒
Grand Prix
🢒 Input Sensors
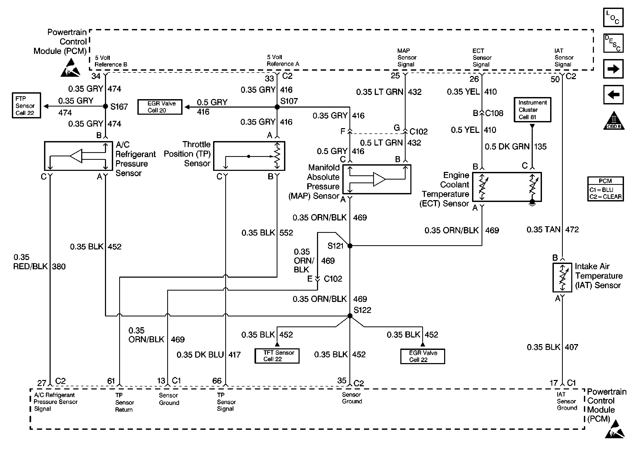
Input Sensors
Input Sensors
Engine Controls Components
Powertrain Control Module Description
Fuel Pump Control
Power/Grounds, Serial Data
OBD II Symbol Description Notice
Handling ESD Sensitive Parts Notice
Handling ESD Sensitive Parts Notice
Instrument Cluster: Analog Schematics