GM Service Manual Online
For 1990-2009 cars only
Makes
🢒
Pontiac
🢒
1999
🢒
Grand Prix
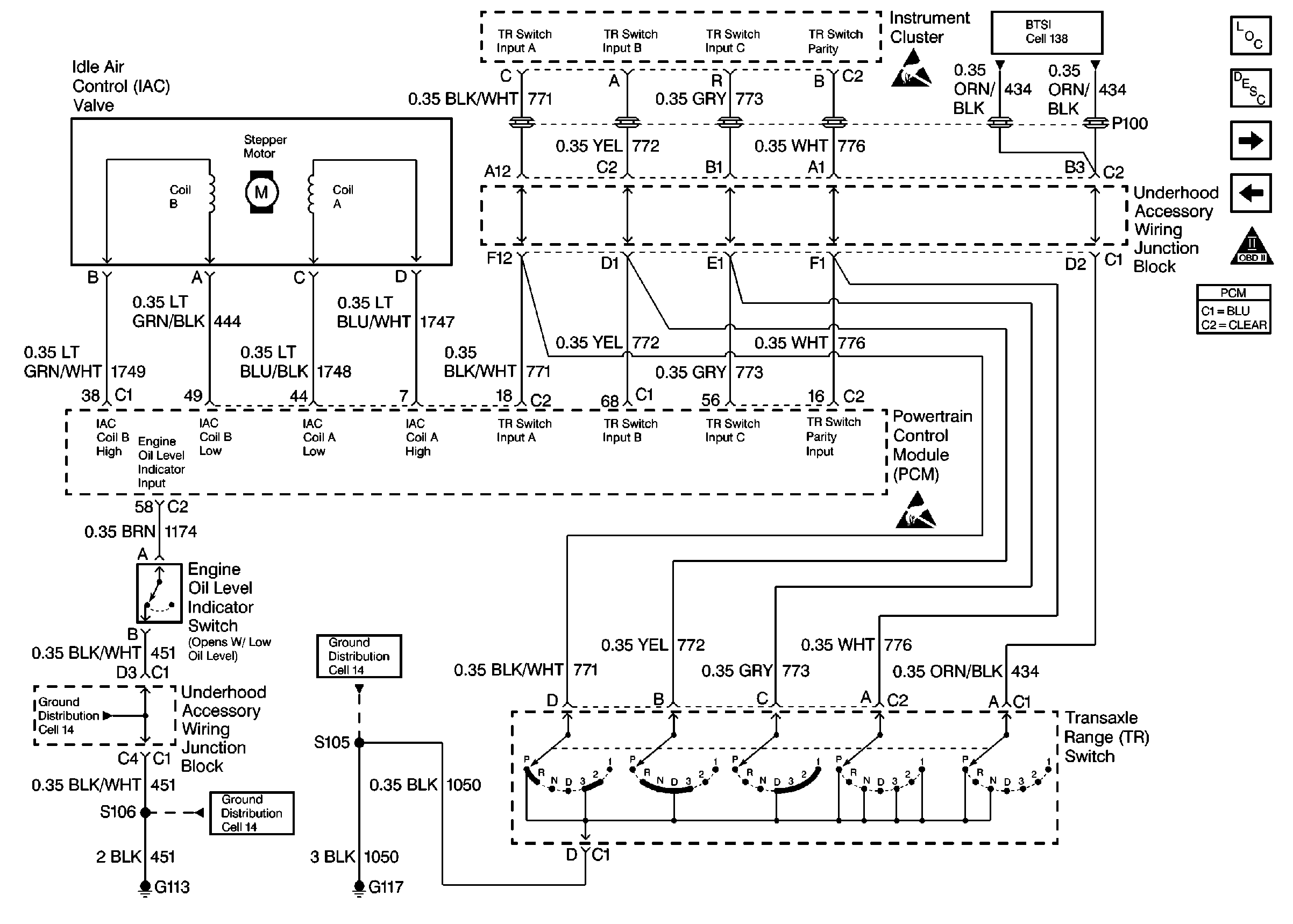
🢒 Inputs and Outputs, Continued
Inputs and Outputs, Continued
Inputs and Outputs, Continued
Engine Controls Components
Powertrain Control Module Description
Gauges and Indicators
A/C Control
OBD II Symbol Description Notice
Handling ESD Sensitive Parts Notice
Handling ESD Sensitive Parts Notice
Ground Distribution Schematics
Ground Distribution Schematics
Ground Distribution Schematics
Shift Lock Control Schematics