GM Service Manual Online
For 1990-2009 cars only

Refer to

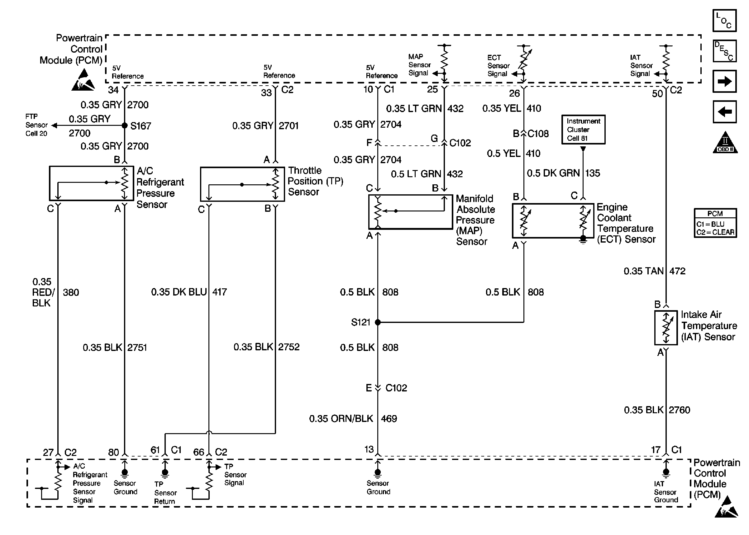
Cell 20: Engine Data Sensors-A/C Refrig Press, TP, MAP, ECT, IAT


Object Number: 352699  Size: FS
Handling Electrostatic Discharge Sensitive Parts Notice
Cell 20: Fuel Controls
Cell 81: Instrument Cluster, Continued
Cell 20: Engine Data Sensors-HO2S 1, Ho2S 2
Cell 20: Fuel Injectors
OBDII Symbol Description Notice
Handling Electrostatic Discharge Sensitive Parts Notice
.

Circuit Description

To provide the best possible combination of driveability, fuel economy, and emission control, a closed loop air/fuel metering system is used. When the vehicle is first started, the PCM controls fuel delivery in open loop, ignoring the HO2S signals and calculating air/fuel ratio based on inputs from the engine coolant temperature, throttle position, and mass air flow sensors. The PCM will begin using the HO2S 1 signal for controlling fuel delivery (Closed Loop). when the following conditions have been met:

    •  The HO2S output signal is varying, indicating that the sensor is hot enough to operate properly.
    •  The Engine Coolant Temperature sensor indicates coolant temperature above 21°C (70°F).
    •  Time since start-up is at least 15 seconds for a warm engine or 90 seconds for a cold engine.

The PCM monitors the amount of time for the cooling system to achieve closed loop operating temperature. This diagnostic is broken into three temperature regions. The diagnostic uses the ECT and IAT Sensors to determine which region to operate in. The time to achieve closed loop temperature is monitored. A time based decision is made depending on the temperature region. The diagnostic will monitor the following conditions prior to setting the DTC:

    •  Total airflow must exceed a calibrated amount.
    •  Engine idle time must be less than a calibrated amount.

Conditions for Running the DTC

    •  No active IAT or ECT Sensor DTCs present.
    •  Minimum air temperature is greater than -7°C (19°F).
    •  Start-up engine coolant temperature is below 50°C (122°F).
    •  Region 1--air temperature above 10°C (50°F) and the start up coolant temperature above 10°C (50°F) .
    •  Region 2--air temperature above -7°C (20°F) and the start up coolant temperature between -7°C (20°F) and 10°C (50°F).
    •  Region 3--air temperature above -7°C (20°F) and the start up coolant temperature between -40°C (-40°F) and -7°C (20°F).

Conditions for Setting the DTC

Region 1:

    •  Engine run time over 127 seconds to achieve closed loop temperature of 21°C (70°F).
    •  Calibrated minimum amount of total airflow has been exceeded.
    •  Maximum idle time less than 95 seconds.

Region 2:

    •  Engine run time over 280 seconds to achieve closed loop temperature of 21°C (70°F).
    •  Calibrated minimum amount of total airflow has been exceeded.
    •  Maximum idle time less than 210 seconds.

Region 3:

    •  Engine run time over 439 seconds to achieve closed loop temperature of 21°C (70°F).
    •  Calibrated minimum amount of total airflow has been exceeded.
    •  Maximum idle time less than 329 seconds.

Action Taken When the DTC Sets

    • The PCM illuminates the malfunction indicator lamp (MIL) on the second consecutive ignition cycle that the diagnostic runs and fails.
    • The PCM records the operating conditions at the time the diagnostic fails. The first time the diagnostic fails, the PCM stores this information in the Failure Records. If the diagnostic reports a failure on the second consecutive ignition cycle, the PCM records the operating conditions at the time of the failure.
    • The PCM writes the conditions to the Freeze Frame and updates the Failure Records.

Conditions for Clearing the MIL/DTC

    • The PCM will turn OFF the malfunction indicator lamp (MIL) during the third consecutive trip in which the diagnostic has run and passed.
    • The history DTC will clear after 40 consecutive warm-up cycles have occurred without a malfunction.
    • The DTC can be cleared by using a scan tool.

Diagnostic Aids

DTC P0125 set indicates a skewed ECT sensor. Comparing the engine coolant temperature displayed on a scan tool with actual coolant temperature measured with a thermometer may isolate this condition. If the displayed engine coolant temperature is not close to the actual coolant temperature, replace the ECT sensor. Refer to Engine Coolant Temperature Sensor Replacement .

Check for the following conditions:

Important: :  Remove any debris from the connector surfaces before servicing a component. Inspect the connector gaskets when diagnosing or replacing a component. Ensure that the gaskets are installed correctly. The gaskets prevent contaminate intrusion.

    •  Poor terminal connection.
         Inspect the harness connectors for backed out terminals, improper mating, broken locks, improperly formed or damaged terminals, and faulty terminal to wire connection. Use a corresponding mating terminal to test for proper tension. Refer to Intermittents and Poor Connections Diagnosis , and Connector Repairs Wiring Systems.
    •  Damaged harness.
         Inspect the wiring harness for damage. If the harness appears to be OK, observe the sensor display on the scan tool while moving connectors and wiring harnesses related to the sensor. A change in the sensor display may indicate the location of the fault. Refer to Wiring Repairs in Wiring Systems.
    •  Inspect the PCM and the engine grounds for clean and secure connections.

If the DTC is determined to be intermittent, reviewing the Fail Records can be useful in determining when the DTC was last set.

Test Description

The numbers below refer to the step numbers on the Diagnostic Table:

  1. Comparing the engine coolant temperature displayed on a scan tool with actual coolant temperature measured with a thermometer may isolate this condition. If the displayed engine coolant temperature is not close to the actual coolant temperature, replace the ECT sensor. If the temperatures are close, the fault is intermittent refer to Diagnostic Aids.

Step

Action

Value(s)

Yes

No

1

Was the Powertrain on Board Diagnostic Check performed?

--

Go to Step 2

Go to Powertrain On Board Diagnostic (OBD) System Check

2

  1. Allow the engine to cool completely.
  2. Start engine.
  3. With the engine idling, monitor Eng. Cool. Temp. display on the scan tool.

Does Eng. Cool. Temp. increase to above the specified value within 9 minutes?

21°C (70°F).

Go to Diagnostic Aids

Go to Step 3

3

Are any ECT sensor DTCs set?

--

Go to applicable DTC

Go to Step 4

4

  1. Allow the engine to cool.
  2. Turn the ignition on and observe cooling fans operation.

Are the cooling fans off.

--

Go to Step 5

Go to Electric Cooling Fan Diagnosis

5

Check the cooling system coolant level.

Is the coolant level OK?

--

Go to Step 6

Go to Step 9

6

Check for proper operation of the thermostat. Refer to Thermostat Diagnosis in Engine Cooling.

Is the thermostat operating correctly?

--

Go to Step 7

Go to Step 9

7

Compare Eng. Cool. Temp. displayed on the scan tool to the actual coolant temperature measured with a thermometer.

Is the scan tool Eng. Cool. Temp. indication close to the measured temperature?

--

Go to Step 9

Go to Step 8

8

  1. Check for high resistance in wiring related to the ECT sensor.
  2. Check for poor connections at ECT sensor and PCM. Refer to Testing for Continuity Intermittents and Poor Connections Diagnosis , Repairing Connector Terminals , and Connector Repairs .

Was a problem found?

--

Go to Step 10

Go to Step 11

9

Repair condition as necessary. Refer to Thermostat Diagnosis in Engine Cooling.

Is the action complete?

--

Go to Step 12

--

10

Replace the faulty terminal(s) or repair faulty wiring as necessary. Refer to Intermittents and Poor Connections Diagnosis , Repairing Connector Terminals , and Connector Repairs .

Is the action complete?

--

Go to Step 12

--

11

Replace ECT sensor. Refer to Engine Coolant Temperature Sensor Replacement .

Is the action complete?

--

Go to Step 12

--

12

  1. Allow the engine to cool completely.
  2. Clear DTCs.
  3. Start engine.
  4. With the engine idling, monitor Eng. Cool. Temp. display on the scan tool.

Does Eng. Cool. Temp. increase to above the specified value within 9 minutes?

21°C (70°F)

System OK

Go to Step 2