GM Service Manual Online
For 1990-2009 cars only
Makes
🢒
Pontiac
🢒
2000
🢒
Grand Prix
🢒
Body and Accessories
🢒
Body Control System
🢒 Body Control System Schematics
Figure
1:
Power
Battery, Starter, Generator, EBCM, Underhood Accessory Wiring JuncTion Block and Fuse Block
Ignition Switch, RAP Relay, Underhood Accessory Wiring Junction Block and Fuse Block
DRL, Canister, PWR DROP, TURN, SIR, IP-IGN, CRUISE, and ECM Fuse
Outputs and Ground
G200 (3 of 4)
Battery, Starter, Generator, EBCM, Underhood Accessory Wiring JuncTion Block and Fuse Block
Fused Distribution, DRL Control Module, Headlamp Switch and BCM
Audible Warnings Schematics
Fused Distribution, DRL Control Module, Headlamp Switch and BCM
Body Control Module
Audible Warnings Schematics
Battery, Starter, Generator, EBCM, Underhood Accessory Wiring JuncTion Block and Fuse Block
Underhood Accessory Wiring Junction Block, Headlamp Switch, Heater A/C Control, RCDLR, Theft Deterrent Indicator Lamp, Theft Deterrent Shock Sensor and Trip Calculator
Handling ESD Sensitive Parts Notice
Body Control Module Components
Body Control System Circuit Description
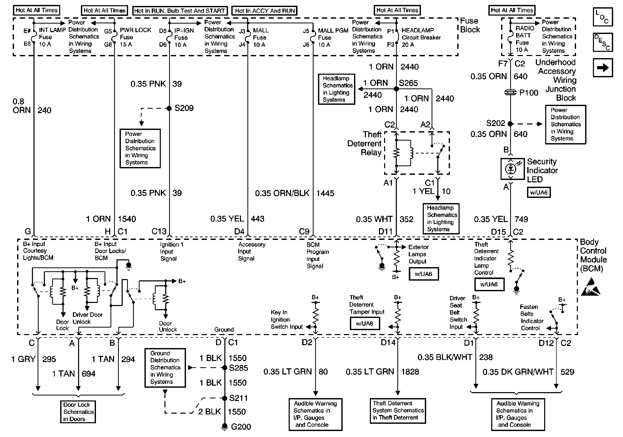
Inputs and Outputs
Figure
2:
Inputs and Outputs
Power and Inputs
Power and Inputs
RAP Schematic
Horn Schematic
HUD, Trip Calculator, I/P, BCM, CCM and VSS
HUD, Trip Calculator, I/P, BCM, CCM and VSS
Driver Information System Schematics
Audible Warnings Schematics
IP Compartment Lamp, IP Courtesy Lamps, Rear Compartment Lamp and Door Courtesy Warning Lamps
Fused Distribution, DRL Control Module, Headlamp Switch and BCM
Body Control Module Components
Body Control System Circuit Description
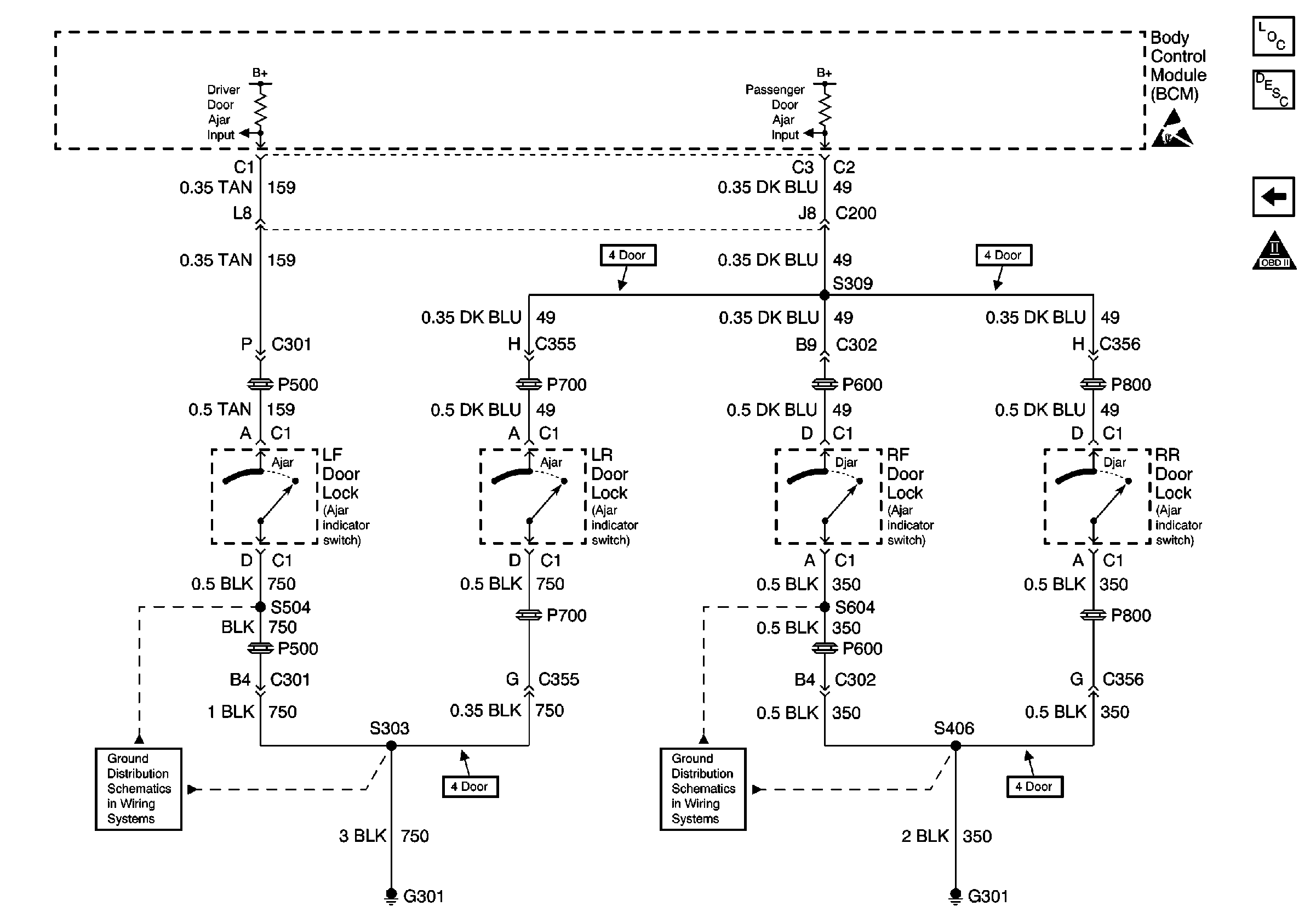
Door Ajar Indicator Switches
Power
Handling ESD Sensitive Parts Notice
Figure
3:
Door Ajar Indicator Switches
G301
G302 (1 of 2)
Handling ESD Sensitive Parts Notice
Body Control Module Components
Body Control System Circuit Description
Inputs and Outputs