GM Service Manual Online
For 1990-2009 cars only
Makes
🢒
Pontiac
🢒
2000
🢒
Grand Prix
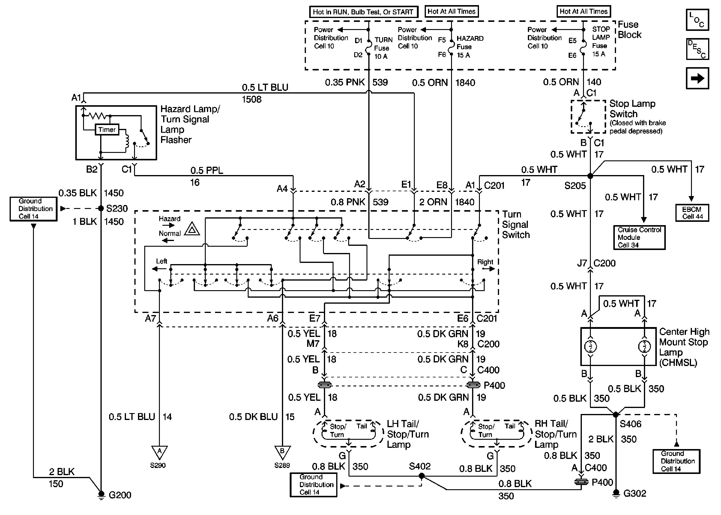
🢒 Cell 110: Hazard Lamp/Turn Signal Lamp Flasher, Center High Mounted Stoplamp (CHMSL)
Cell 110: Hazard Lamp/Turn Signal Lamp Flasher, Center High Mounted Stoplamp (CHMSL)
Cell 110: Hazard Lamp/Turn Signal Lamp Flasher, Center High Mounted Stoplamp (CHMSL)
Exterior Lights Circuit Description
Cell 110: Park Turn Lamps
Cell 14: RH/IP Ground G200 (2 of 4)
Cell 110: Park Turn Lamps
Cell 110: Park Turn Lamps
Cell 14: Left Rear Compartment Ground G302 (1 of 2)
Cell 10: IGN MAIN 1 MaxiFuse 40 A
Cell 10
Cell 10
Lighting Systems Components
Cell 44: Instrument Cluster Indicators, MSVA and Stop Lamp Switch
Cell 34