GM Service Manual Online
For 1990-2009 cars only
Makes
🢒
Pontiac
🢒
2000
🢒
Grand Prix
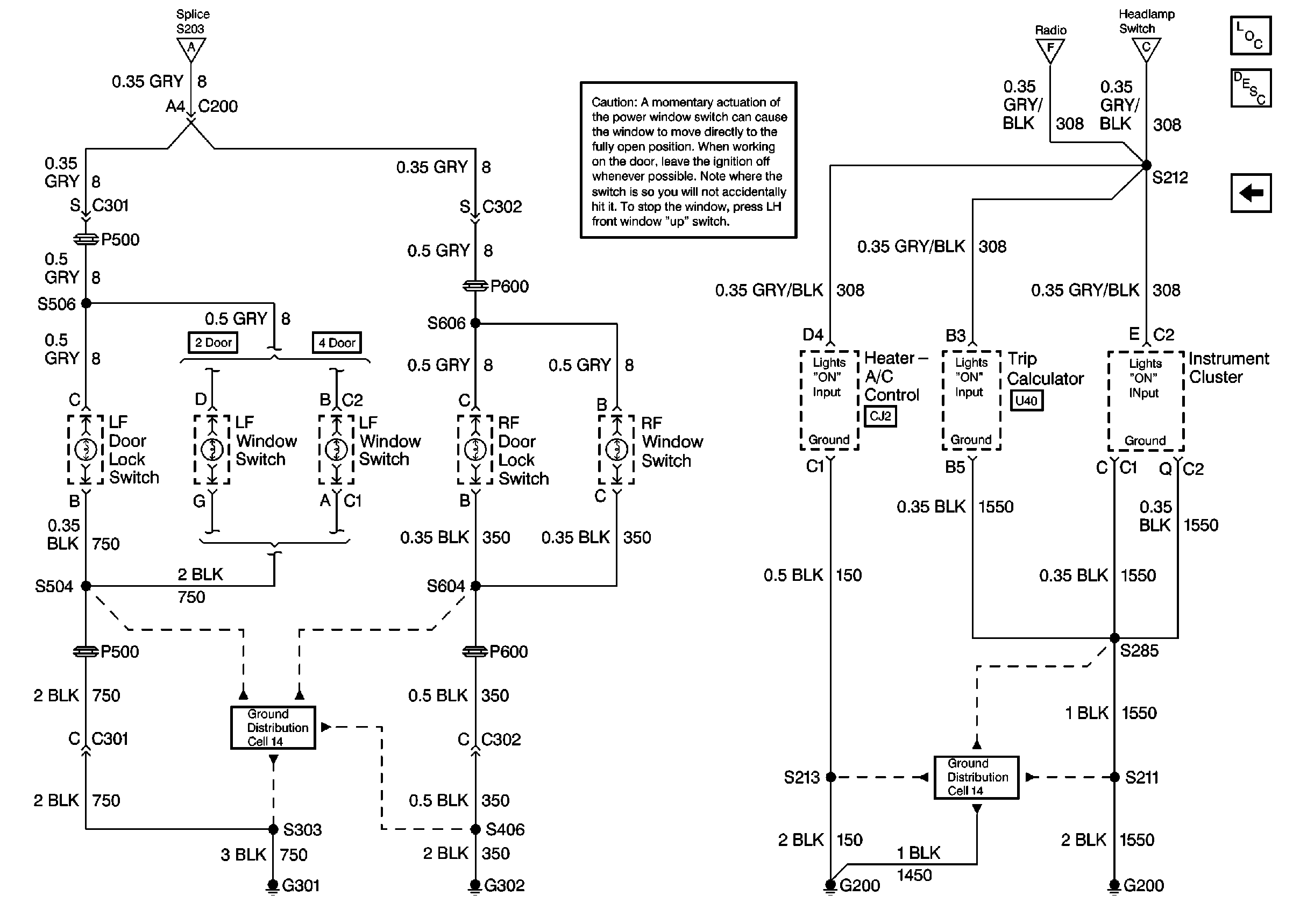
🢒 Cell 117: Window Switches, Door Lock Switches
Cell 117: Window Switches, Door Lock Switches
Cell 117: Window Switches, Door Lock Switches
Interior Lights Dimming Circuit Description
Cell 117: Automatic Transaxle Control Position Indicator Bulb, Driver Seat Heater Switch
Ground Distribution Schematics
Cell 117: Steering Wheel Radio Control Switches, Driver Information Display, Ashtray Lamp, fog Lamp Switch
Cell 14: Left Rear Compartment Ground G302 (1 of 2)
Cell 14: RH I/P Ground G200 (1 of 4)
Cell 117: Automatic Transaxle Control Position Indicator Bulb, Driver Seat Heater Switch
Cell 117: Steering Wheel Radio Control Switches, Driver Information Display, Ashtray Lamp, fog Lamp Switch
Lighting Systems Components