GM Service Manual Online
For 1990-2009 cars only
Makes
🢒
Pontiac
🢒
2000
🢒
Grand Prix
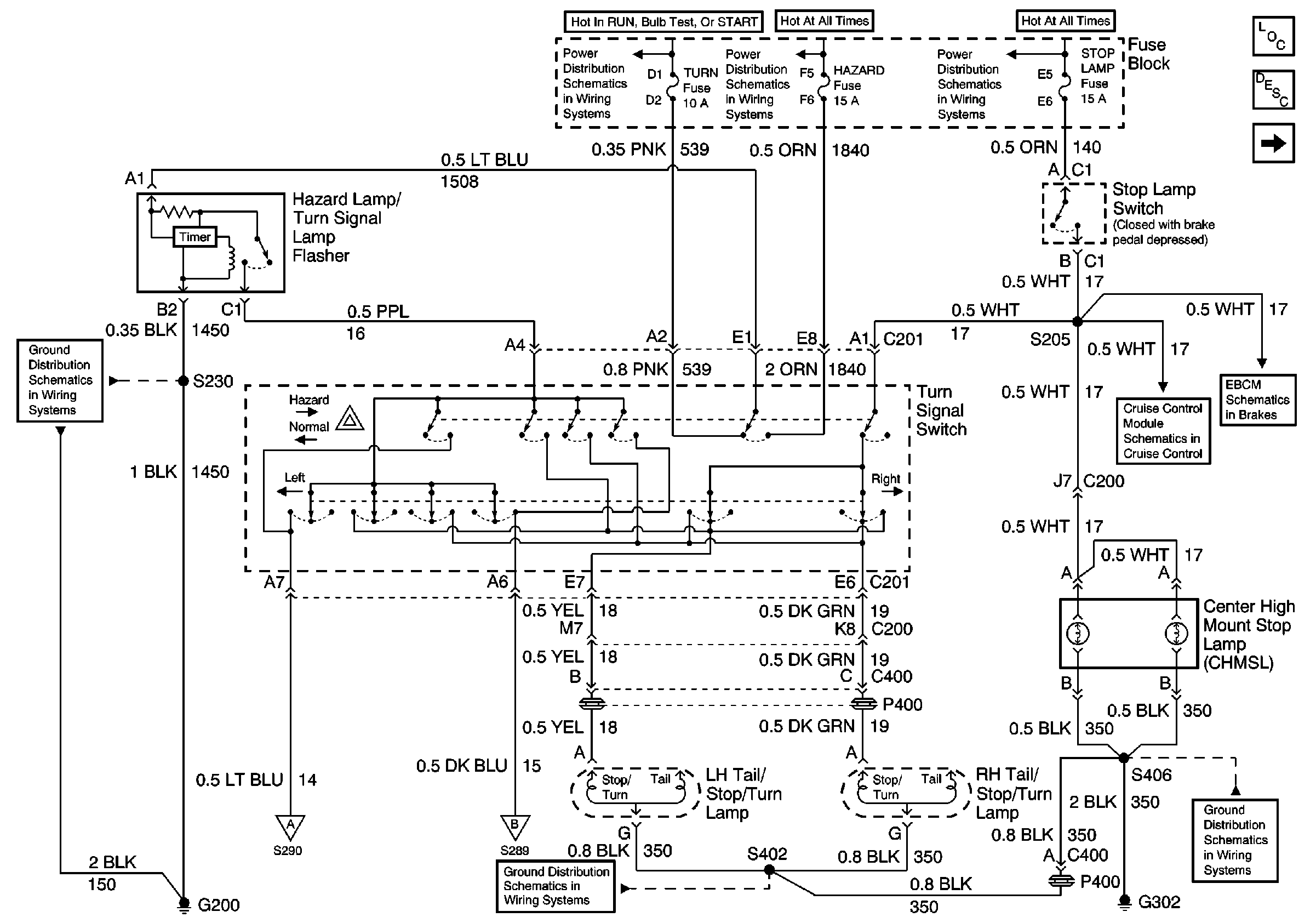
🢒 Hazard Lamp/Turn Signal Lamp Flasher, Turn Signal Switch CHMSL And Stop/ Turn Lamps
Hazard Lamp/Turn Signal Lamp Flasher, Turn Signal Switch CHMSL And Stop/ Turn Lamps
Hazard Lamp/Turn Signal Lamp Flasher, Turn Signal Switch CHMSL and Stop/ Turn Lamps
Ignition Switch, Park/Neutral Position Switch, Underhood AccessoryWiring Junction Block and Fuse Block
Battery, Starter, Generator, EBCM, Underhood Accessory Wiring JuncTion Block and Fuse Block
Battery, Starter, Generator, EBCM, Underhood Accessory Wiring JuncTion Block and Fuse Block
Lighting Systems Components
Exterior Lights Circuit Description
Instrument Cluster, Side Marker Lamps, Park Turn Lamps, Headlamp Switch and BCM
Brake Warning System Schematics
Cruise Control Schematics
G200 (1 of 4)
Instrument Cluster, Side Marker Lamps, Park Turn Lamps, Headlamp Switch and BCM
Instrument Cluster, Side Marker Lamps, Park Turn Lamps, Headlamp Switch and BCM
G302 (1 of 2)
G302 (1 of 2)