GM Service Manual Online
For 1990-2009 cars only
Makes
🢒
Pontiac
🢒
2001
🢒
Grand Prix
🢒
Body and Accessories
🢒
Lighting Systems
🢒 Interior Lights Schematics
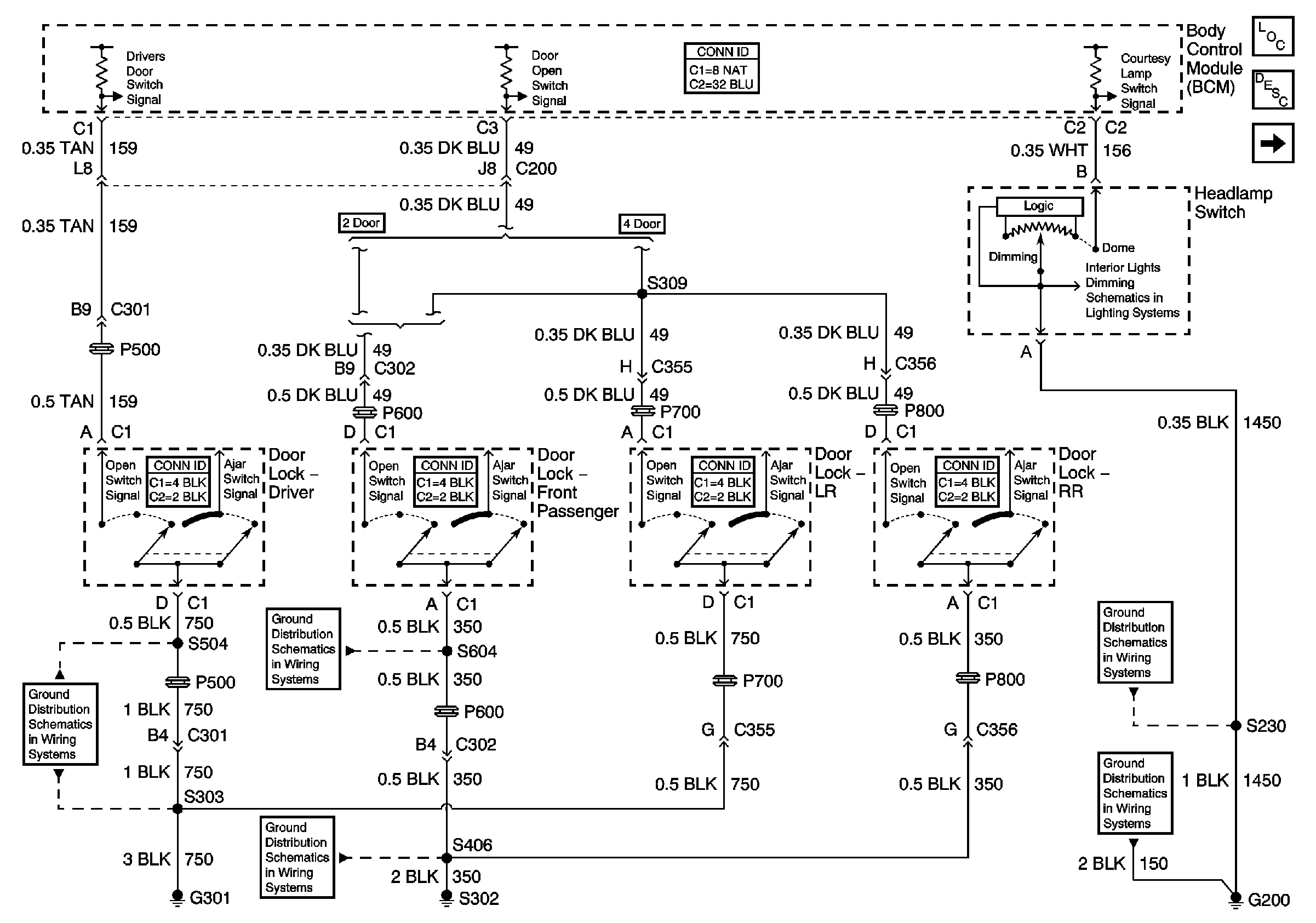
Figure
1:
Switches
Master Electrical Component List
Headlamp Switch and Instrument Panel Lighting
Headlamp Switch and Instrument Panel Lighting
G301
G302, S390, S604
G302, S402, S406, S416
G200, S230
G200, S213, S375
Figure
2:
Instrument Panal and Rear Compartment Lamps
Master Electrical Component List
Overhead Lighting
Switches
Body Rear End
Overhead Lighting
Overhead Lighting
G200, S230
G200, S213, S375
G302, S402, S406, S416
Figure
3:
Overhead Lighting
Master Electrical Component List
Instrument Panel and Rear Compartment Lamps
Instrument Panel and Rear Compartment Lamps
G302, S390, S604
G302, S402, S406, S416
Instrument Panel and Rear Compartment Lamps