GM Service Manual Online
For 1990-2009 cars only
Makes
🢒
Pontiac
🢒
2004
🢒
Grand Prix
🢒
Engine
🢒
Engine Controls - 3.8L (L26 and L32)
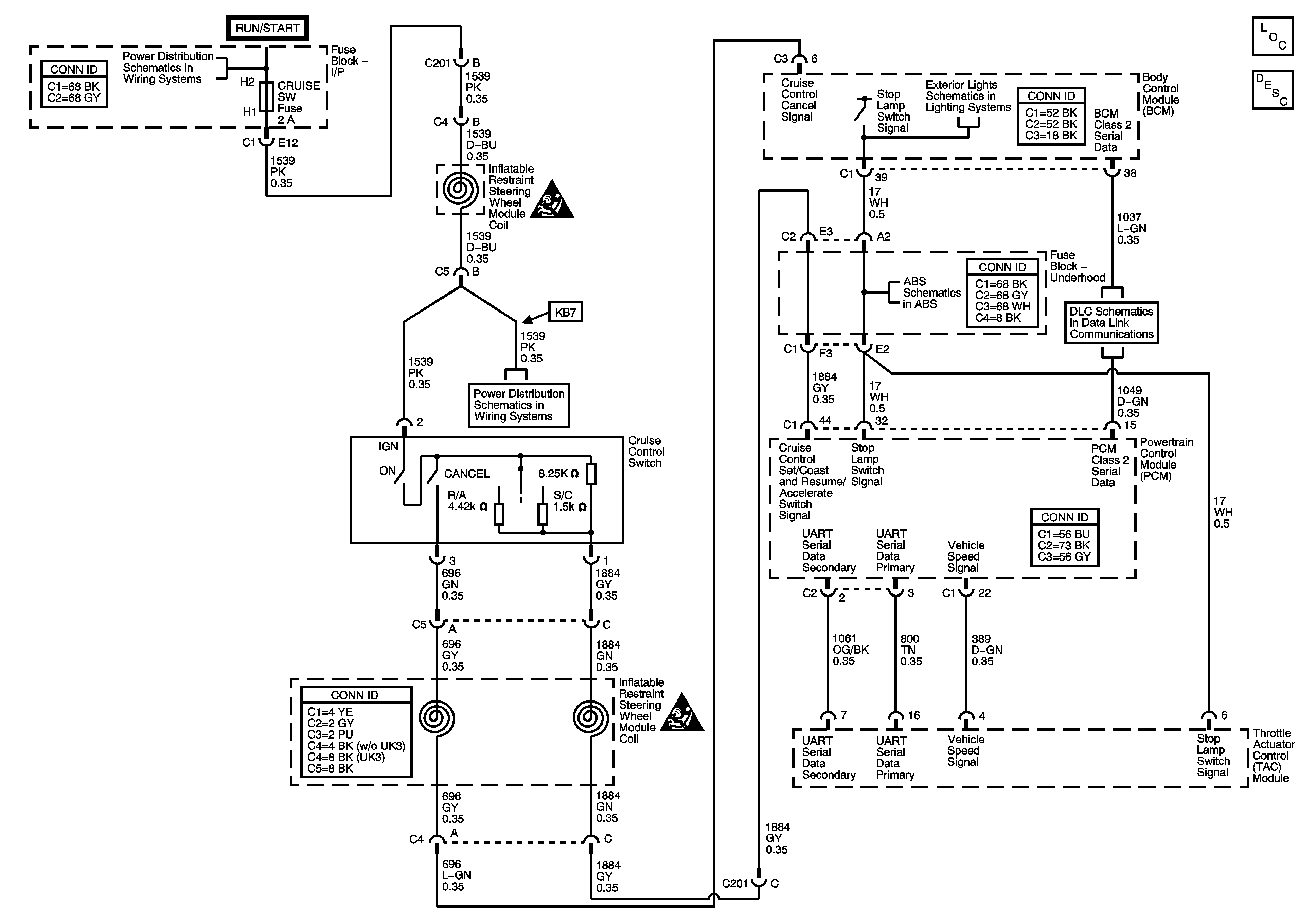
🢒 Cruise Control Schematics
Master Electrical Component List
Cruise Control Description and Operation
ABS, TRANS SOL, PCM, SIR, DISPLAY, CRUISE SW Fuses, and CRANK Relay
ABS, TRANS SOL, PCM, SIR, DISPLAY, CRUISE SW Fuses, and CRANK Relay
Turn Signal, Hazard and Stop Lamps
Cruise Control Schematic Icons
ABS, TRANS SOL, PCM, SIR, DISPLAY, CRUISE SW Fuses, and CRANK Relay
ABS Indicators, Torque Signals, Steering andTraction Control
Data Link Connector (DLC) Schematics
Cruise Control Schematic Icons