GM Service Manual Online
For 1990-2009 cars only
Makes
🢒
Pontiac
🢒
2004
🢒
Grand Prix
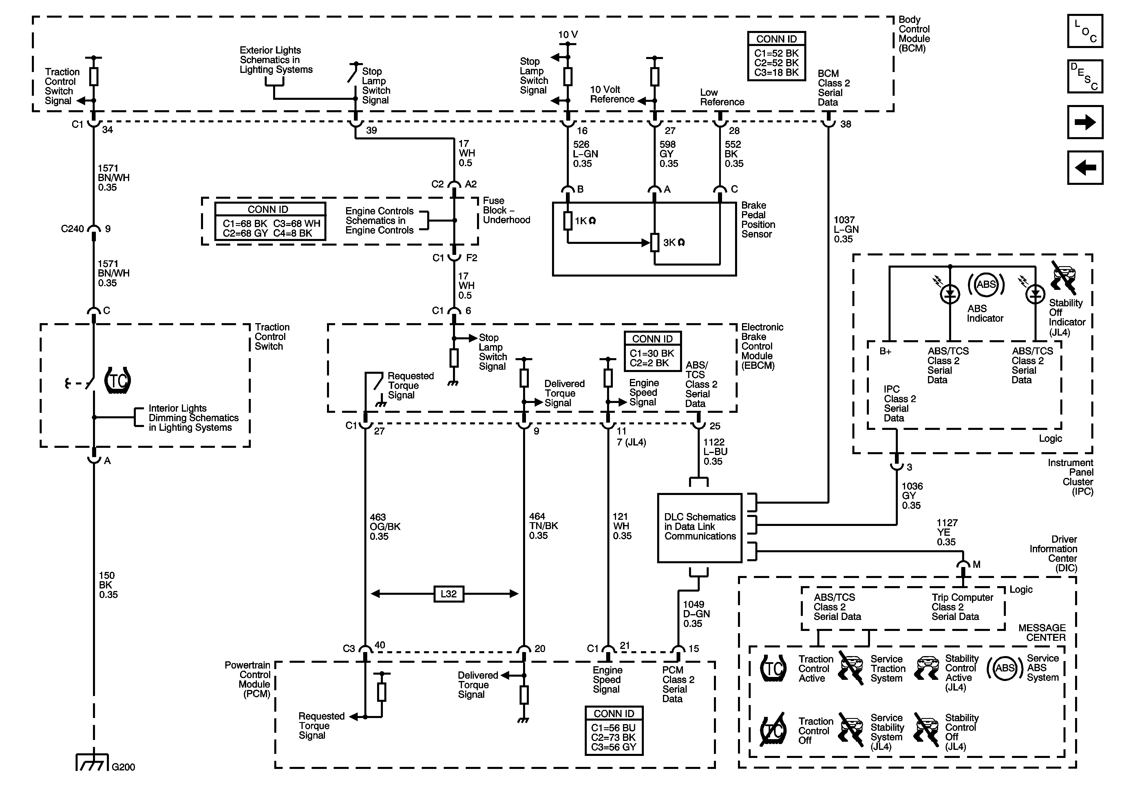
🢒 ABS Indicators, Torque Signals, Steering andTraction Control
ABS Indicators, Torque Signals, Steering andTraction Control
Indicators, ABS, Stability and Traction Controls
Master Electrical Component List
ABS Description and Operation
Stability Control (JL4)
Power, Ground and Brake Pressure Modulator Valves
Turn Signal, Hazard and Stop Lamps
Electronic Throttle Controls
Interior Lights Dimming Schematics
Data Link Connector (DLC) Schematics
G200