GM Service Manual Online
For 1990-2009 cars only
Makes
🢒
Pontiac
🢒
2004
🢒
Grand Prix
🢒 Stability Control (JL4)
Stability Control (JL4)
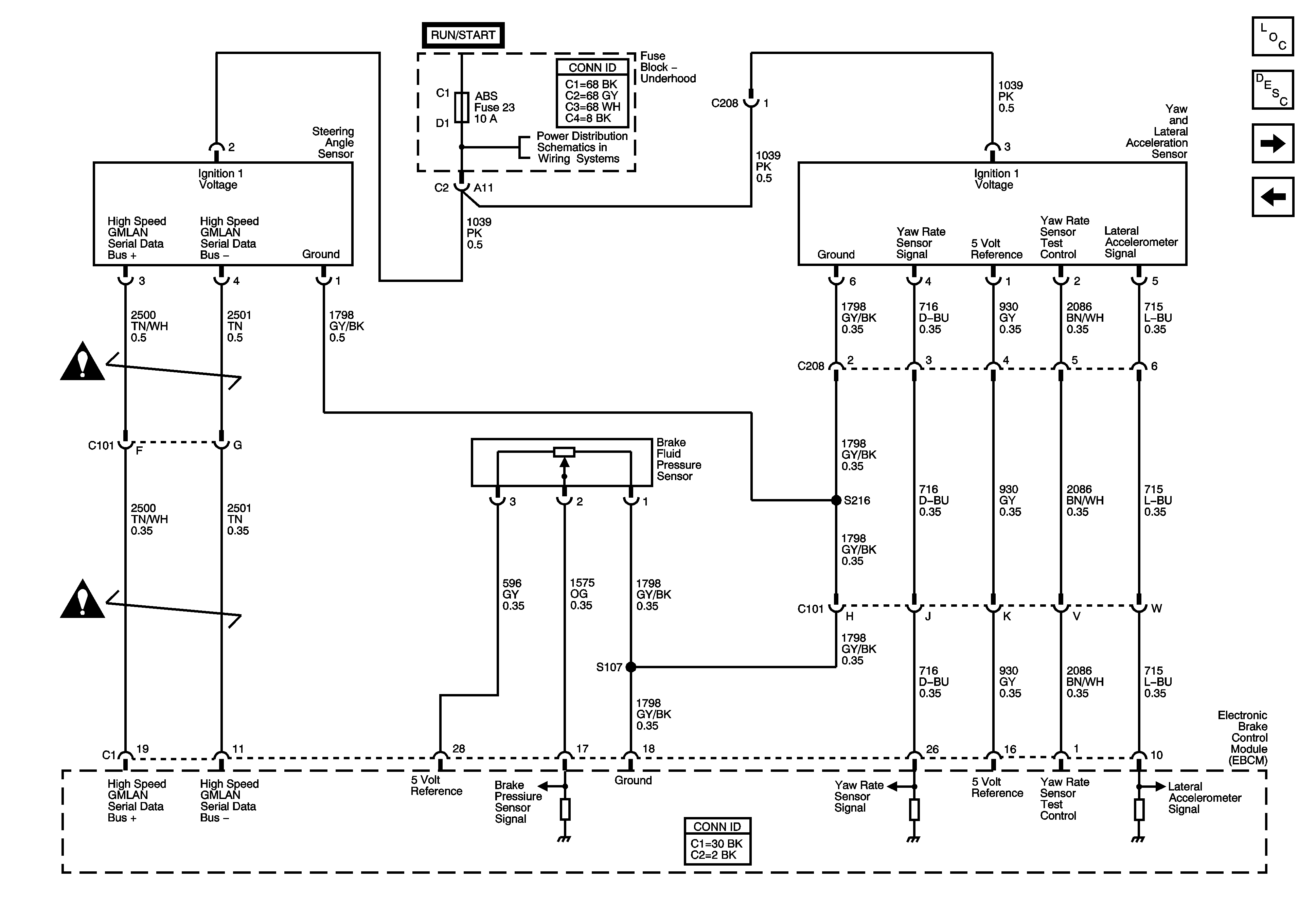
Stability Control Sensors (JL4)
Master Electrical Component List
ABS Description and Operation
Wheel Speed Sensors
ABS Indicators, Torque Signals, Steering andTraction Control
Fuse Block - Underhood Bussing
ABS, TRANS SOL, PCM, SIR, DISPLAY, CRUISE SW Fuses, and CRANK Relay
Antilock Brake System Schematic Icons
Antilock Brake System Schematic Icons