GM Service Manual Online
For 1990-2009 cars only
Makes
🢒
Pontiac
🢒
2004
🢒
Grand Prix
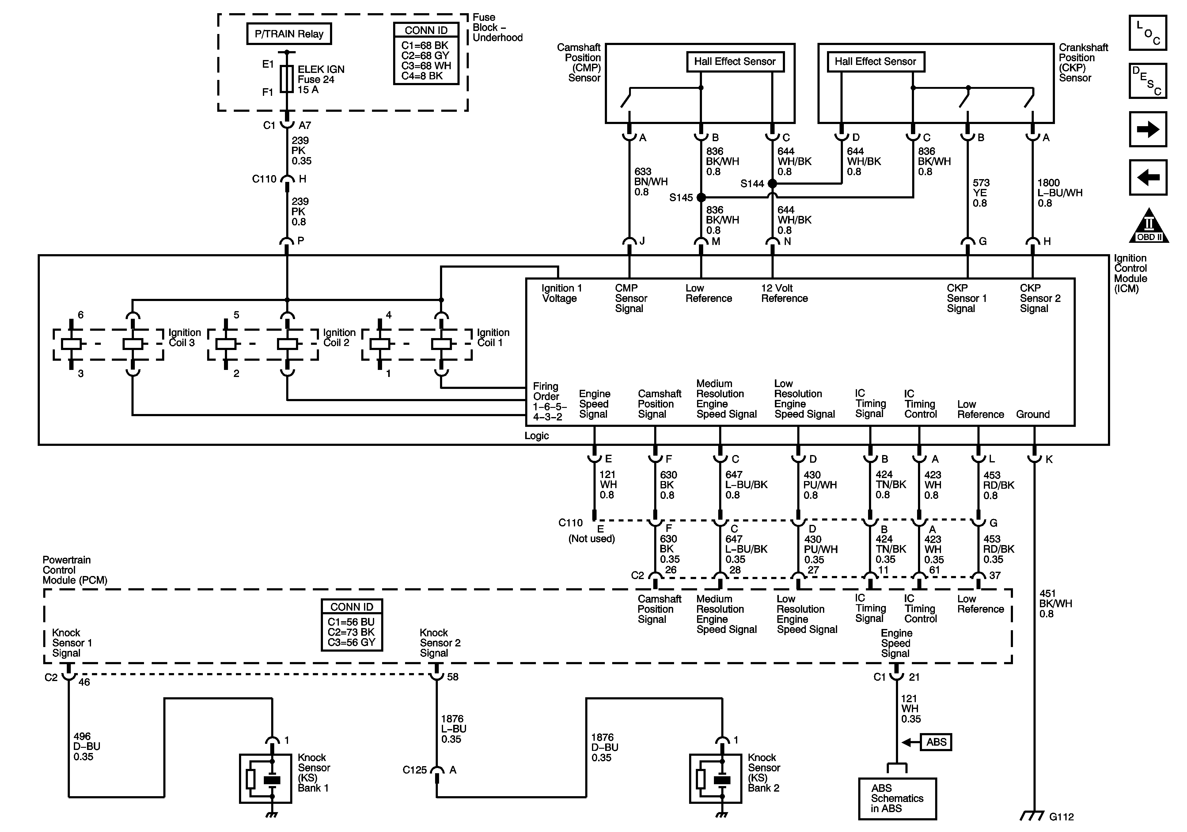
🢒 Ignition control Module
Ignition control Module
Ignition Control Module
Master Electrical Component List
Electronic Ignition (EI) System Description
Fuel Pump Controls
Electronic Throttle Controls
Engine Controls Schematic Icons
PCM Power, Ground, MIL, and Serial Data
ABS Indicators, Torque Signals, Steering andTraction Control