GM Service Manual Online
For 1990-2009 cars only
Makes
🢒
Pontiac
🢒
2004
🢒
Grand Prix
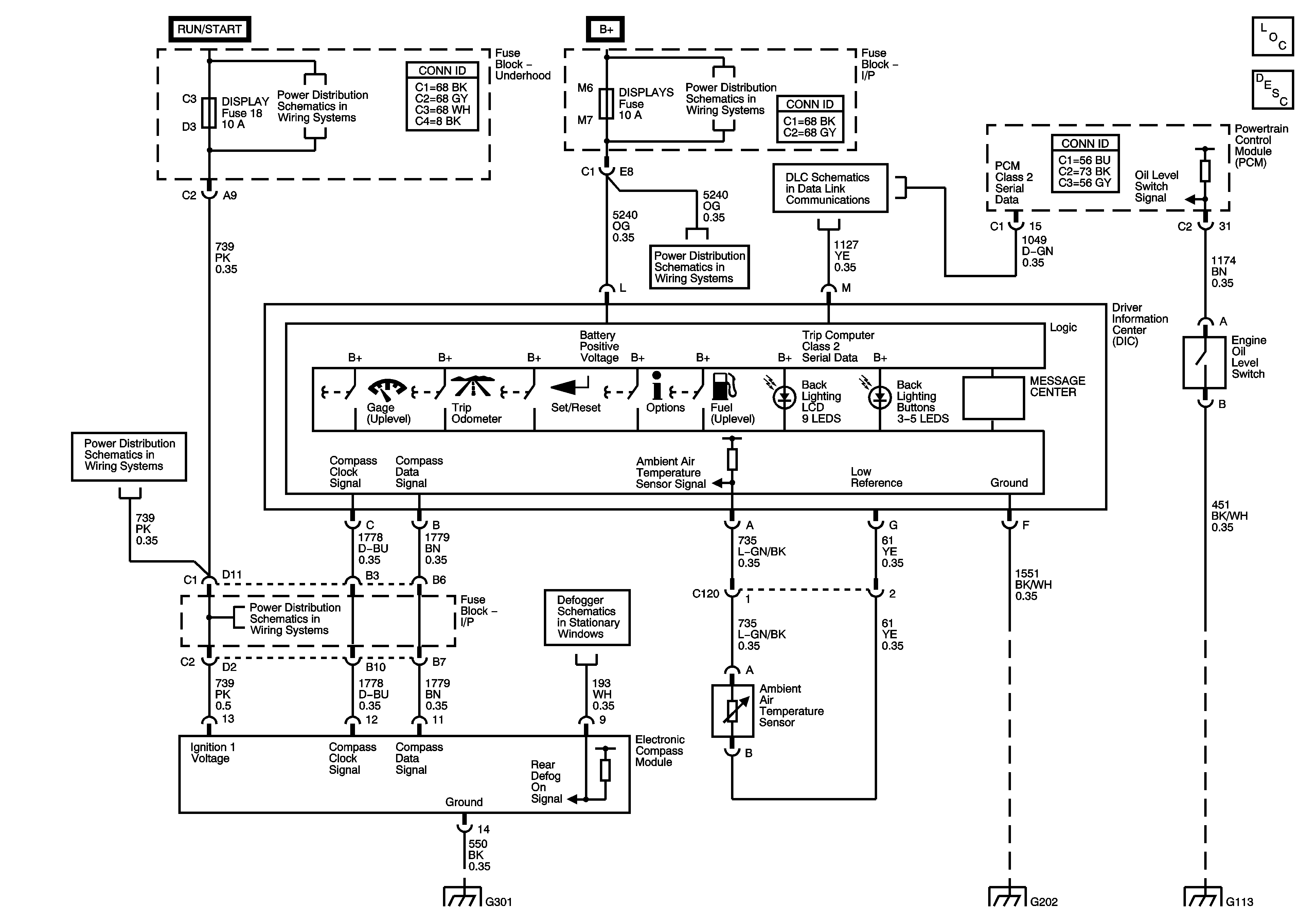
🢒 Driver Information System Schematics
Driver Information System Schematics
Master Electrical Component List
Driver Information Center (DIC) Description and Operation
Fuse Block - Underhood Bussing
ABS, TRANS SOL, PCM, SIR, DISPLAY, CRUISE SW Fuses, and CRANK Relay
BATT MAIN 1, PK LAMPS, DISPLAYS, CHMSL/BKUP, INT LIGHT, RFA/MOD, RADIO/AMP, ONSTAR/ALDL, HVAC, CANISTER Fuses, and PK LP Relay
BATT MAIN 1, PK LAMPS, DISPLAYS, CHMSL/BKUP, INT LIGHT, RFA/MOD, RADIO/AMP, ONSTAR/ALDL, HVAC, CANISTER Fuses, and PK LP Relay
BATT MAIN 1, PK LAMPS, DISPLAYS, CHMSL/BKUP, INT LIGHT, RFA/MOD, RADIO/AMP, ONSTAR/ALDL, HVAC, CANISTER Fuses, and PK LP Relay
Data Link Connector (DLC) Schematics
ABS, TRANS SOL, PCM, SIR, DISPLAY, CRUISE SW Fuses, and CRANK Relay
ABS, TRANS SOL, PCM, SIR, DISPLAY, CRUISE SW Fuses, and CRANK Relay
Defogger Schematics
G301
G202
G101, G112 and G113