GM Service Manual Online
For 1990-2009 cars only
Makes
🢒
Pontiac
🢒
2004
🢒
Grand Prix
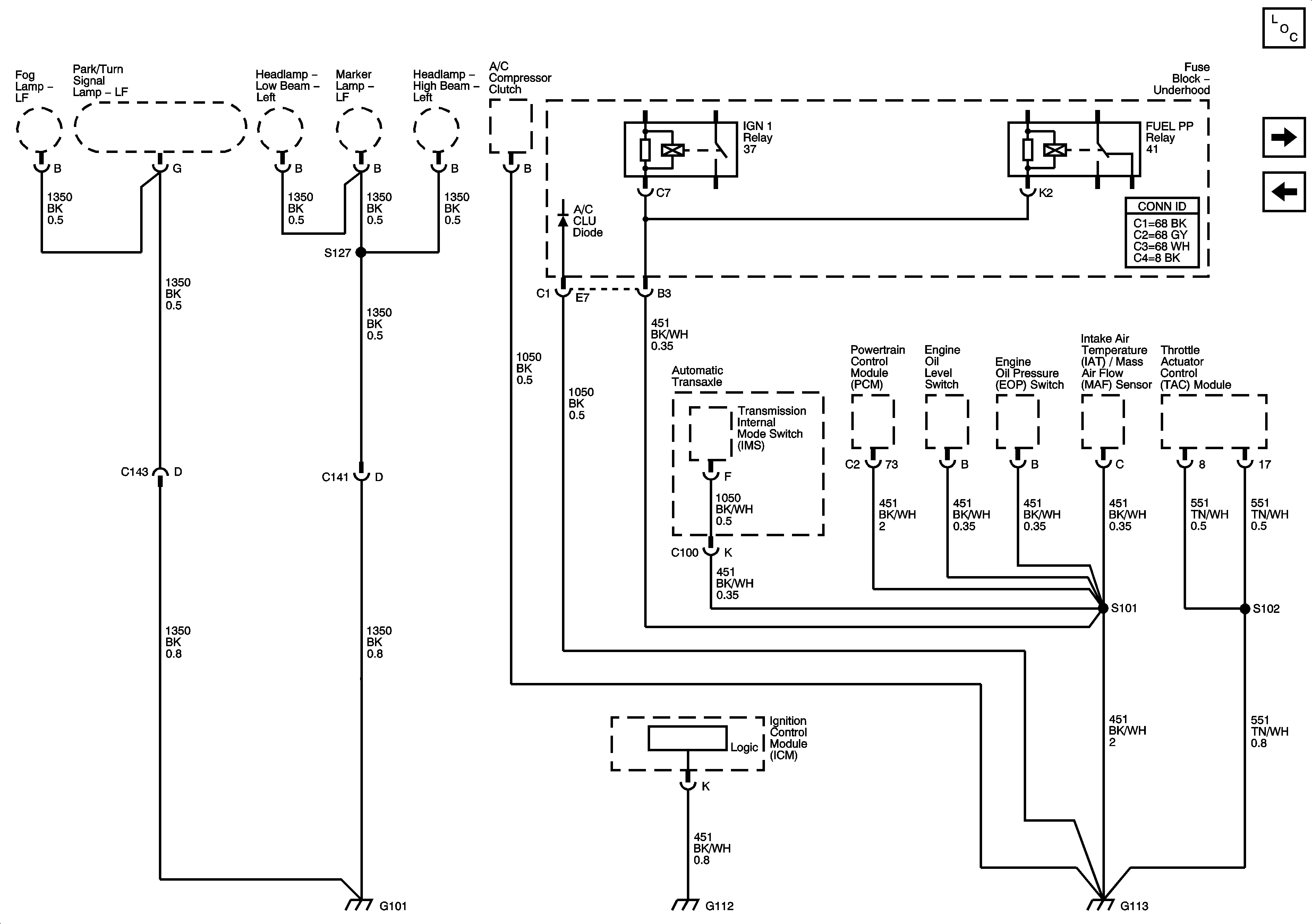
🢒 G101, G112 and G113
G101, G112 and G113
G101, G112, and G113
Master Electrical Component List
G102, G115 and G201
G100