GM Service Manual Online
For 1990-2009 cars only
Makes
🢒
Pontiac
🢒
2004
🢒
Grand Prix
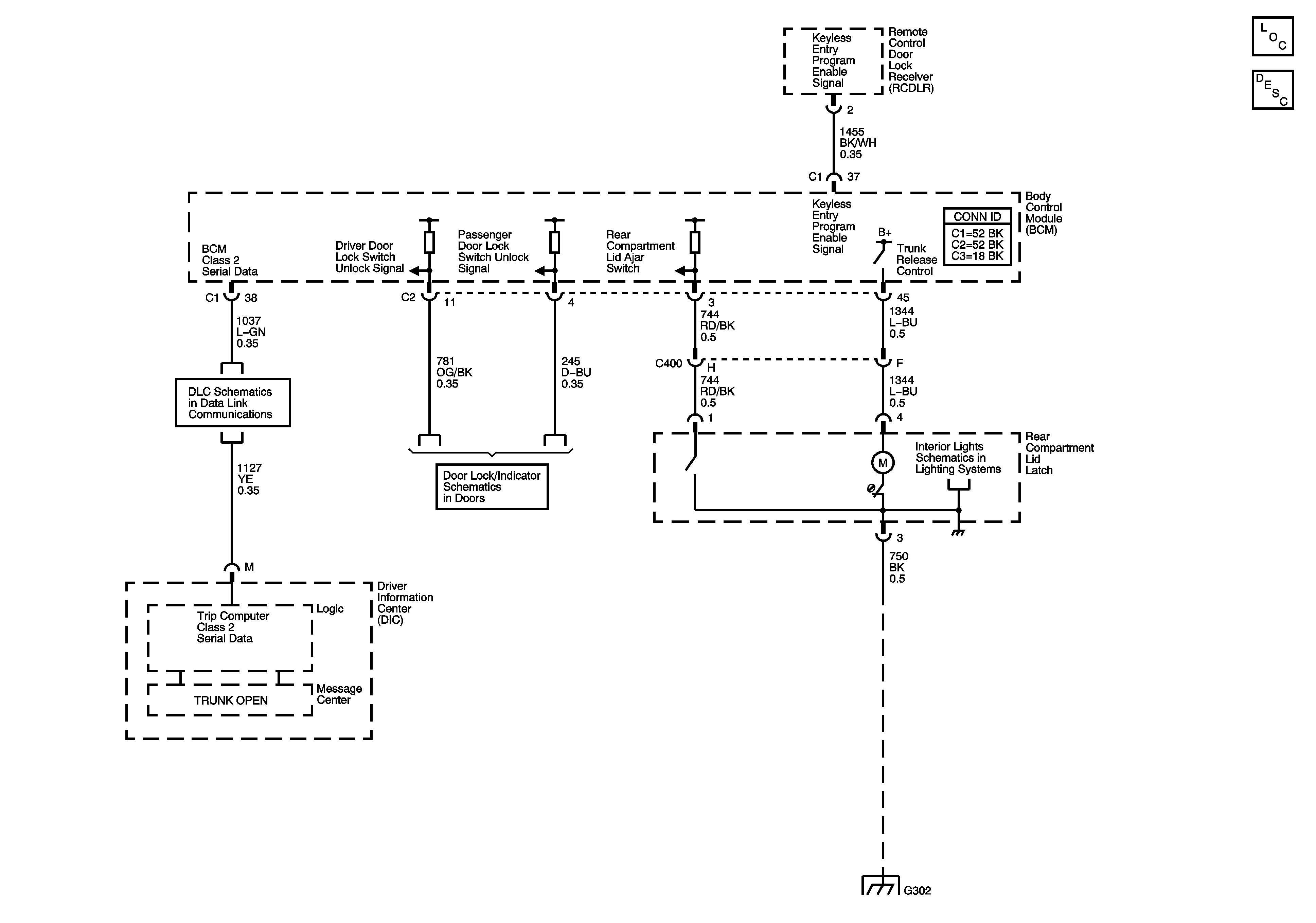
🢒 Body Rear End Schematics
Body Rear End Schematics
Master Electrical Component List
Luggage Compartment Description and Operation
Data Link Connector (DLC) Schematics
Door Lock Switches
Lamps
G302