GM Service Manual Online
For 1990-2009 cars only
Makes
🢒
Pontiac
🢒
2004
🢒
Grand Prix
🢒 Lamps
Lamps
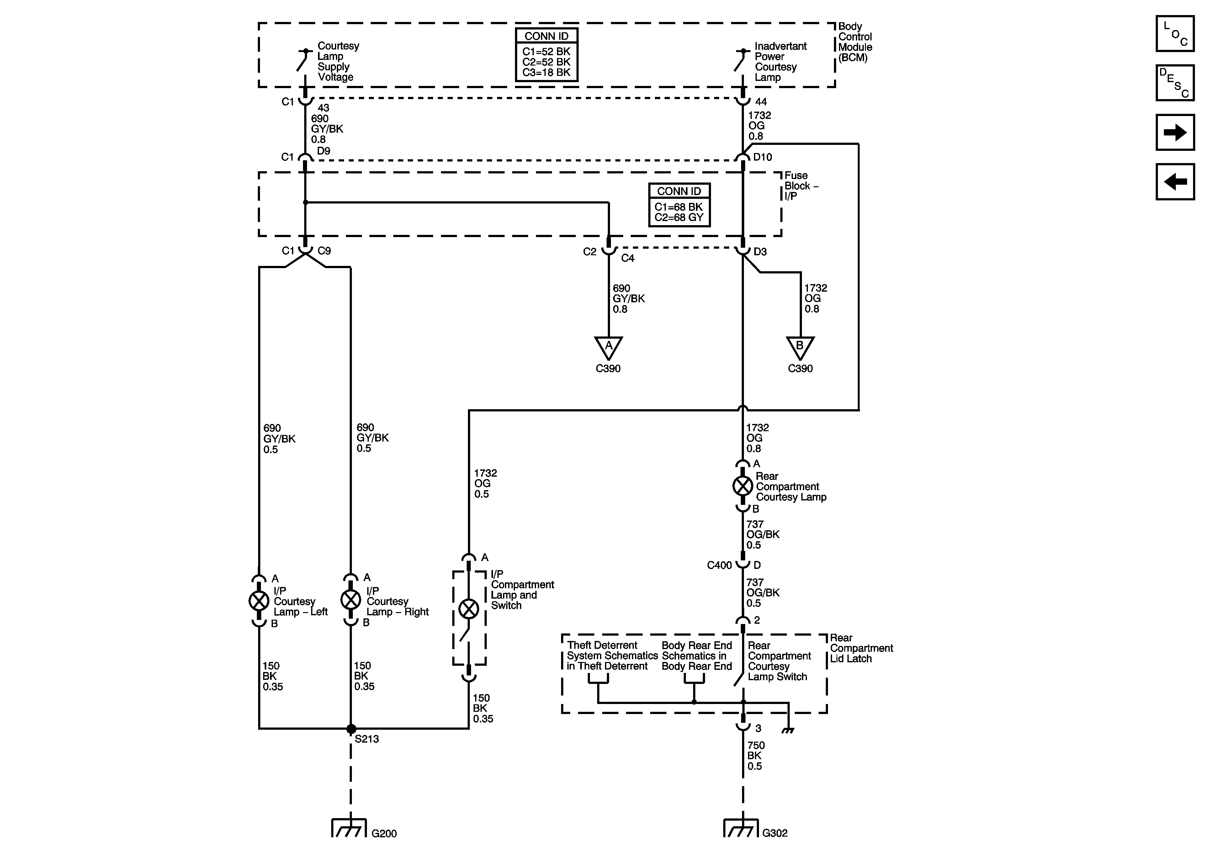
Courtesy Lamps
Master Electrical Component List
Interior Lighting Systems Description and Operation
Overhead Lighting
Switches
Overhead Lighting
Overhead Lighting
Content Theft Deterrent
Body Rear End Schematics
G200
G302