GM Service Manual Online
For 1990-2009 cars only
Makes
🢒
Pontiac
🢒
2004
🢒
Grand Prix
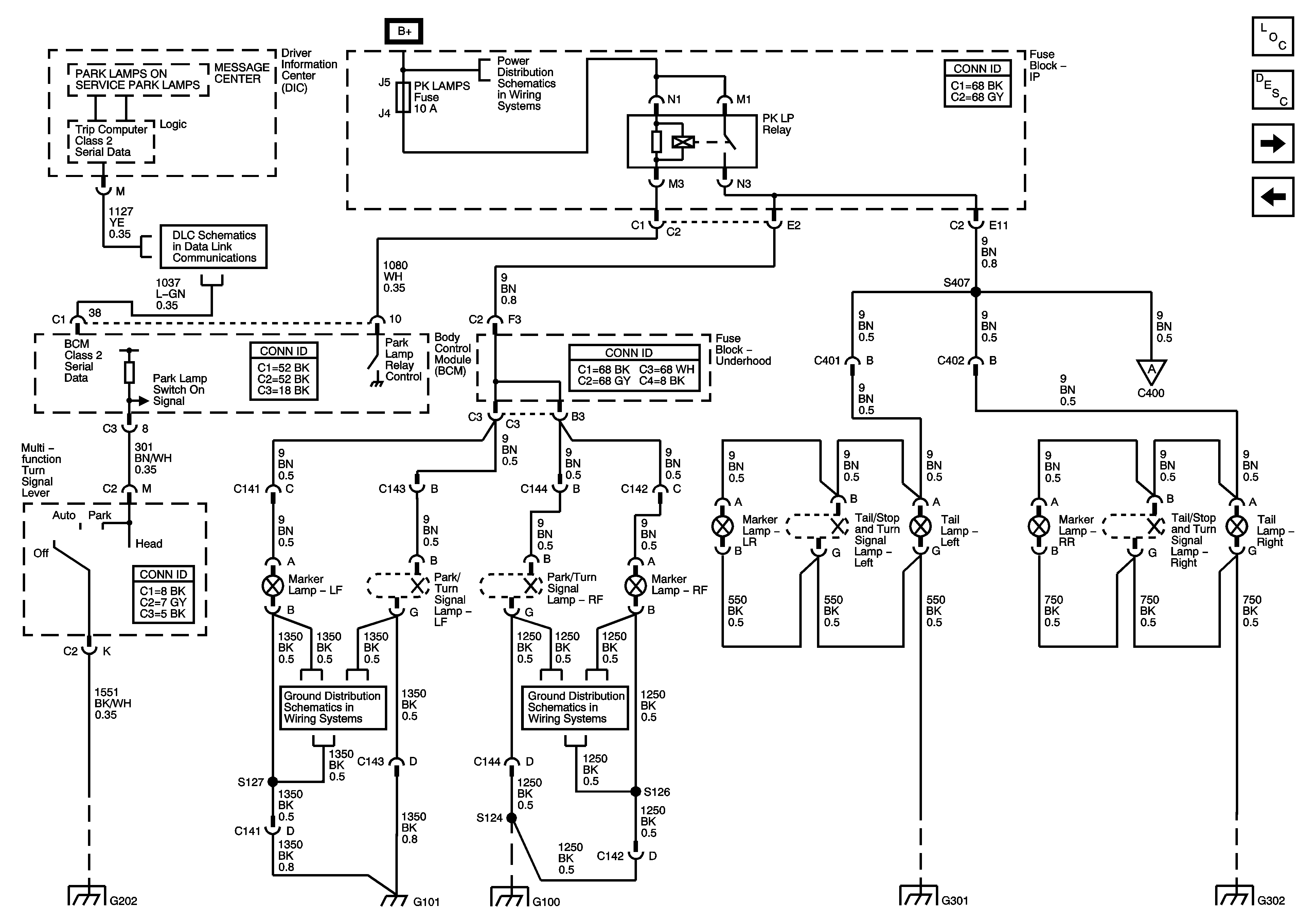
🢒 Park Lamps
Park Lamps
Park Lamps
Master Electrical Component List
Exterior Lighting Systems Description and Operation
Backup and License Lamps
Turn Signal, Hazard and Stop Lamps Outputs
BATT MAIN 1, PK LAMPS, DISPLAYS, CHMSL/BKUP, INT LIGHT, RFA/MOD, RADIO/AMP, ONSTAR/ALDL, HVAC, CANISTER Fuses, and PK LP Relay
BATT MAIN 1, PK LAMPS, DISPLAYS, CHMSL/BKUP, INT LIGHT, RFA/MOD, RADIO/AMP, ONSTAR/ALDL, HVAC, CANISTER Fuses, and PK LP Relay
Data Link Connector (DLC) Schematics
Backup and License Lamps
G101, G112 and G113
G100
G202
G101, G112 and G113
G100
G301
G302