GM Service Manual Online
For 1990-2009 cars only

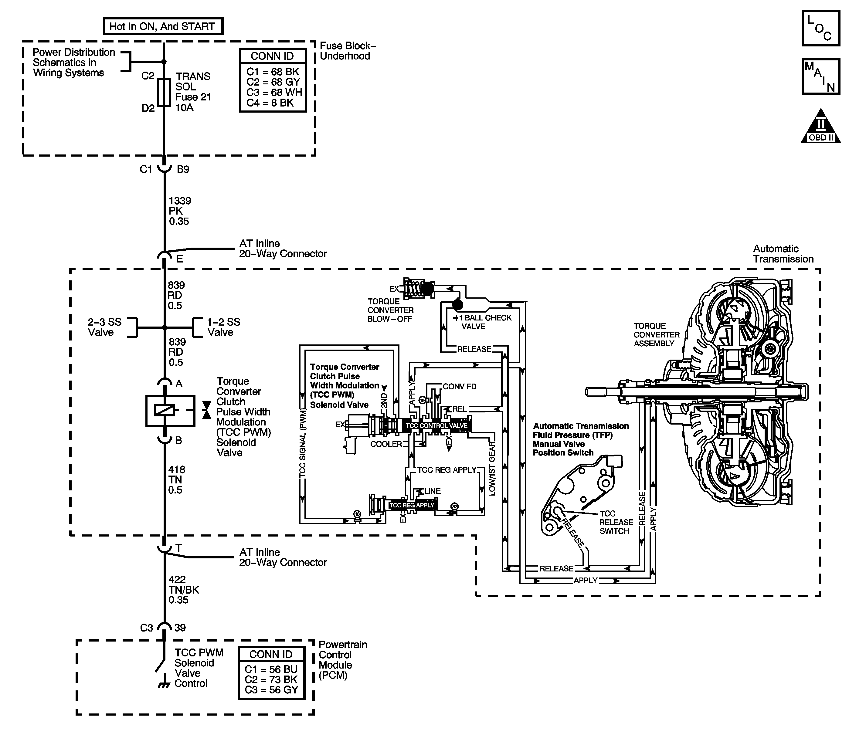
Object Number: 1265016  Size: LF
Master Electrical Component List
Automatic Transmission Controls Schematics
OBD II Symbol Description Notice

Circuit Description

The PCM controls the torque converter clutch pulse width modulation (TCC PWM) solenoid valve. The solenoid controls the hydraulic fluid for TCC apply and release. When the TCC is fully applied, the engine is coupled directly to the transmission through the TCC.

The TCC used is an electronically controlled capacity clutch (ECCC). The PCM will normally allow a small amount of slip to occur with the ECCC. When the TCC is engaged, TCC slip speed is maintained at approximately 20 to 50 RPM.

If the PCM detects high torque converter slip when the TCC is commanded ON, then DTC P0741 sets. DTC P0741 is a type B DTC.

Conditions for Running the DTC

    • No VSS DTC P0502 or P0503.
    • No AT ISS sensor DTC P0716 or P0717.
    • No TCC stuck ON DTC P0742.
    • No TCC PWM solenoid valve DTC P1860.
    • No TCC release switch DTC P1887.
    • The engine torque is greater than 28 N·m (21 lb ft).
    • The transmission fluid temperature is 20-130°C (68-266°F).
    • The TP angle is 4-99%.

Conditions for Setting the DTC

The following conditions occur twice for 7 seconds during the same ignition cycle:

    • The TCC duty cycle is 50% or greater.
    • The TCC slip speed is greater than 180 RPM.

Action Taken When the DTC Sets

    • The PCM illuminates the malfunction indicator lamp (MIL) during the second consecutive trip in which the Conditions for Setting the DTC are met.
    • The PCM inhibits TAP Shift operation, if equipped.
    • The PCM inhibits TCC.
    • The PCM inhibits 4th gear if the transmission is in Hot Mode.
    • The PCM freezes transmission adaptive functions.
    • The PCM records the operating conditions when the Conditions for Setting the DTC are met. The PCM stores this information as Freeze Frame and Failure Records.
    • The PCM stores DTC P0741 in PCM history during the second consecutive trip in which the Conditions for Setting the DTC are met.

Conditions for Clearing the MIL/DTC

    • The PCM turns OFF the MIL during the third consecutive trip in which the diagnostic test runs and passes.
    • A scan tool can clear the MIL/DTC.
    • The PCM clears the DTC from PCM history if the vehicle completes 40 warm-up cycles without an emission-related diagnostic fault occurring.
    • The PCM cancels the DTC default actions when the ignition switch is OFF long enough in order to power down the PCM.

Diagnostic Aids

    • Prior to replacing the torque converter refer to the Torque Converter Replacement Guide .
    • Residue or contamination may cause valves to stick intermittently.
    • An intermittent short to voltage in the signal circuit may also set this DTC.

Test Description

The number below refers to the step number on the diagnostic table.

  1. This step verifies that the TCC engages when commanded ON by the scan tool.

Step

Action

Value(s)

Yes

No

1

Did you perform the Diagnostic System Check - Engine Controls?

--

Go to Step 2

Go to Diagnostic System Check - Engine Controls in Engine Controls 3.8L

2

Did you perform the Transmission Fluid Checking Procedure?

--

Go to Step 3

Go to Transmission Fluid Check

3

  1. Install a scan tool.
  2. Turn ON the ignition with the engine OFF.
  3. Important: Before clearing the DTCs, use the scan tool in order to record the Freeze Frame and Failure Records for reference. Using the Clear DTC Information function will erase the stored Freeze Frame and Failure Records from the PCM.

  4. Record the Freeze Frame and Failure Records.
  5. Clear the DTCs.
  6. Drive the vehicle at 72 km/h (45 mph).
  7. Using the scan tool, command the TCC PWM solenoid valve ON.
  8. Monitor the TCC slip speed.

Does the scan tool indicate the TCC Slip Speed is within the specified value?

-50 RPM to +180 RPM

Go to Diagnostic Aids

Go to Step 4

4

  1. Turn OFF the ignition.
  2. Disconnect the AT inline 20-way harness connector. Additional DTCs may set.
  3. Install the J 44152 Jumper Harness on the engine side of the AT inline 20-way connector.
  4. Using the J 35616 GM Terminal Test Kit, connect a test lamp from terminal T to terminal E of the J 44152 .
  5. Refer to Automatic Transmission Inline 20-Way Connector End View .

  6. Turn ON the ignition with the engine OFF.
  7. Using a scan tool, command the TCC PWM Solenoid valve ON and OFF 3 times.

Does the test lamp turn ON and OFF?

--

Go to Step 6

Go to Step 5

5

Test the control circuit of the TCC PWM Solenoid valve for a short to voltage between the PCM and the AT inline 20-way connector.

Refer to Circuit Testing and Wiring Repairs in Wiring Systems.

Did you find and correct the condition?

--

Go to Step 13

Go to Step 12

6

  1. Install the J 44152 on the transmission side of the AT inline 20-way connector.
  2. Using a DMM, measure the resistance between terminals T and E of the J 44152 . Refer to Automatic Transmission Inline 20-Way Connector End View .

Does the resistance measure within the specified range?

10-15 ohms

Go to Step 7

Go to Step 8

7

Measure the resistance from terminal T and all other terminals of the A/T inline 20-way connector.

Refer to Testing for Continuity in Wiring Systems.

Is the resistance less than the specified value?

10 K ohms

Go to Step 10

Go to Step 11

8

  1. Disconnect the harness from the TCC PWM Solenoid valve.
  2. Measure the resistance of the solenoid.

Is the resistance within the specified range?

10-15 ohms

Go to Step 10

Go to Step 9

9

Replace the TCC PWM Solenoid valve.

Refer to Torque Converter Clutch Pulse Width Modulation Solenoid Replacement .

Did you complete the replacement?

--

Go to Step 13

--

10

Replace the AT wiring harness assembly.

Refer to Wiring Harness Replacement .

Did you complete the replacement?

--

Go to Step 13

--

11

  1. Inspect the following components:
  2. • The cooling system for plugging. The cooling lines may be pinched.
    • The TCC control valve for sticking
    • The TCC regulator valve for sticking
    • The TCC PWM solenoid valve stuck and O-ring seal for leaks
    • Refer to Control Valve Body Disassemble in Transmission Unit Repair Manual.
    • The pressure regulator valve
    • The TCC blowoff valve or spring for damage or not seating
    • Refer to Case Cover Components Inspection in Transmission Unit Repair Manual.
    • The TCC signal orifice in the spacer plate plugged
    • The #1 check ball missing or leaking
    • The spacer plate gaskets torn or leaking
    • Refer to Control Valve Body and Spacer Plate Assemble in Transmission Unit Repair Manual.
    • The turbine shaft seals for leaks
    • Refer to Torque Converter Assembly Removal in Transmission Unit Repair Manual.
    • The torque converter clutch
  3. Repair or replace the component as necessary.

Did you find and correct a condition?

--

Go to Step 13

--

12

Replace the PCM.

Refer to Powertrain Control Module Replacement .

Did you complete the replacement?

--

Go to Step 13

--

13

Perform the following procedure in order to verify the repair:

  1. Select DTC.
  2. Select Clear DTC Information.
  3. Operate the vehicle under the following conditions:
  4. • Drive the vehicle in D3 or D4 until the TCC is engaged.
    • The transmission fluid temperature is 20-130°C (68-266°F).
    • TP angle must be 4-99 percent.
    • The engine torque is greater than 28 N·m (21 lb ft).
    • The TCC is commanded ON at greater than 50 percent duty cycle.
    • TCC slip speed must be less than 50 RPM for at least 4 seconds.
  5. Select Specific DTC.
  6. Enter DTC P0741.

Has the test run and passed?

--

Go to Step 14

Go to Step 2

14

With a scan tool, observe the stored information, capture info and DTC info.

Does the scan tool display any DTCs that you have not diagnosed?

--

Go to Diagnostic Trouble Code (DTC) List in Engine Controls - 3.8L

System OK