GM Service Manual Online
For 1990-2009 cars only
Makes
🢒
Pontiac
🢒
2004
🢒
Grand Prix
🢒
Transmission/Transaxle
🢒
Automatic Transaxle - 4T65-E
🢒 Automatic Transmission Controls Schematics
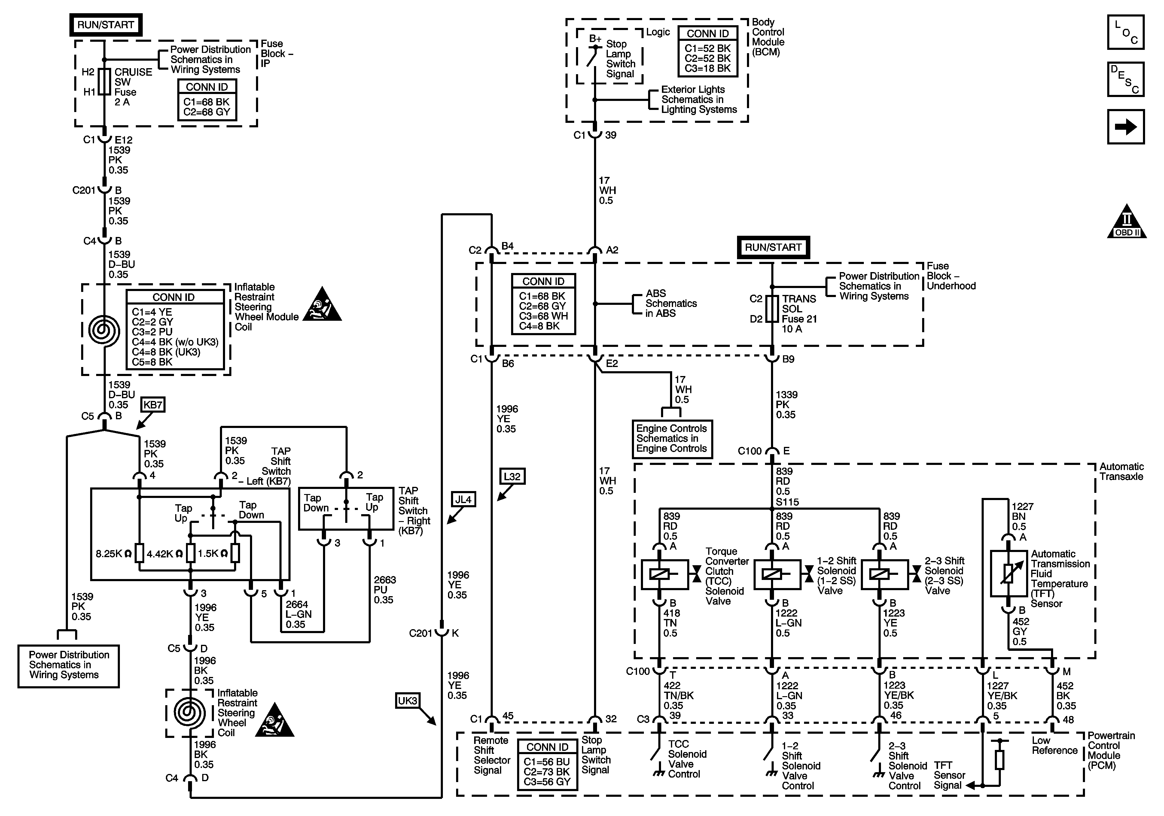
Figure
1:
TAP Shift Switches, Stop Lamp Signal, TFT Sensor and TCC, Shift Solenoids
Master Electrical Component List
Electronic Component Description
VSS and AT ISS Sensors, Pressure Control Solenoid Valve, and TCC Release Switch
Automatic Transmission Schematic Icons
ABS, TRANS SOL, PCM, SIR, DISPLAY, CRUISE SW Fuses, and CRANK Relay
ABS, TRANS SOL, PCM, SIR, DISPLAY, CRUISE SW Fuses, and CRANK Relay
Turn Signal, Hazard and Stop Lamps
Automatic Transmission Schematic Icons
ABS Indicators, Torque Signals, Steering andTraction Control
Electronic Throttle Controls
Fuse Block - Underhood Bussing
ABS, TRANS SOL, PCM, SIR, DISPLAY, CRUISE SW Fuses, and CRANK Relay
ABS, TRANS SOL, PCM, SIR, DISPLAY, CRUISE SW Fuses, and CRANK Relay
Automatic Transmission Schematic Icons
Figure
2:
VSS and AT ISS Sensors, Pressure Control Solenoid Valve, and TCC Release Switch
Master Electrical Component List
Electronic Component Description
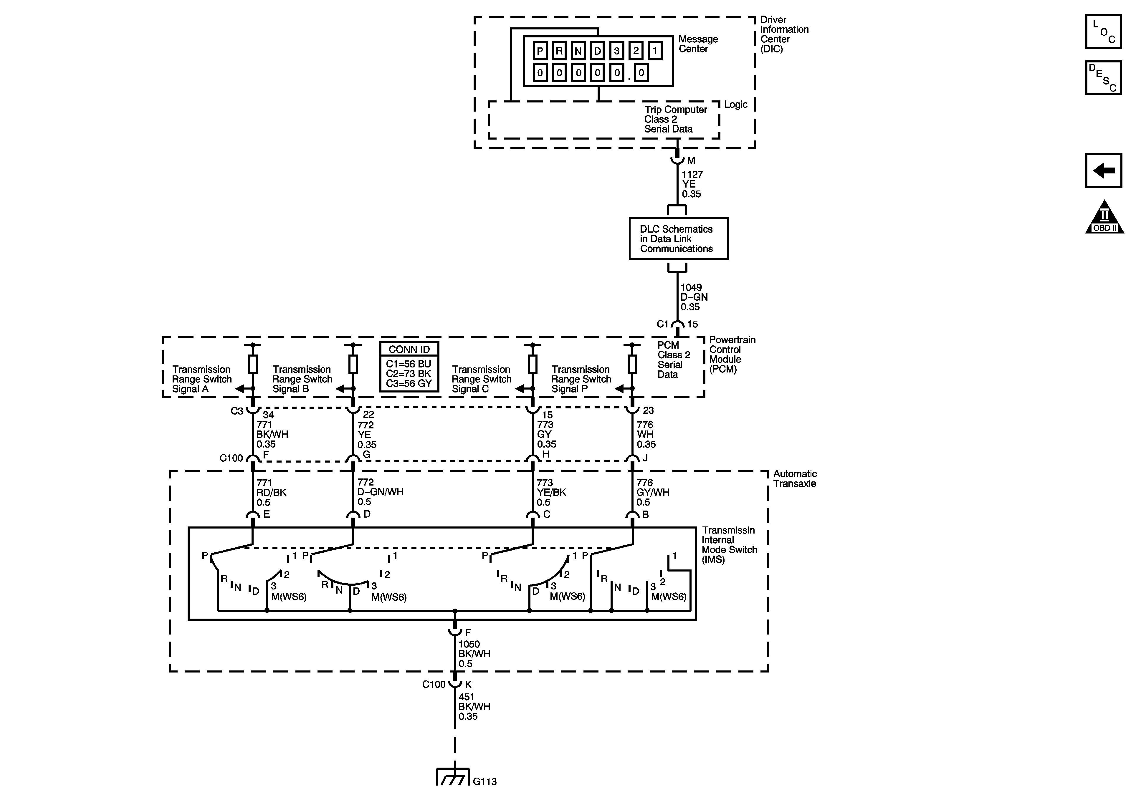
PRNDL, and IMS Switch
TAP Shift Switches, Stop Lamp Signal, TFT Sensor, and TCC, Shift Solenoids
Automatic Transmission Schematic Icons
Automatic Transmission Schematic Icons
Automatic Transmission Schematic Icons
Figure
3:
PRNDL, and IMS Switch
Master Electrical Component List
Electronic Component Description
VSS and AT ISS Sensors, Pressure Control Solenoid Valve, and TCC Release Switch
Automatic Transmission Schematic Icons
Data Link Connector (DLC) Schematics
G101, G112 and G113