GM Service Manual Online
For 1990-2009 cars only
Figure 1:

G100


Object Number: 1457678  Size: FS
Master Electrical Component List
Control Module References
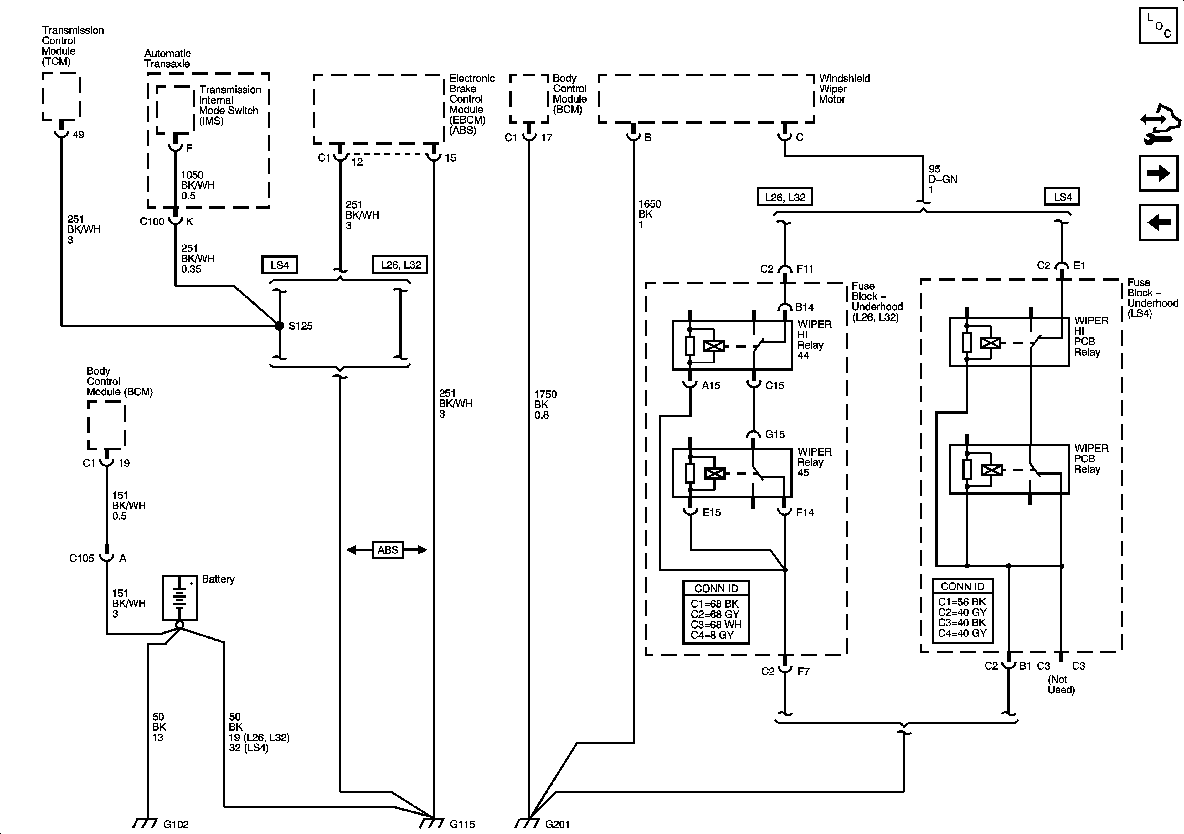
G101, G112 (L26/L32), and G113 (L26/L32)
Figure 2:

G101, G112 (L26, L32), and G113 (L26, L32)


Object Number: 1457680  Size: FS
Master Electrical Component List
Control Module References
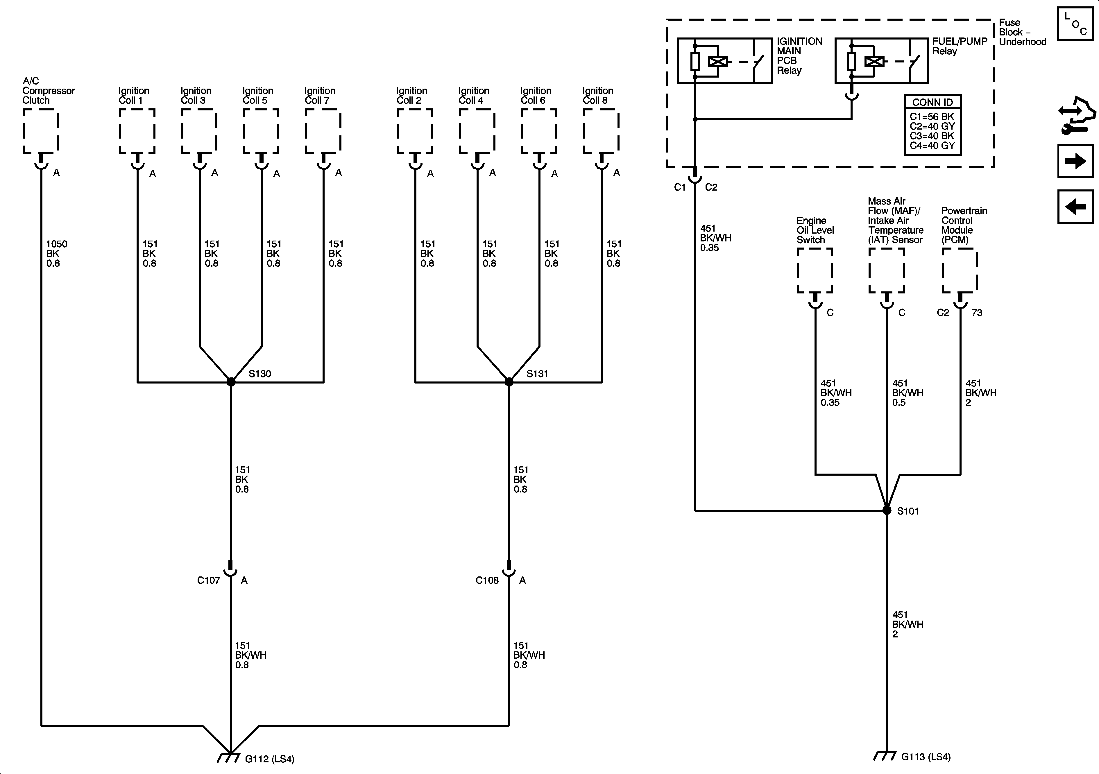
G112 (LS4), and G113 (LS4)
G100
Figure 3:

G112 (LS4), and G113 (LS4)


Object Number: 1550528  Size: FS
Master Electrical Component List
Control Module References
G102, G115 and G201
G101, G112 (L26/L32), and G113 (L26/L32)
Figure 4:

G102, G115, and G201


Object Number: 1457682  Size: FS
Master Electrical Component List
Control Module References
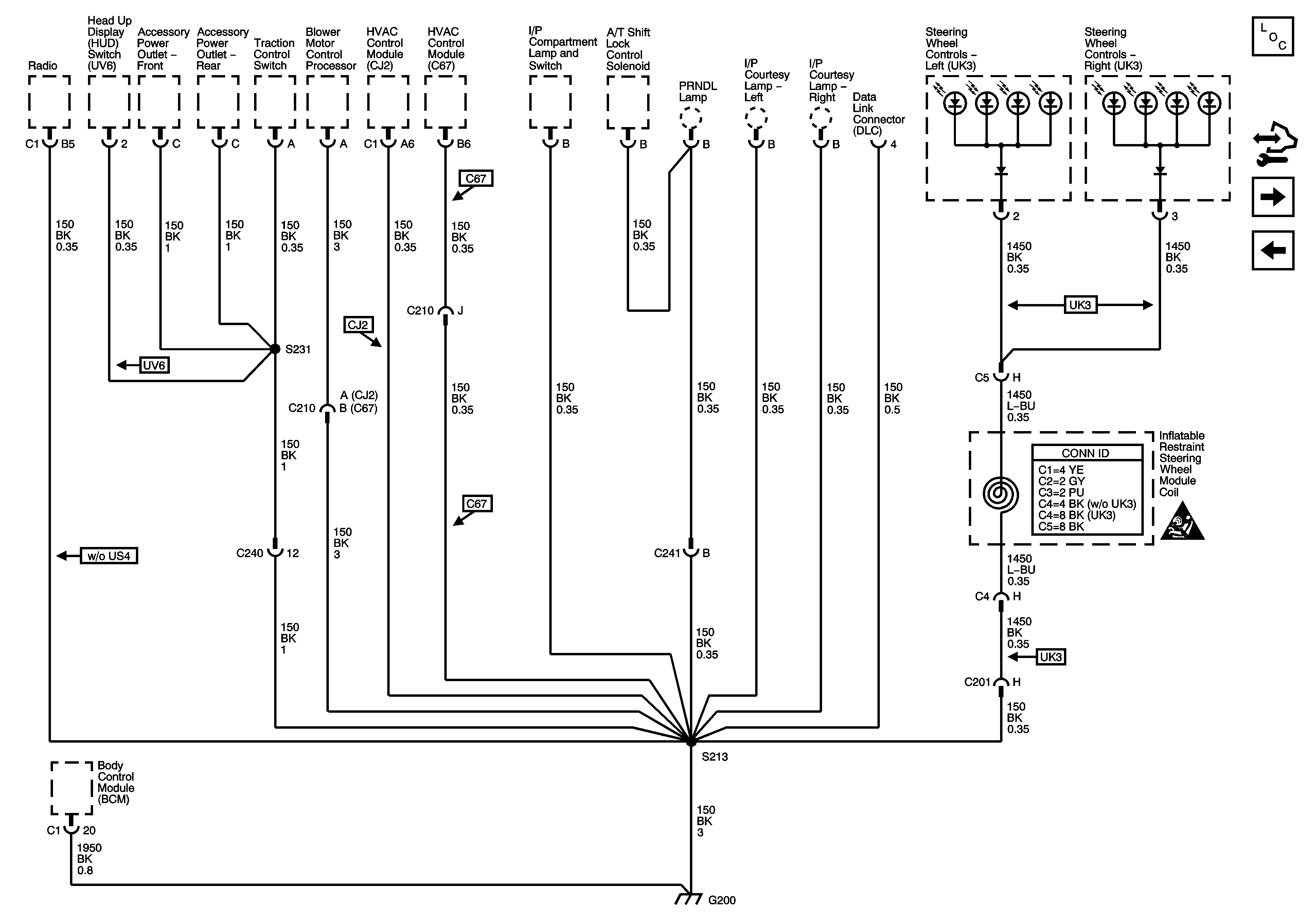
G200
G112 (LS4), and G113 (LS4)
Figure 5:

G200


Object Number: 1457684  Size: FS
Master Electrical Component List
Control Module References
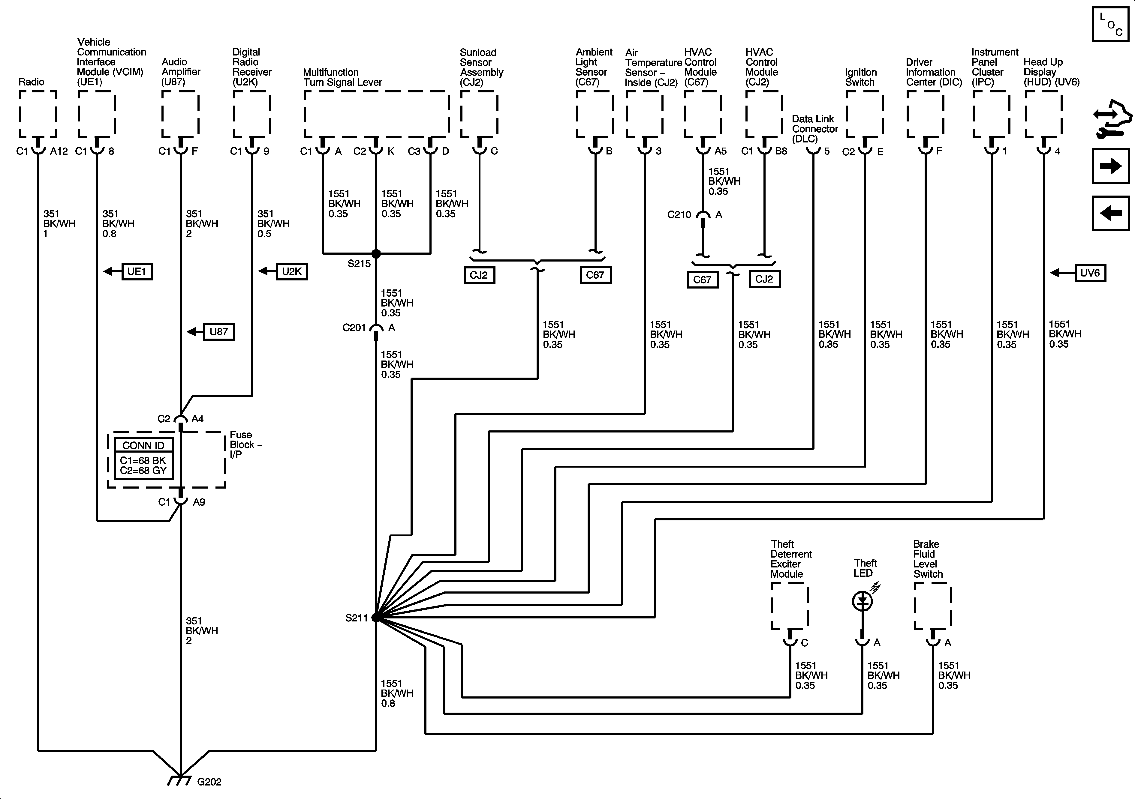
G202
G102, G115 and G201
Power and Grounding Schematic Icons
Figure 6:

G202


Object Number: 1457685  Size: FS
Master Electrical Component List
Control Module References
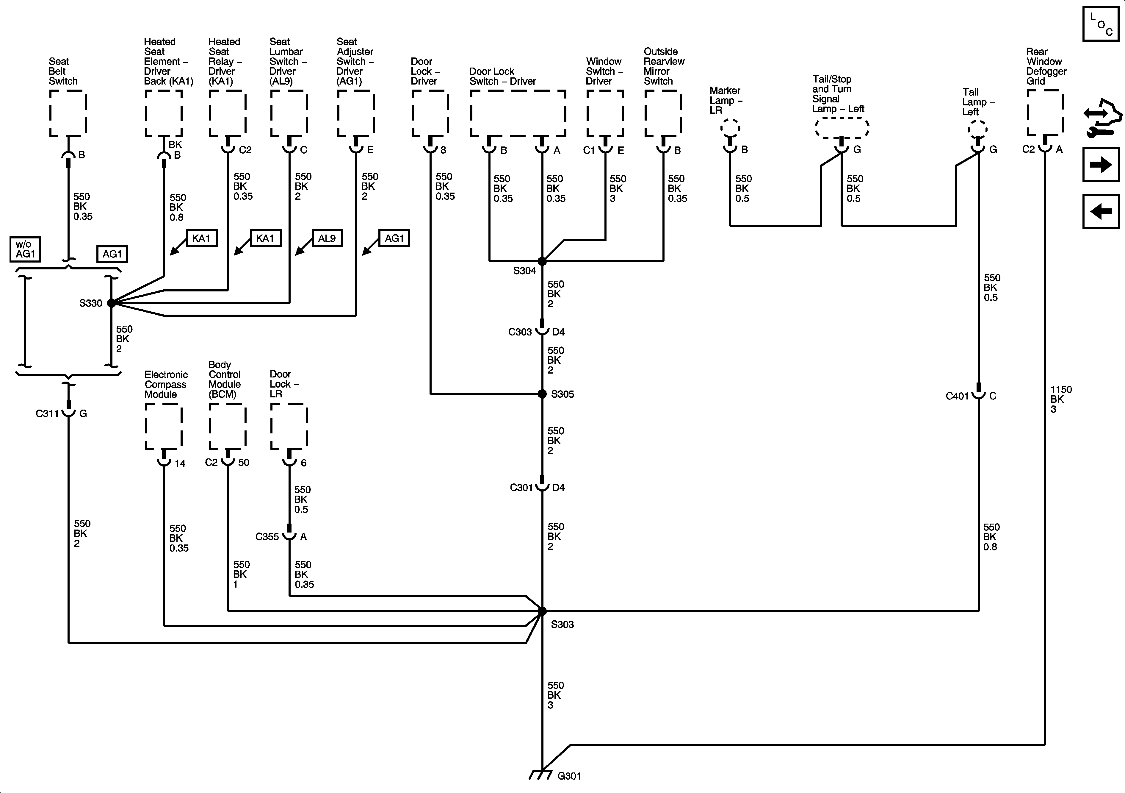
G301
G200
Figure 7:

G301


Object Number: 1457686  Size: FS
Master Electrical Component List
Control Module References
G302
G202
Figure 8:

G302


Object Number: 1457687  Size: FS
Master Electrical Component List
Control Module References
G301
Power and Grounding Schematic Icons