GM Service Manual Online
For 1990-2009 cars only
Figure 1:

Fuse Block - Underhood Bussing (L26, L32)


Object Number: 1457659  Size: FS
Master Electrical Component List
Control Module References
Fuse Block - Underhood Bussing
Figure 2:

Fuse Block - Underhood Bussing (LS4)


Object Number: 1550041  Size: FS
Master Electrical Component List
Control Module References
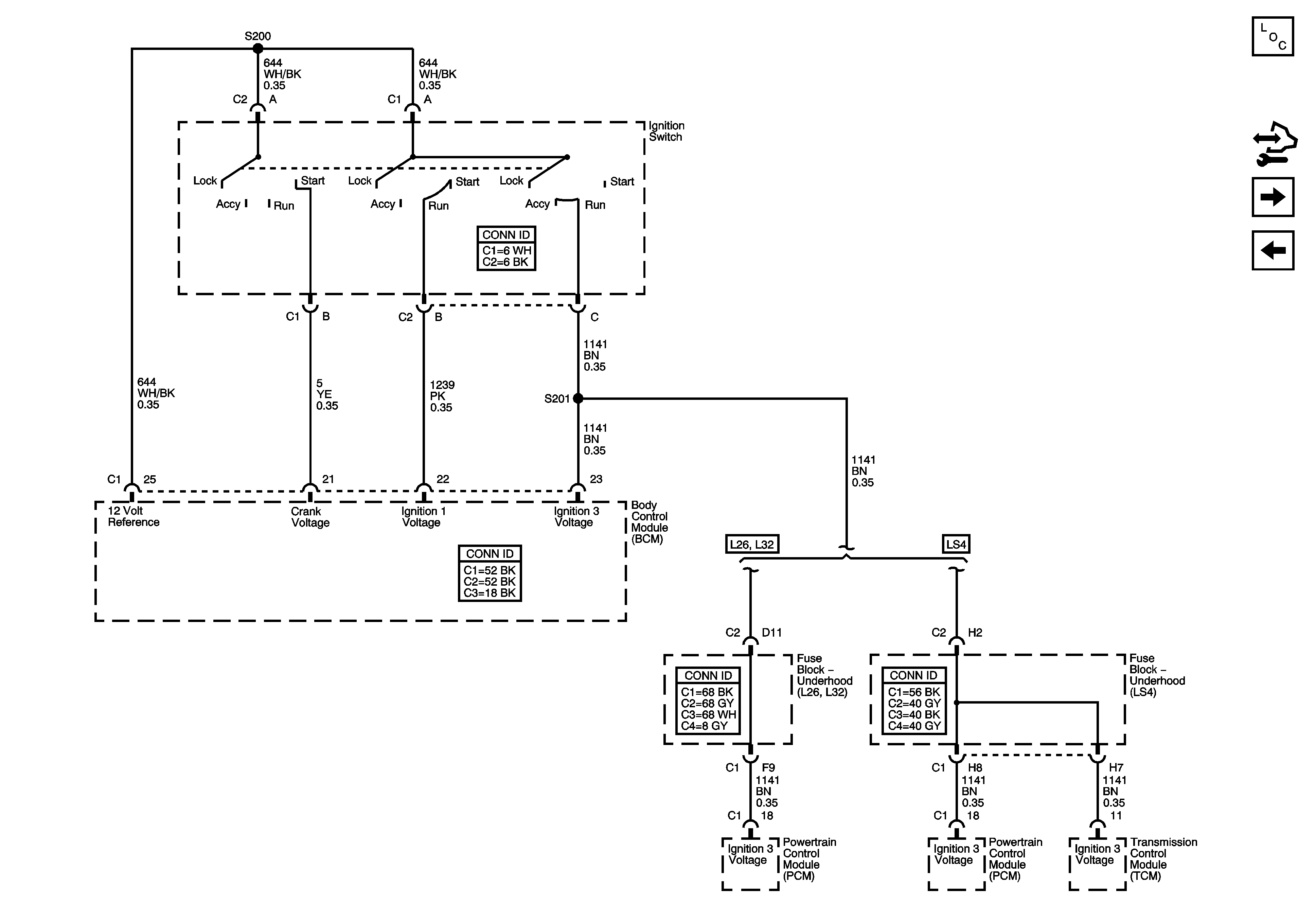
Ignition Switch
Fuse Block Underhood Bussing
Figure 3:

Ignition Switch


Object Number: 1457663  Size: FS
Master Electrical Component List
Control Module References
BATT MAIN 1, PK LAMPS, DISPLAS, CHMSL/BKUP, INT LIGHT, RFA MOD, RADIO/AMP, ONSTAR/ALDL, HVAC, CANISTER Fuses and PKLP Relay
Fuse Block - Underhood Bussing
Figure 4:

BATT MAIN 1, BATT 1, PK LAMPS, DISPLAYS, CHMSL/BKUP, INT LIGHT, RFA/MOD, RADIO/AMP, ONSTAR/ALDL, HVAC, CANISTER Fuses, and PK LP Relay


Object Number: 1457665  Size: FS
Master Electrical Component List
Control Module References
BATT MAIN 2, HDT SEAT, PWR MIRS, TURN/HAZ, DR LK/TRUN,, SUNROOF Fuses, PWR SEAT, PWR WDO Circuit Breakers, and RAP Relay
Ignition Switch
Fuse Block Underhood Bussing
Fuse Block Underhood Bussing
Fuse Block - Underhood Bussing
Fuse Block - Underhood Bussing
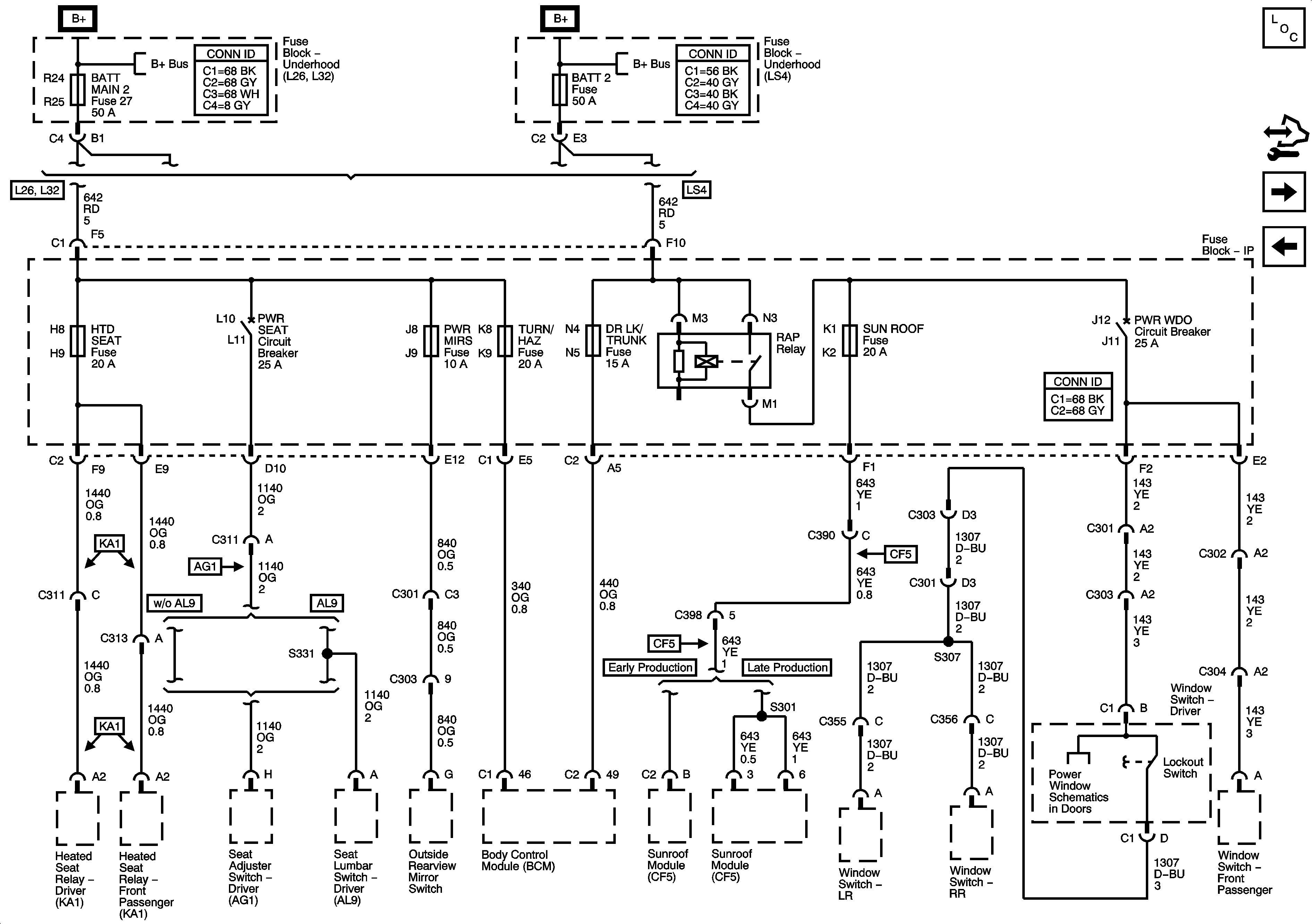
Figure 5:

BATT MAIN 2, BATT 2, HTD SEAT, PWR MIRS, TURN/HAZ, DR LK/TRUNK, SUNROOF Fuses, PWR SEAT, PWR WDO Circuit Breakers, and RAP Relay


Object Number: 1457667  Size: FS
Master Electrical Component List
Control Module References
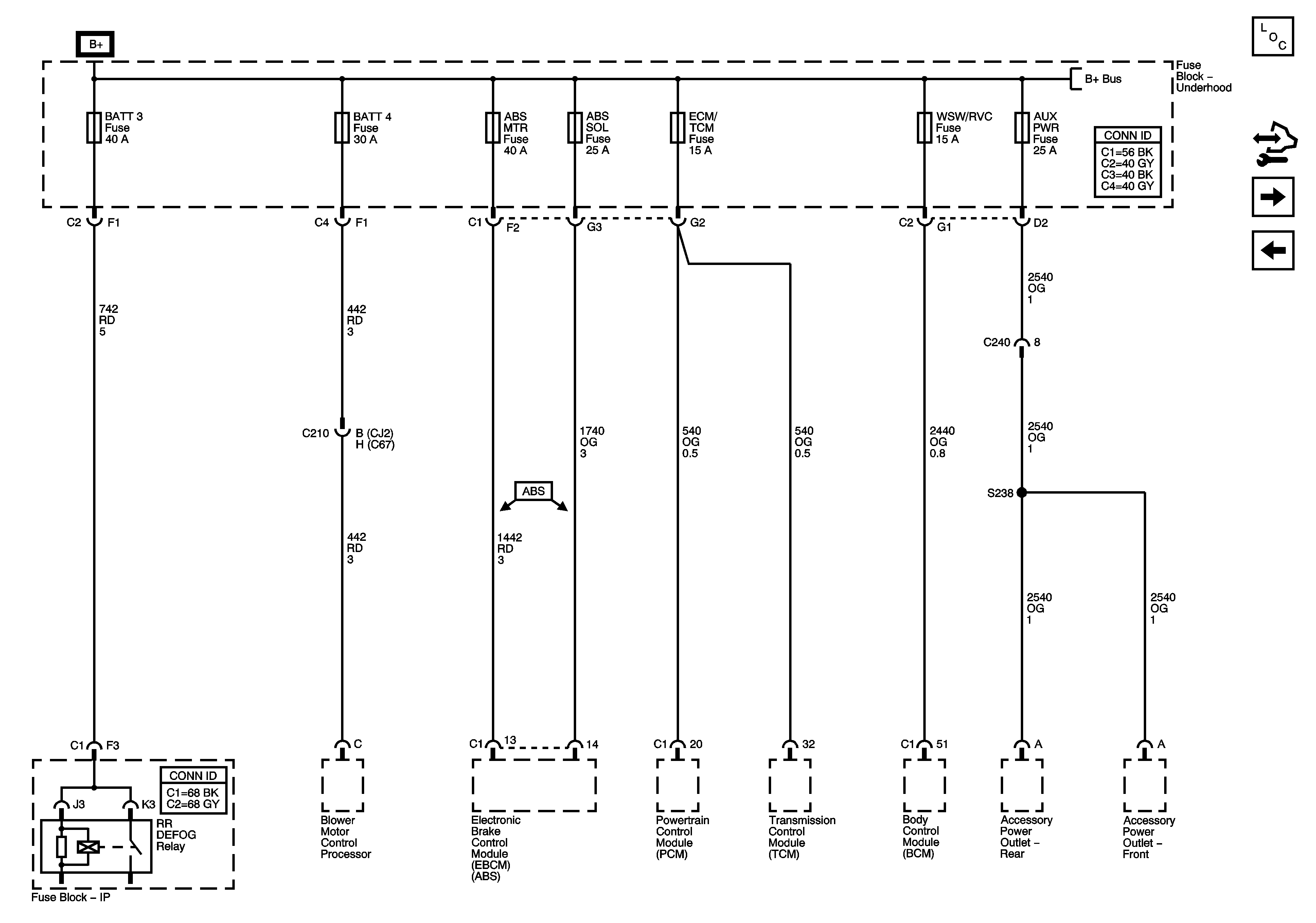
BATT MAIN 3, BATT MAIN 4, ABS MTR, ABS SOL, PCM/ETC, AIR PUMP, WASHER RVC, and AUX PWR Fuses
BATT MAIN 1, PK LAMPS, DISPLAS, CHMSL/BKUP, INT LIGHT, RFA MOD, RADIO/AMP, ONSTAR/ALDL, HVAC, CANISTER Fuses and PKLP Relay
Fuse Block Underhood Bussing
Fuse Block Underhood Bussing
Fuse Block - Underhood Bussing
Fuse Block - Underhood Bussing
Figure 6:

BATT MAIN 3, BATT MAIN 4, ABS MTR, ABS SOL, PCM/ETC, AIR PUMP, WASHER/RVC, and AUX PWR Fuses (L26, L32)


Object Number: 1457668  Size: FS
Master Electrical Component List
Control Module References
BATT 3, BATT 4, ABS MTR, ABS SOL, ECM/TCM, WSW/RVC, and AUX PWR Fuses
BATT MAIN 2, HDT SEAT, PWR MIRS, TURN/HAZ, DR LK/TRUN,, SUNROOF Fuses, PWR SEAT, PWR WDO Circuit Breakers, and RAP Relay
Fuse Block Underhood Bussing
Fuse Block Underhood Bussing
Figure 7:

BATT 3, BATT 4, ABS MTR, ABS SOL, ECM/TCM, WSW/RVC, and AUX PWR Fuses (LS4)


Object Number: 1550051  Size: FS
Master Electrical Component List
Control Module References
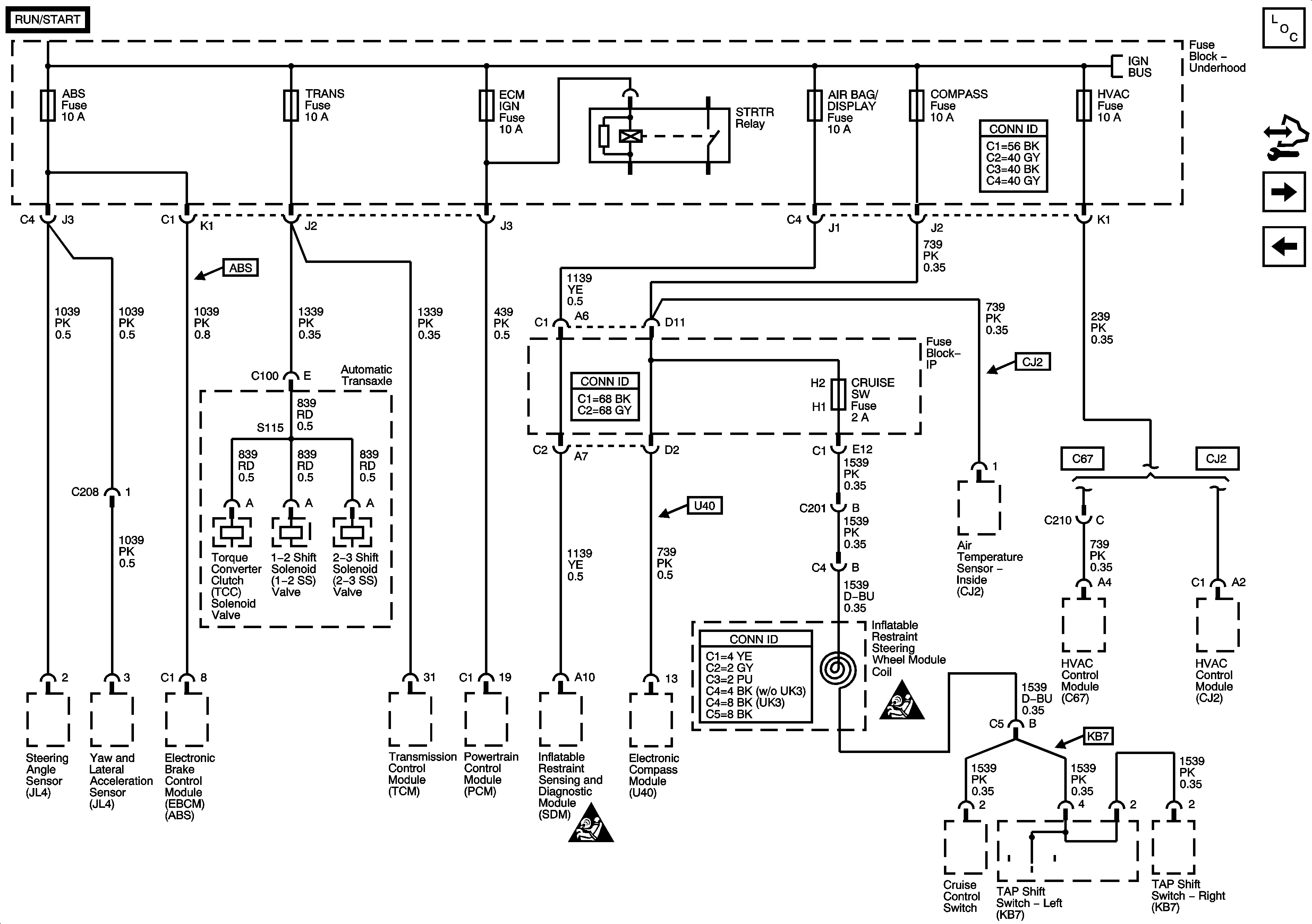
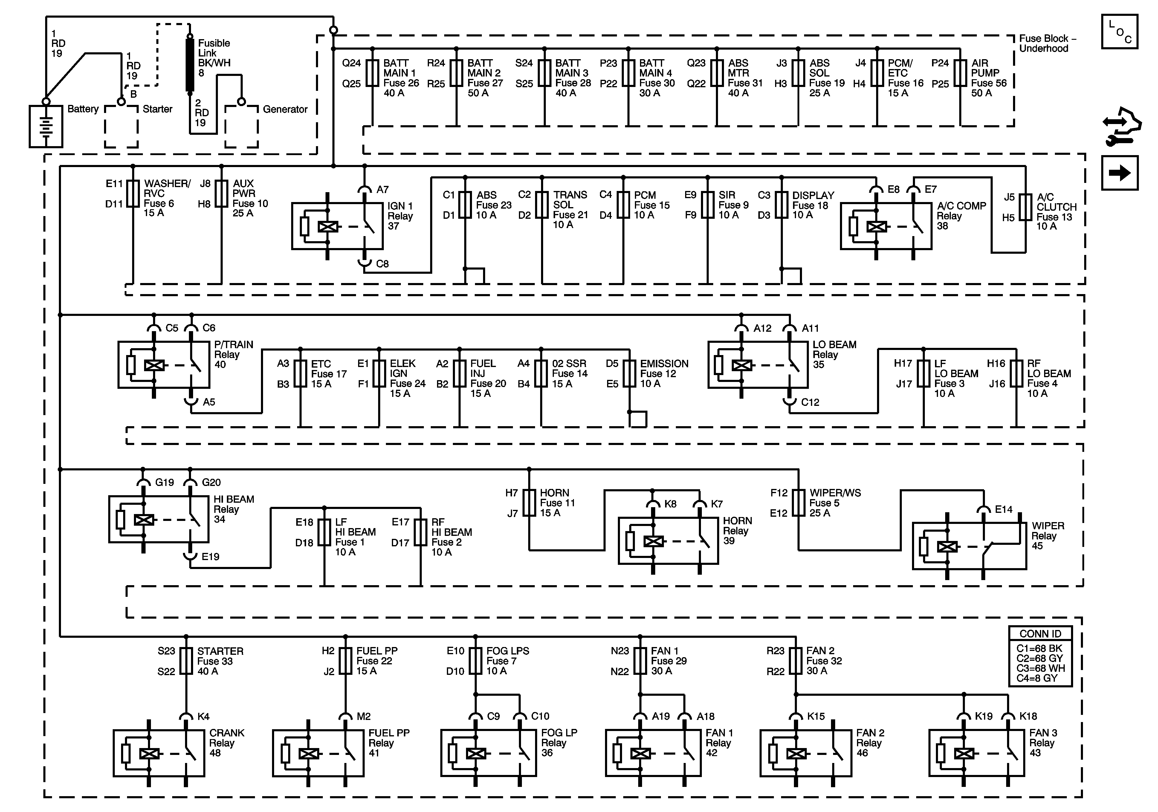
ABS, TRANS SOL, PCM, SIR, DISPLAY, CRUISE SW Fuses, and CRANK Relay
BATT MAIN 3, BATT MAIN 4, ABS MTR, ABS SOL, PCM/ETC, AIR PUMP, WASHER RVC, and AUX PWR Fuses
Fuse Block - Underhood Bussing
Fuse Block - Underhood Bussing
Figure 8:

ABS, TRANS SOL, PCM, SIR, DISPLAY, CRUISE SW Fuses, and CRANK Relay (L26, L32)


Object Number: 1457669  Size: FS
Master Electrical Component List
Control Module References
ABS, TRANS, ECM IGN, AIRBAG/DISPLAY, COMPASS, HVAC Fuses and STRTR Relay
BATT 3, BATT 4, ABS MTR, ABS SOL, ECM/TCM, WSW/RVC, and AUX PWR Fuses
Fuse Block Underhood Bussing
Fuse Block Underhood Bussing
Power and Grounding Schematic Icons
Power and Grounding Schematic Icons
Figure 9:

ABS, TRANS, ECM IGM, AIR BAG/DISPLAY, COMPASS, HVAC Fuses, and STRTR Relay (LS4)


Object Number: 1550055  Size: FS
Master Electrical Component List
Control Module References
ETC, ELEK IGN, FUEL INJ, O2 SSR, and EMISSION Fuses
ABS, TRANS SOL, PCM, SIR, DISPLAY, CRUISE SW Fuses, and CRANK Relay
Fuse Block - Underhood Bussing
Fuse Block - Underhood Bussing
Power and Grounding Schematic Icons
Power and Grounding Schematic Icons
Figure 10:

ETC, ELEK IGN, FUEL INJ, 02 SSR, and EMISSION Fuses (L26, L32)


Object Number: 1457671  Size: FS
Master Electrical Component List
Control Module References
ETC/ECM, INJ 1, INJ 2, EMISSION1, EMISSION2 Fuses, and CMPRSR Relay
ABS, TRANS, ECM IGN, AIRBAG/DISPLAY, COMPASS, HVAC Fuses and STRTR Relay
Fuse Block Underhood Bussing
Fuse Block Underhood Bussing
Figure 11:

ETC/ECM, INJ 1 and INJ 2 Fuses (LS4)


Object Number: 1550064  Size: FS
Master Electrical Component List
Control Module References
EMISSIONS1, EMISSIONS2, A/C CMPRSR Fuses, and A/C CMPRSR Relay
ETC, ELEK IGN, FUEL INJ, O2 SSR, and EMISSION Fuses
Fuse Block - Underhood Bussing
Fuse Block - Underhood Bussing
Figure 12:

EMISSIONS1, EMISSIONS2, A/C CMPRSR Fuses and A/C CMPRSR Relay (LS4)


Object Number: 1560838  Size: FS
Master Electrical Component List
Control Module References
LF LOW BEAM RF LOW BEAM, LF HIGH BEAM, RF HIGH BEAM, and SPRING COIL 2 Fuses
ETC/ECM, INJ 1, INJ 2, EMISSION1, EMISSION2 Fuses, and CMPRSR Relay
Fuse Block - Underhood Bussing
Fuse Block - Underhood Bussing
Figure 13:

LF LOW BEAM, RF LOW BEAM, LF HI BEAM, RF HI BEAM, LT LOW BEAM, RT LOW BEAM, LT HI BEAM, RT HI BEAM and SPRING COIL 2 Fuses


Object Number: 1457676  Size: FS
Master Electrical Component List
Control Module References
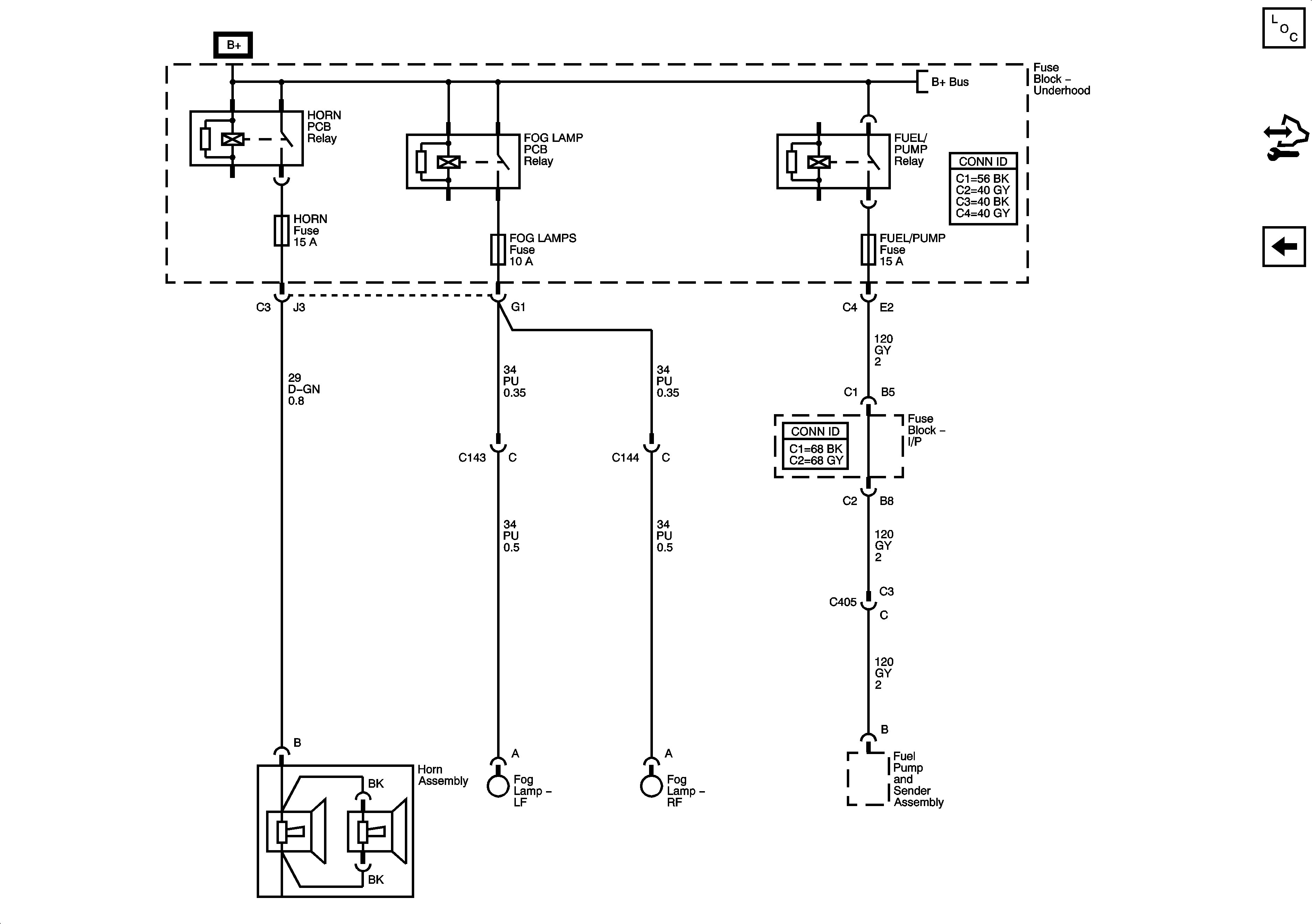
HORN, FOG LAMPS, FUEL PUMP Fuses, HORN PCB, FOG LAMP PCB and FUEL PUMP Relays
EMISSIONS1, EMISSIONS2, A/C CMPRSR Fuses, and A/C CMPRSR Relay
Fuse Block Underhood Bussing
Fuse Block Underhood Bussing
Fuse Block Underhood Bussing
Fuse Block Underhood Bussing
Interior Lamp Switch, I/P and Driver Door Lighting
Steering Wheel and Front Passenger Door Lighting
Power and Grounding Schematic Icons
Figure 14:

HORN, FOG LAMPS, FUEL PUMP Fuses, HORN PCB, FOG LAMP PCB and FUEL PUMP Relays (LS4)


Object Number: 1560843  Size: FS
Master Electrical Component List
Control Module References
LF LOW BEAM RF LOW BEAM, LF HIGH BEAM, RF HIGH BEAM, and SPRING COIL 2 Fuses
Fuse Block - Underhood Bussing
Fuse Block - Underhood Bussing