GM Service Manual Online
For 1990-2009 cars only
Makes
🢒
Pontiac
🢒
2005
🢒
Grand Prix
🢒
Vehicle Control Systems
🢒
Vehicle DTC Information
🢒 Sunroof Schematics
Figure
1:
Early Production
Master Electrical Component List
Sunroof Description and Operation (2 Connector System)
Control Module References
Late Production
Fuse Block Underhood Bussing
Fuse Block Underhood Bussing
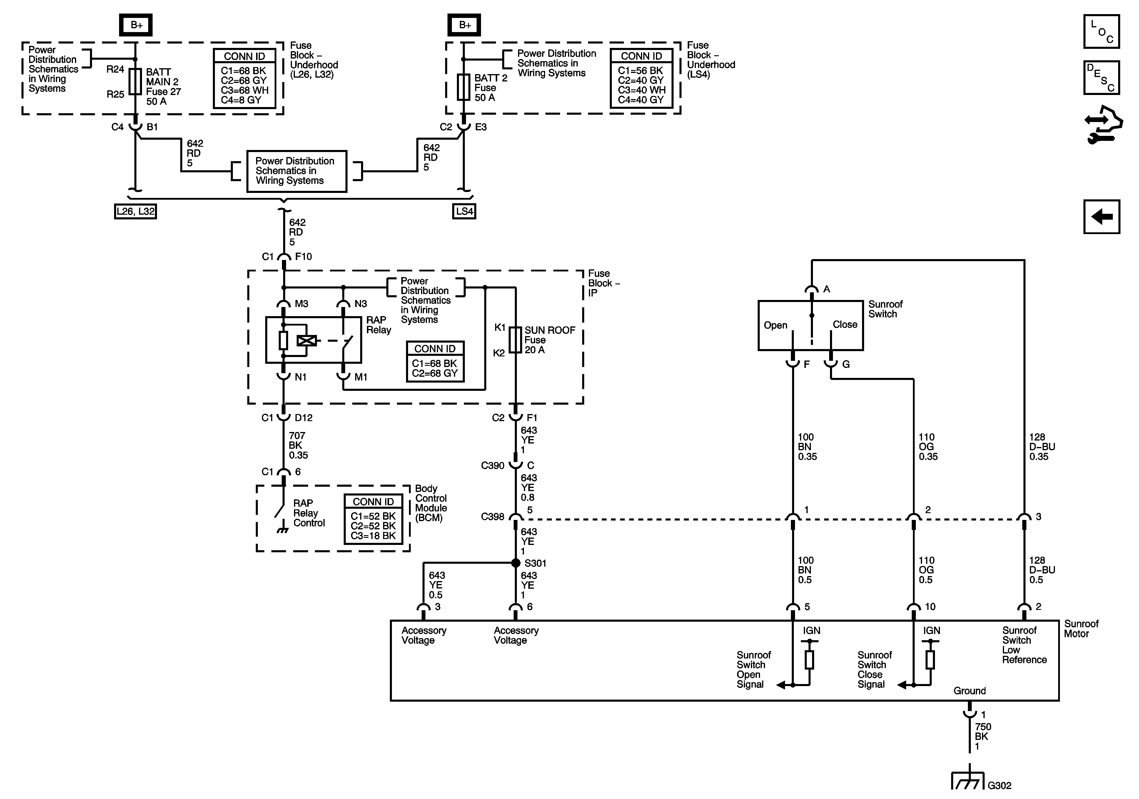
BATT MAIN 2, HDT SEAT, PWR MIRS, TURN/HAZ, DR LK/TRUN,, SUNROOF Fuses, PWR SEAT, PWR WDO Circuit Breakers, and RAP Relay
BATT MAIN 2, HDT SEAT, PWR MIRS, TURN/HAZ, DR LK/TRUN,, SUNROOF Fuses, PWR SEAT, PWR WDO Circuit Breakers, and RAP Relay
G302
Figure
2:
Late Production
Master Electrical Component List
Sunroof Description and Operation (One Connector System)
Control Module References
Power Sunroof Schematics
Fuse Block Underhood Bussing
Fuse Block Underhood Bussing
BATT MAIN 2, HDT SEAT, PWR MIRS, TURN/HAZ, DR LK/TRUN,, SUNROOF Fuses, PWR SEAT, PWR WDO Circuit Breakers, and RAP Relay
BATT MAIN 2, HDT SEAT, PWR MIRS, TURN/HAZ, DR LK/TRUN,, SUNROOF Fuses, PWR SEAT, PWR WDO Circuit Breakers, and RAP Relay
G302
Fuse Block - Underhood Bussing
Fuse Block - Underhood Bussing