GM Service Manual Online
For 1990-2009 cars only
Figure 1:

Turn Signal, Hazard, and Stop Lamps Inputs


Object Number: 1457836  Size: FS
Master Electrical Component List
Exterior Lighting Systems Description and Operation
Control Module References
Turn Signal, Hazard and Stop Lamps Outputs
BATT MAIN 2, HDT SEAT, PWR MIRS, TURN/HAZ, DR LK/TRUN,, SUNROOF Fuses, PWR SEAT, PWR WDO Circuit Breakers, and RAP Relay
BATT MAIN 2, HDT SEAT, PWR MIRS, TURN/HAZ, DR LK/TRUN,, SUNROOF Fuses, PWR SEAT, PWR WDO Circuit Breakers, and RAP Relay
Data Link Communication
G202
LS4
Figure 2:

Turn Signal, Hazard, and Stop Lamps Outputs


Object Number: 1457840  Size: FS
Master Electrical Component List
Exterior Lighting Systems Description and Operation
Control Module References
Park Lamps
Turn Signal, Hazard, and Stop Lamps Inputs
G302
G302
G301
G101, G112 (L26/L32), and G113 (L26/L32)
G100
G302
G301
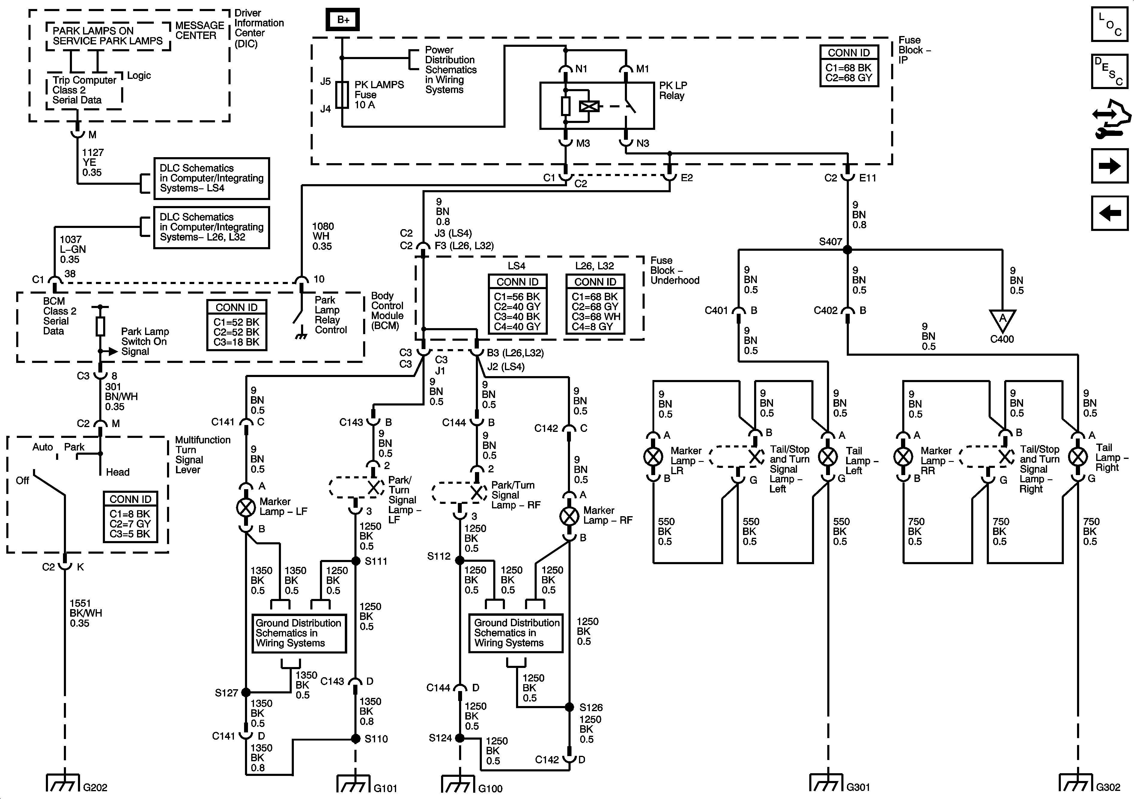
Figure 3:

Park Lamps


Object Number: 1457841  Size: FS
Master Electrical Component List
Exterior Lighting Systems Description and Operation
Control Module References
Backup and LIcense Lamps
Turn Signal, Hazard and Stop Lamps Outputs
BATT MAIN 1, PK LAMPS, DISPLAS, CHMSL/BKUP, INT LIGHT, RFA MOD, RADIO/AMP, ONSTAR/ALDL, HVAC, CANISTER Fuses and PKLP Relay
BATT MAIN 1, PK LAMPS, DISPLAS, CHMSL/BKUP, INT LIGHT, RFA MOD, RADIO/AMP, ONSTAR/ALDL, HVAC, CANISTER Fuses and PKLP Relay
Data Link Communication
Backup and LIcense Lamps
G101, G112 (L26/L32), and G113 (L26/L32)
G100
G202
G101, G112 (L26/L32), and G113 (L26/L32)
G100
G301
G302
LS4
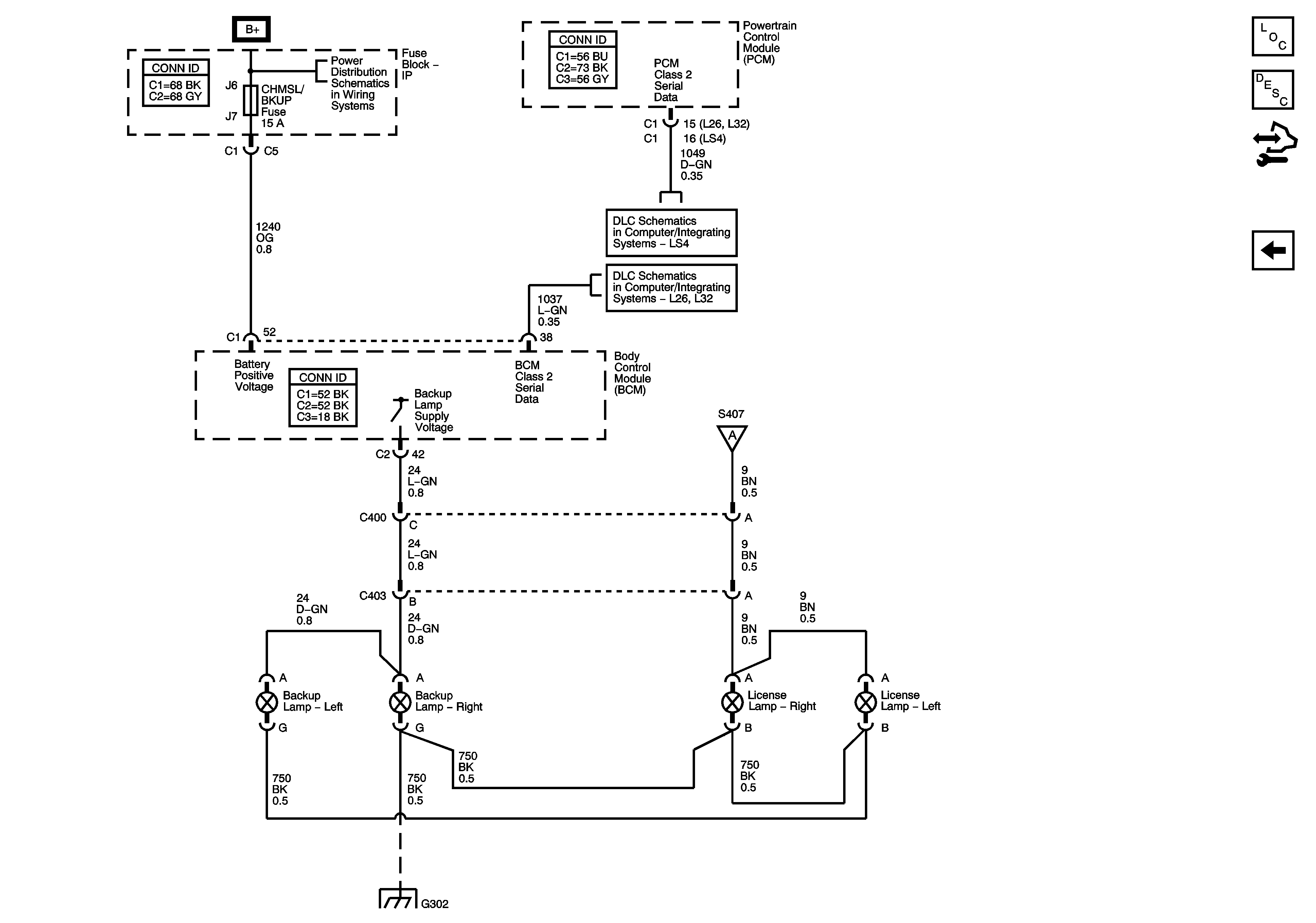
Figure 4:

Backup and License Lamps


Object Number: 1457842  Size: FS
Master Electrical Component List
Exterior Lighting Systems Description and Operation
Control Module References
Park Lamps
BATT MAIN 1, PK LAMPS, DISPLAS, CHMSL/BKUP, INT LIGHT, RFA MOD, RADIO/AMP, ONSTAR/ALDL, HVAC, CANISTER Fuses and PKLP Relay
BATT MAIN 1, PK LAMPS, DISPLAS, CHMSL/BKUP, INT LIGHT, RFA MOD, RADIO/AMP, ONSTAR/ALDL, HVAC, CANISTER Fuses and PKLP Relay
Data Link Communication
Park Lamps
G302
LS4