GM Service Manual Online
For 1990-2009 cars only
Figure 1:

Power, Ground and Blower Motor Controls


Object Number: 1653422  Size: FS
Master Electrical Component List
Air Delivery Description and Operation
Control Module References
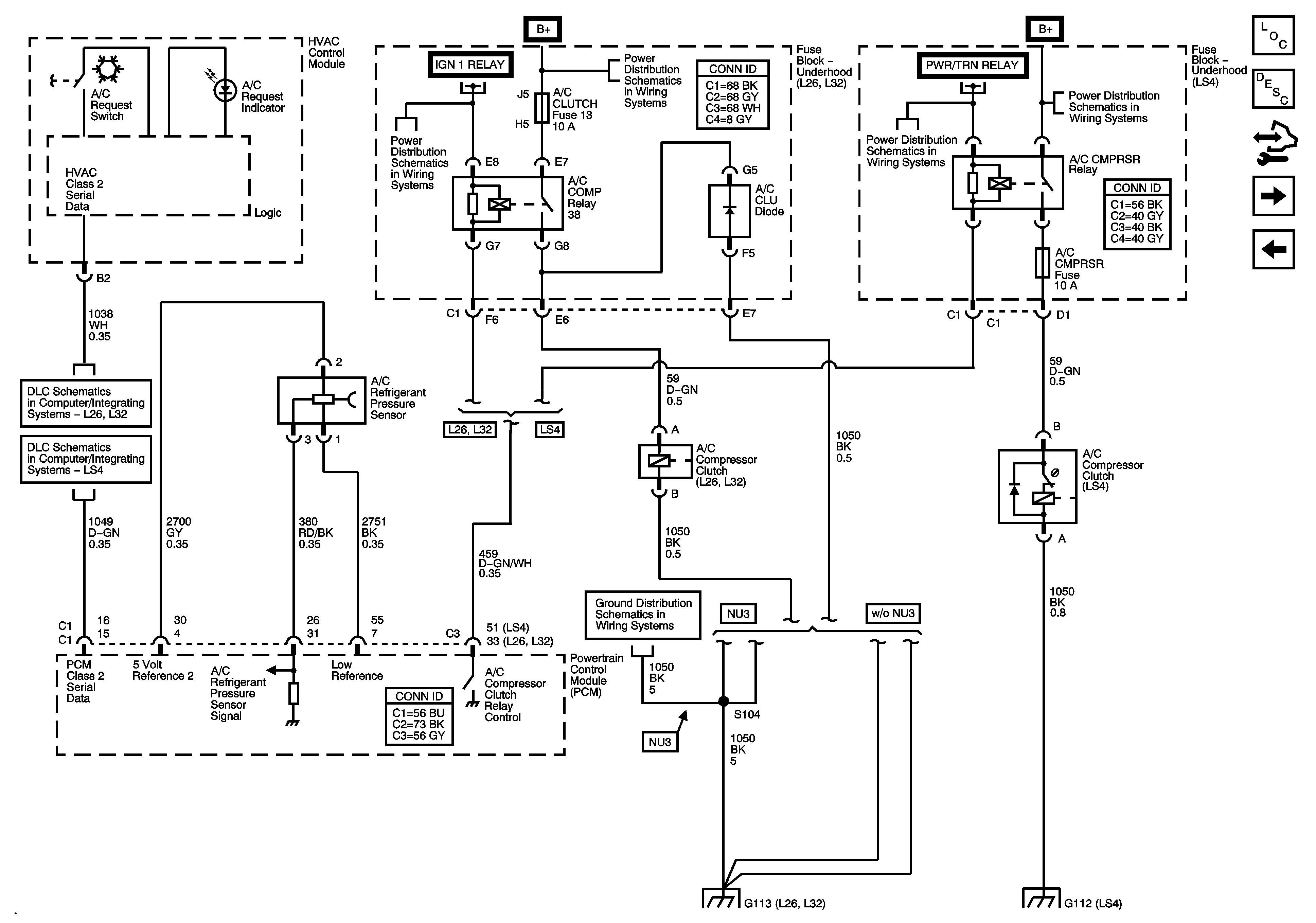
A/C Compressor Controls
BATT MAIN 1, PK LAMPS, DISPLAS, CHMSL/BKUP, INT LIGHT, RFA MOD, RADIO/AMP, ONSTAR/ALDL, HVAC, CANISTER Fuses AND PKLP RELAY
Fuse Block Underhood Bussing
Fuse Block Underhood Bussing
ABS, TRANS SOL, PCM, SIR, DISPLAY, CRUISE SW Fuses, and CRANK Relay
Fuse Block Underhood Bussing
Fuse Block - Underhood Bussing
L26/L32
LS4
Interior Lamp Switch, I/P and Driver Door Lighting
G202
G200
Figure 2:

A/C Compressor Controls


Object Number: 1653424  Size: FS
Master Electrical Component List
Air Delivery Description and Operation
Control Module References
Mode and Air Temperature Controls
Power, Ground, and Blower Motor Controls
Fuse Block Underhood Bussing
Fuse Block Underhood Bussing
Fuse Block - Underhood Bussing
Fuse Block - Underhood Bussing
Fuse Block - Underhood Bussing
L26/L32
LS4
G101, G112 (L26/L32), and G113 (L26/L32)
G101, G112 (L26/L32), and G113 (L26/L32)
G112 (LS4), AND G113 (LS4)
Figure 3:

Mode and Air Temperature Controls


Object Number: 1653427  Size: FS
Master Electrical Component List
Air Temperature Description and Operation
Control Module References
A/C Compressor Controls