GM Service Manual Online
For 1990-2009 cars only
Makes
🢒
Pontiac
🢒
2006
🢒
Grand Prix
🢒
Vehicle Control Systems
🢒
Vehicle DTC Information
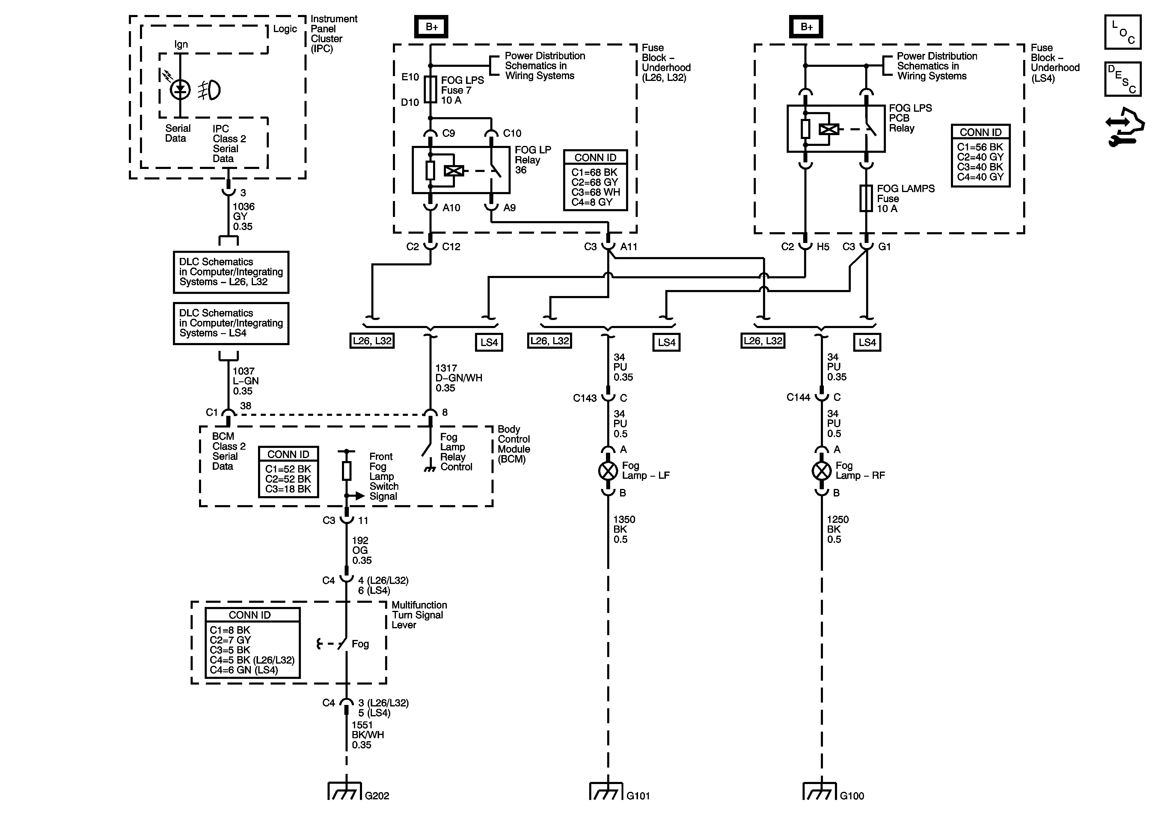
🢒 Fog Lights Schematics
Master Electrical Component List
Exterior Lighting Systems Description and Operation
Control Module References
Fuse Block Underhood Bussing
Fuse Block - Underhood Bussing
L26/L32
Fuse Block - Underhood Bussing
L26/L32
LS4
G202
G101, G112 (L26/L32), and G113 (L26/L32)
G100