GM Service Manual Online
For 1990-2009 cars only
Figure 1:

Turn Signal, Hazard, and Stop Lamps Inputs


Object Number: 1647653  Size: FS
Master Electrical Component List
Exterior Lighting Systems Description and Operation
Control Module References
Turn Signal, Hazard and Stop Lamp Outputs
BATT MAIN 2, HDT SEAT, PWR MIRS, TURN/HAZ, DR LK/TRUN, SUNROOF Fuses, PWR SEAT, PWR WDO Circuit Breakers, and RAP Relay
LS4
L26/L32
G202
Figure 2:

Turn Signal, Hazard, and Stop Lamps Outputs


Object Number: 1647656  Size: FS
Master Electrical Component List
Exterior Lighting Systems Description and Operation
Control Module References
Park Lamps
Turn Signal, Hazard, and Stop Lamps Inputs
G302
G302
G301
G101, G112 (L26/L32), and G113 (L26/L32)
G100
G302
G301
Figure 3:

Park Lamps


Object Number: 1647657  Size: FS
Master Electrical Component List
Exterior Lighting Systems Description and Operation
Control Module References
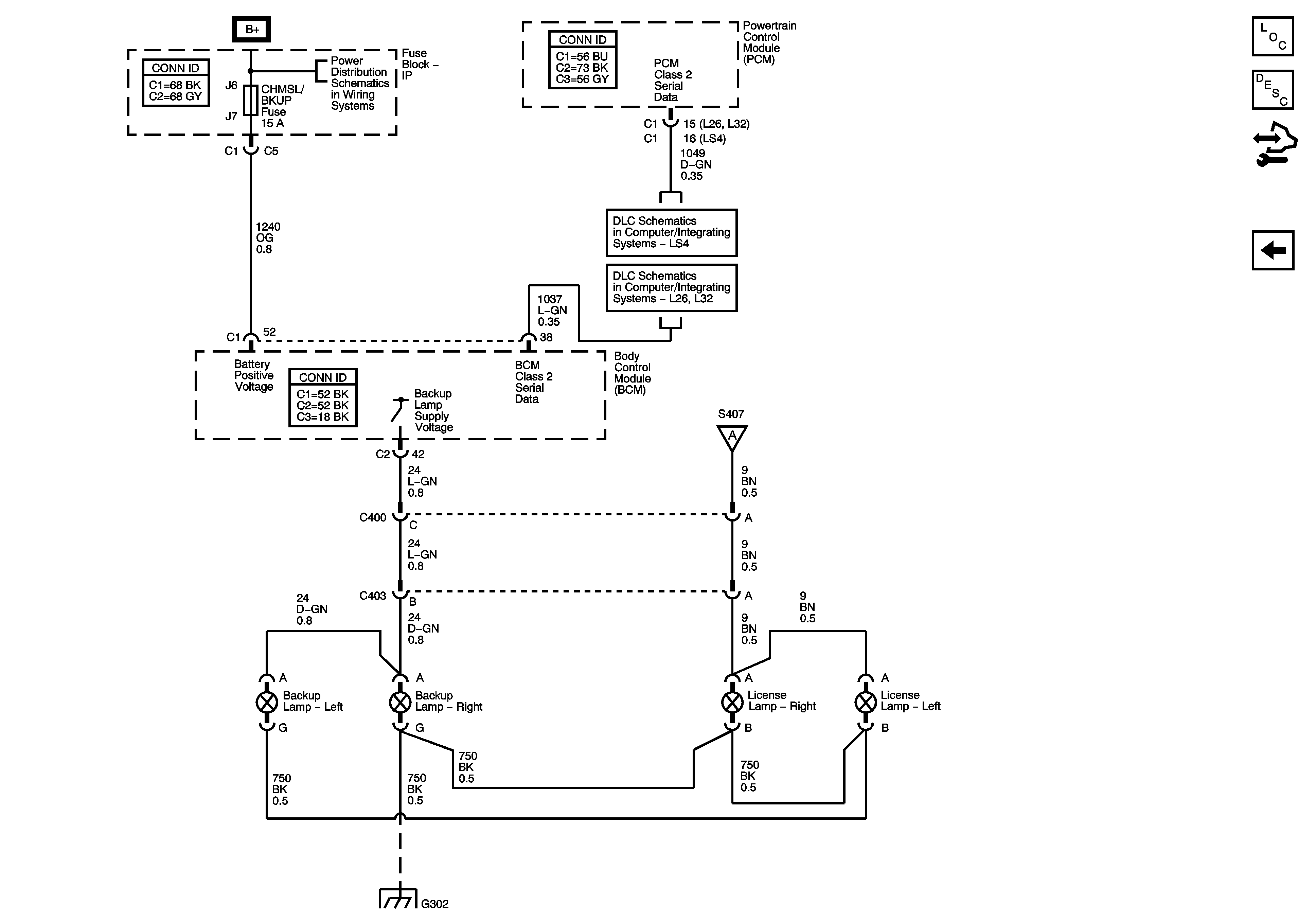
Backup and License Lamps
Turn Signal, Hazard and Stop Lamp Outputs
LS4
L26/L32
BATT MAIN 1, PK LAMPS, DISPLAS, CHMSL/BKUP, INT LIGHT, RFA MOD, RADIO/AMP, ONSTAR/ALDL, HVAC, CANISTER Fuses AND PKLP RELAY
Backup and License Lamps
G101, G112 (L26/L32), and G113 (L26/L32)
G100
G202
G101, G112 (L26/L32), and G113 (L26/L32)
G100
G301
G302
Figure 4:

Backup and License Lamps


Object Number: 1647658  Size: FS
Master Electrical Component List
Exterior Lighting Systems Description and Operation
Control Module References
Park Lamps
BATT MAIN 1, PK LAMPS, DISPLAS, CHMSL/BKUP, INT LIGHT, RFA MOD, RADIO/AMP, ONSTAR/ALDL, HVAC, CANISTER Fuses AND PKLP RELAY
LS4
L26/L32
Park Lamps
G302