GM Service Manual Online
For 1990-2009 cars only
Figure 1:

Power, Ground and Brake Pressure Modulator Valves


Object Number: 1647741  Size: FS
Master Electrical Component List
ABS Description and Operation
Control Module References
Indicator, ABS, Stability, and Traction Controls
Fuse Block Underhood Bussing
ABS, TRANS SOL, PCM, SIR, DISPLAY, CRUISE SW Fuses, and CRANK Relay
Fuse Block - Underhood Bussing
ABS, TRANS, ECM IGN, AIRBAG/DISPLAY, COMPASS, HVAC Fuses and STRTR Relay
Steering Controls Schematics
G102, G112 and G201
Figure 2:

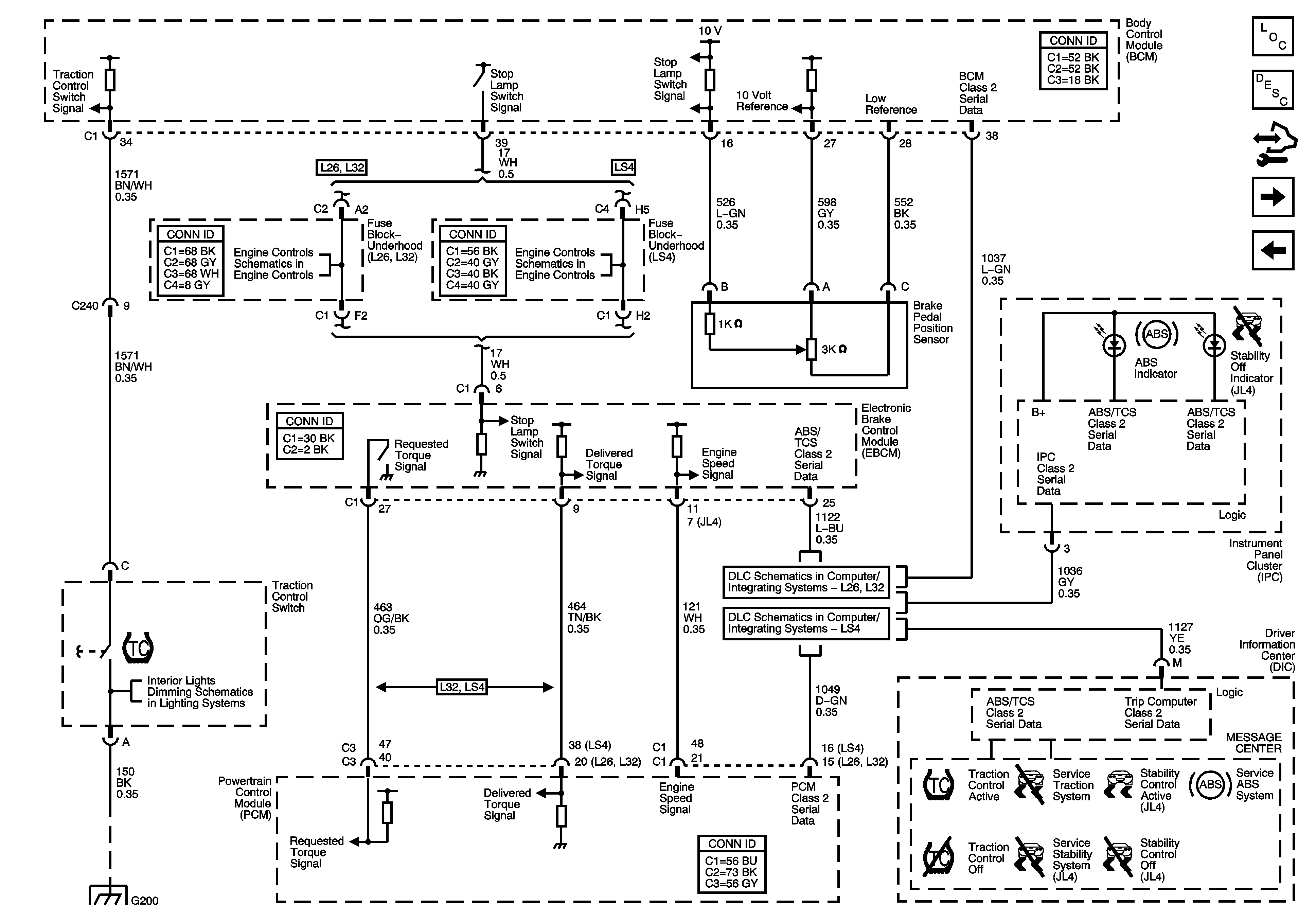
Indicators, ABS, Stability and Traction Controls


Object Number: 1647742  Size: FS
Master Electrical Component List
ABS Description and Operation
Control Module References
Stability Controls Sensors (JL4)
Power, Ground and Brake Pressure Modulator
Electronic Throttle Controls
MAF/IAT Sensor, Stop Lamp Switch Signal and VSS
L26/L32
LS4
Interior Lamp Switch, I/P and Driver Door Lighting
G200
Figure 3:

Stability Control Sensors - JL4


Object Number: 1647743  Size: FS
Master Electrical Component List
ABS Description and Operation
Control Module References
Wheel Speed Sensors
Indicator, ABS, Stability, and Traction Controls
Fuse Block Underhood Bussing
ABS, TRANS SOL, PCM, SIR, DISPLAY, CRUISE SW Fuses, and CRANK Relay
Fuse Block - Underhood Bussing
ABS, TRANS, ECM IGN, AIRBAG/DISPLAY, COMPASS, HVAC Fuses and STRTR Relay
Figure 4:

Wheel Speed Sensors


Object Number: 1647744  Size: FS
Master Electrical Component List
ABS Description and Operation
Control Module References
Stability Controls Sensors (JL4)
Antilock Brake System Schematic Icons