GM Service Manual Online
For 1990-2009 cars only
Makes
🢒
Pontiac
🢒
2005
🢒
Matiz
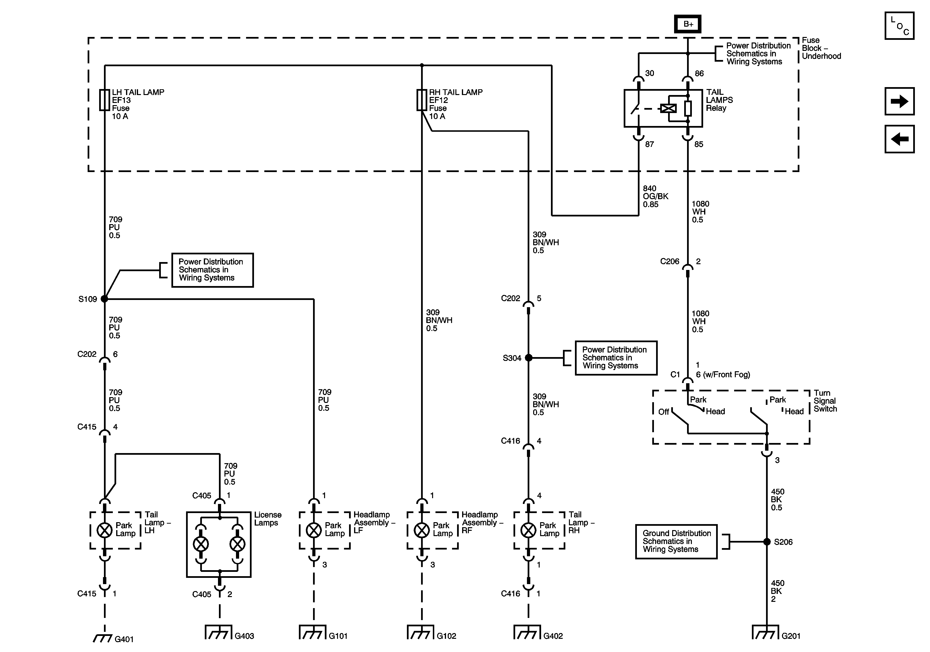
🢒 Park Lamps
Park Lamps
Park Lamps
Master Electrical Component List
Stop Lamps
Hazard and Turn Signal Lamps
Underhood Fuse Block - ABS - RH TAIL LAMP, LH TAIL LAMP and HORN Fuses
Underhood Fuse Block - ABS - RH TAIL LAMP, LH TAIL LAMP and HORN Fuses
G201 (1.0L)