GM Service Manual Online
For 1990-2009 cars only
Makes
🢒
Pontiac
🢒
2005
🢒
Matiz
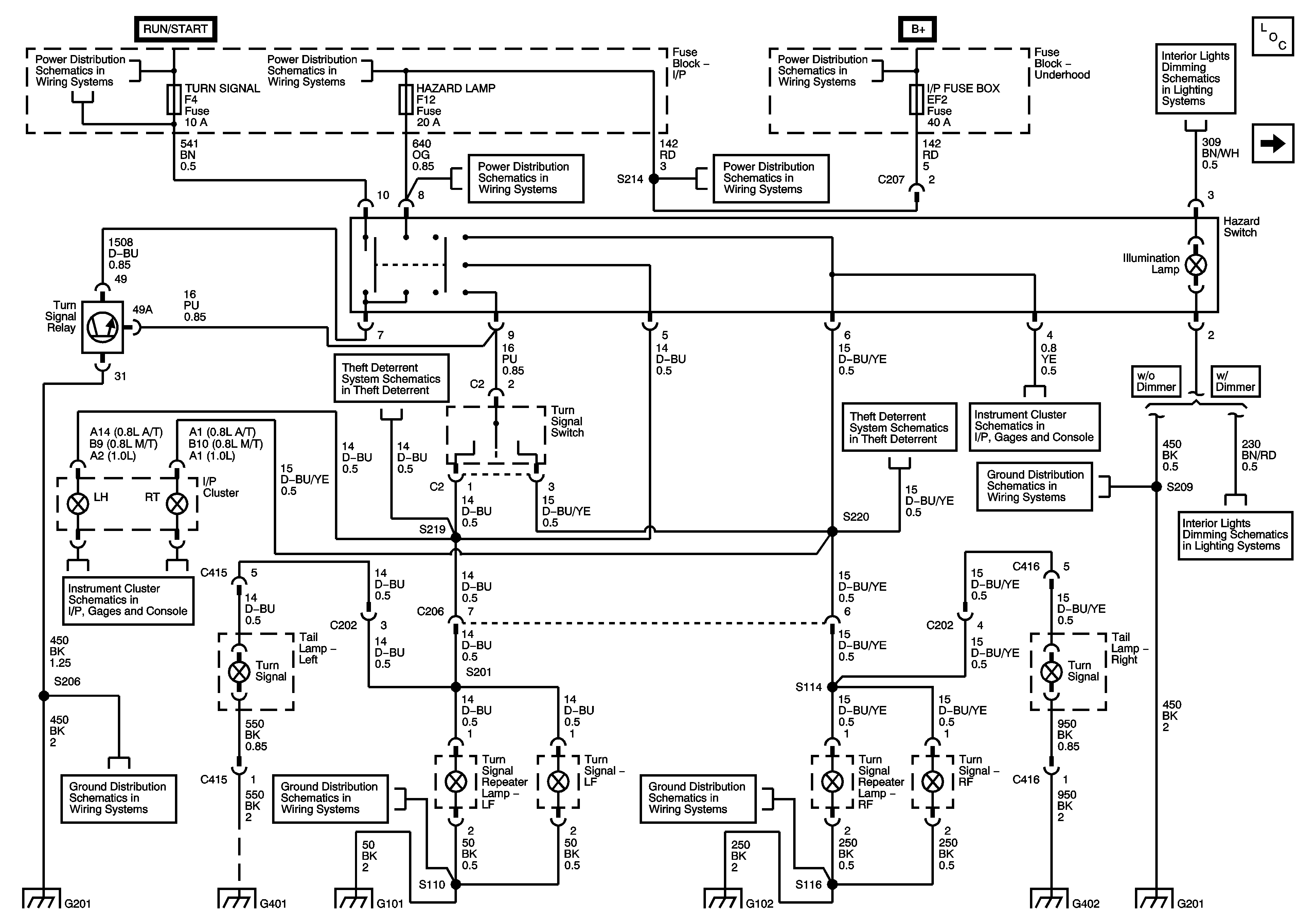
🢒 Hazard and Turn Signal Lamps
Hazard and Turn Signal Lamps
Hazard and Turn Signal Lamps
Master Electrical Component List
Park Lamps
Instrument Panel Fuse Block - ECM and TCM Fuses, Underhood Fuse Block - AUDIO, CIGAR LIGHTER, CLUSTER, AIRBAG, POWER WINDOW and TURN SIGNAL Fuses
Underhood Fuse Block (1.0L) - IP FUSEBOX Fuse, IGNITION SWITCH, IP FUSE Block (1.0L) - STOP LAMPS, ROOM LAMP, HAZARD LAMP, and CENTRAL DOOR LOCK Fuses
Underhood Fuse Block (1.0L) - IP FUSEBOX Fuse, IGNITION SWITCH, IP FUSE Block (1.0L) - STOP LAMPS, ROOM LAMP, HAZARD LAMP, and CENTRAL DOOR LOCK Fuses
Interior Lamps (w/ Dimming Controls)
Underhood Fuse Block (1.0L) - IP FUSEBOX Fuse, IGNITION SWITCH, IP FUSE Block (1.0L) - STOP LAMPS, ROOM LAMP, HAZARD LAMP, and CENTRAL DOOR LOCK Fuses
Underhood Fuse Block (1.0L) - IP FUSEBOX Fuse, IGNITION SWITCH, IP FUSE Block (1.0L) - STOP LAMPS, ROOM LAMP, HAZARD LAMP, and CENTRAL DOOR LOCK Fuses
Content Theft Deterrent (w/ Immbolizer)
Content Theft Deterrent (w/ Immbolizer)
Instrument Cluster Gages (0.8L Fenix - M/T)
G201 (1.0L)
Interior Lamps (w/ Dimming Controls)
Instrument Cluster Gages (0.8L Fenix - M/T)
G201 (1.0L)
G101
G102