GM Service Manual Online
For 1990-2009 cars only
Makes
🢒
Pontiac
🢒
2000
🢒
Montana
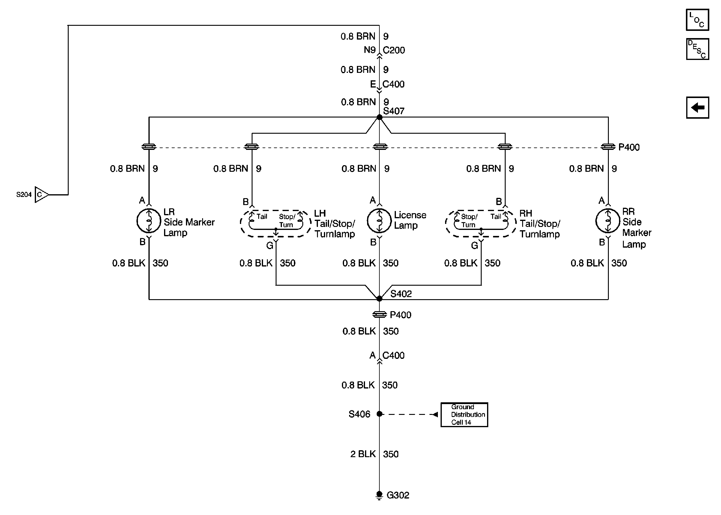
🢒 Cell 110: Side Marker Lamps, Tail/Stop/Turn Lamps, License Lamp
Cell 110: Side Marker Lamps, Tail/Stop/Turn Lamps, License Lamp
Cell 110: Side Marker Lamps, Tail/Stop/Turn Lamps, License Lamp
Exterior Lights Circuit Description
Cell 110: Park Turn Lamps
Cell 110: Park Turn Lamps
Cell 14: Left Rear Compartment Ground G302 (1 of 2)
Lighting Systems Components