GM Service Manual Online
For 1990-2009 cars only
Makes
🢒
Pontiac
🢒
2005
🢒
Montana
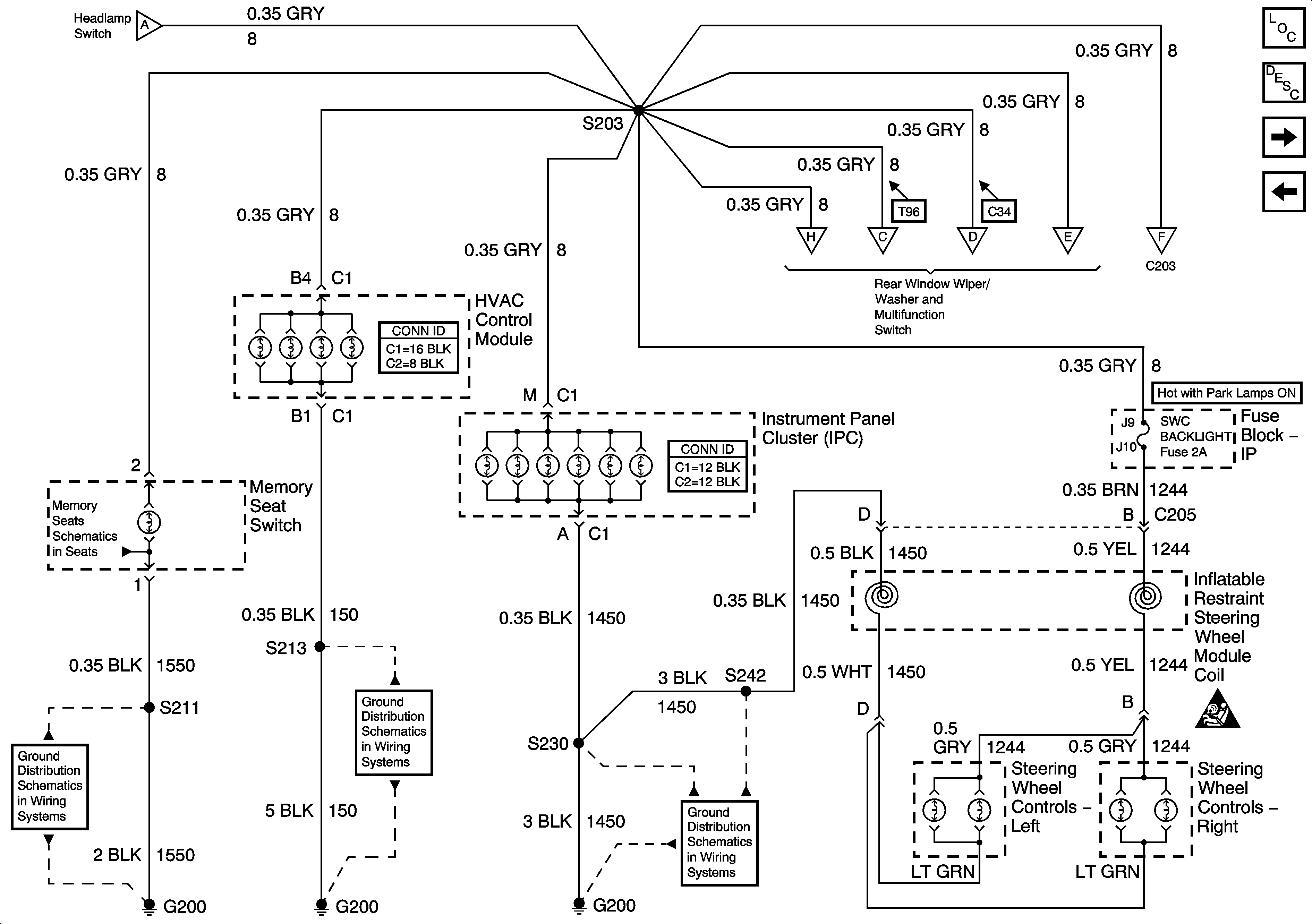
🢒 Heater-AC Control Switches and Instrument Panel Cluster (IPC)
Heater-AC Control Switches and Instrument Panel Cluster (IPC)
Heater-A/C Control Switches and Instrument Panel Cluster (IPC)
Master Electrical Component List
Interior Lighting Systems Description and Operation
Rear Window Wiper/Washer and Multifunction Switch, Window and Door Lock Switches
Headlamp and I/P Lamp Dimmer Switch
Headlamp and I/P Lamp Dimmer Switch
Rear Window Wiper/Washer and Multifunction Switch, Window and Door Lock Switches
Rear Window Wiper/Washer and Multifunction Switch, Window and Door Lock Switches
Rear Window Wiper/Washer and Multifunction Switch, Window and Door Lock Switches
Rear Window Wiper/Washer and Multifunction Switch, Window and Door Lock Switches
Rear Window Wiper/Washer and Multifunction Switch, Window and Door Lock Switches
G200, Page 3 of 3
Ground, Memory Seat Switch, and Memory Seat Module (MSM)
G200, Page 2 of 3
G200, Page 1 of 3
SIR Caution for Zoning