GM Service Manual Online
For 1990-2009 cars only
Makes
🢒
Pontiac
🢒
2004
🢒
Montana Ext.
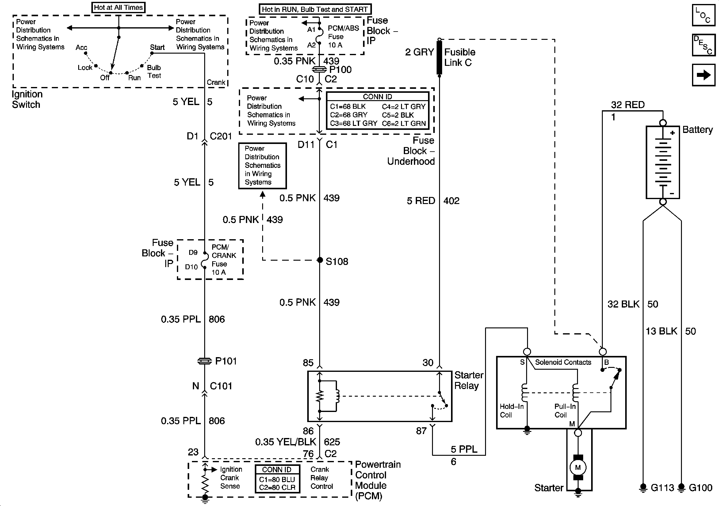
🢒 Engine Electrical Schematics - Starting
Engine Electrical Schematics - Starting
Starting
Master Electrical Component List
Starting System Description and Operation
Engine Electrical Schematics - Charging
IGN Main 1, PCM/ABS, CAN VENT SOL, DRL and PCM/CRANK Fuses
IGN Main 1, PCM/ABS, CAN VENT SOL, DRL and PCM/CRANK Fuses
IGN Main 1, PCM/ABS, CAN VENT SOL, DRL and PCM/CRANK Fuses
IGN Main 1, PCM/ABS, CAN VENT SOL, DRL and PCM/CRANK Fuses
IGN Main 1, PCM/ABS, CAN VENT SOL, DRL and PCM/CRANK Fuses