GM Service Manual Online
For 1990-2009 cars only
Makes
🢒
Pontiac
🢒
2004
🢒
Montana Ext.
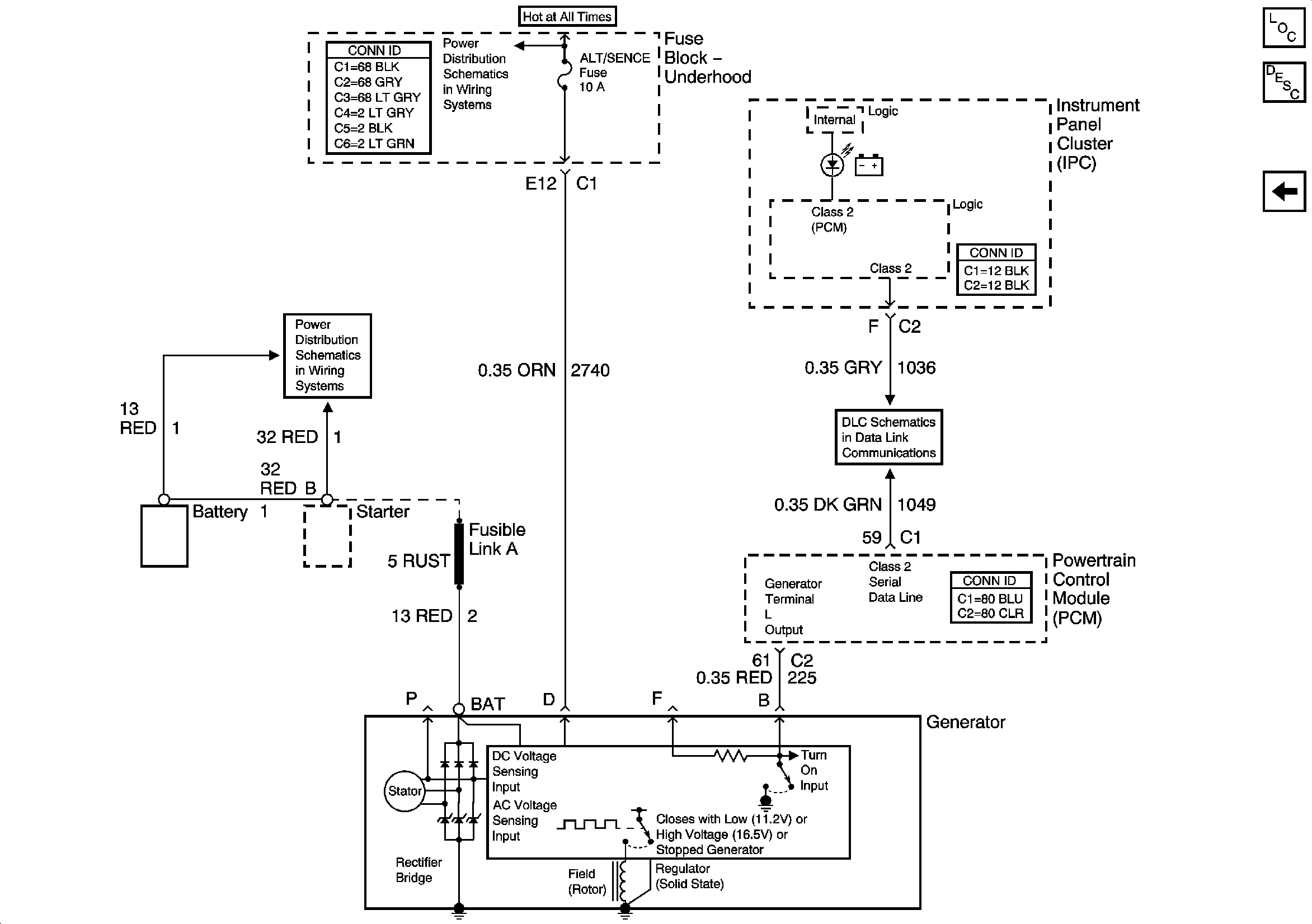
🢒 Engine Electrical Schematics - Charging
Engine Electrical Schematics - Charging
Charging
Master Electrical Component List
Charging System Description and Operation
Engine Electrical Schematics - Starting
RAP Relay, Fuse Block - Underhood, and Fuse Block - I/P Fuses
Fuse Block - Underhood and Fusable Links
Data Link Connector (DLC) Schematics