GM Service Manual Online
For 1990-2009 cars only
Makes
🢒
Pontiac
🢒
2004
🢒
Montana Ext.
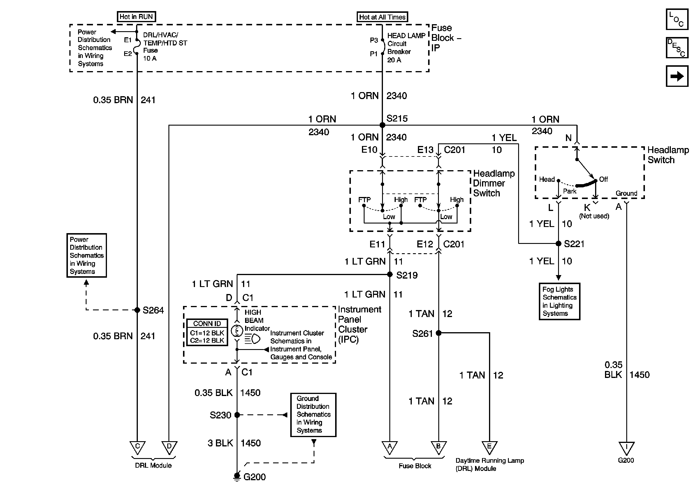
🢒 DRL Headlamp and Headlamp Dimmer Switch - Export
DRL Headlamp and Headlamp Dimmer Switch - Export
DRL/Headlamp and I/P Lamp Dimmer Switch - Export
Master Electrical Component List
Exterior Lighting Systems Description and Operation
Daytime Running Lamp Control Module
DRL/HVAC/TEMP/HTD ST, HVAC BLOWER and RR HVAC/TEMP CONT Fuses
DRL/HVAC/TEMP/HTD ST, HVAC BLOWER and RR HVAC/TEMP CONT Fuses
Class 2 Telltales
G200, Page 1 of 3
Rear Fog Lights, Page 1 of 2
Daytime Running Lamp Control Module
Daytime Running Lamp Control Module
Headlights
Headlights
Daytime Running Lamp Control Module
Daytime Running Lamp Control Module