GM Service Manual Online
For 1990-2009 cars only
Makes
🢒
Pontiac
🢒
2004
🢒
Montana Ext.
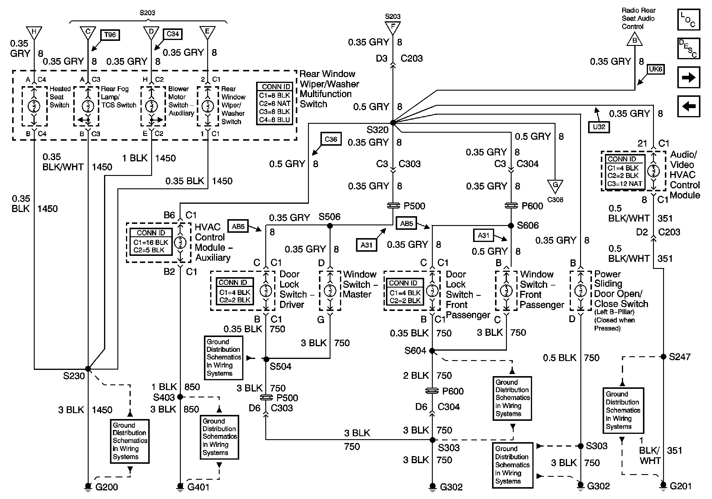
🢒 Rear Window Wiper/Washer and Multifunction Switch, Window and Door Lock Switches
Rear Window Wiper/Washer and Multifunction Switch, Window and Door Lock Switches
Rear Window Wiper/Washer and Multifunction Switch, Window and Door Lock Switches
Master Electrical Component List
Interior Lighting Systems Description and Operation
Interior Lamp and Multifunction Switch, Driver Information Center (DIC) and Rel
Heater-AC Control Switches and Instrument Panel Cluster (IPC)
Heater-AC Control Switches and Instrument Panel Cluster (IPC)
Heater-AC Control Switches and Instrument Panel Cluster (IPC)
Heater-AC Control Switches and Instrument Panel Cluster (IPC)
Heater-AC Control Switches and Instrument Panel Cluster (IPC)
Heater-AC Control Switches and Instrument Panel Cluster (IPC)
Headlamp and I/P Lamp Dimmer Switch
Interior Lamp and Multifunction Switch, Driver Information Center (DIC) and Rel
G200, Page 1 of 3
G302, Page 2 of 3
G402
G302, Page 2 of 3
G302, Page 2 of 3
G201