GM Service Manual Online
For 1990-2009 cars only
Makes
🢒
Pontiac
🢒
2002
🢒
Montana - 4WD
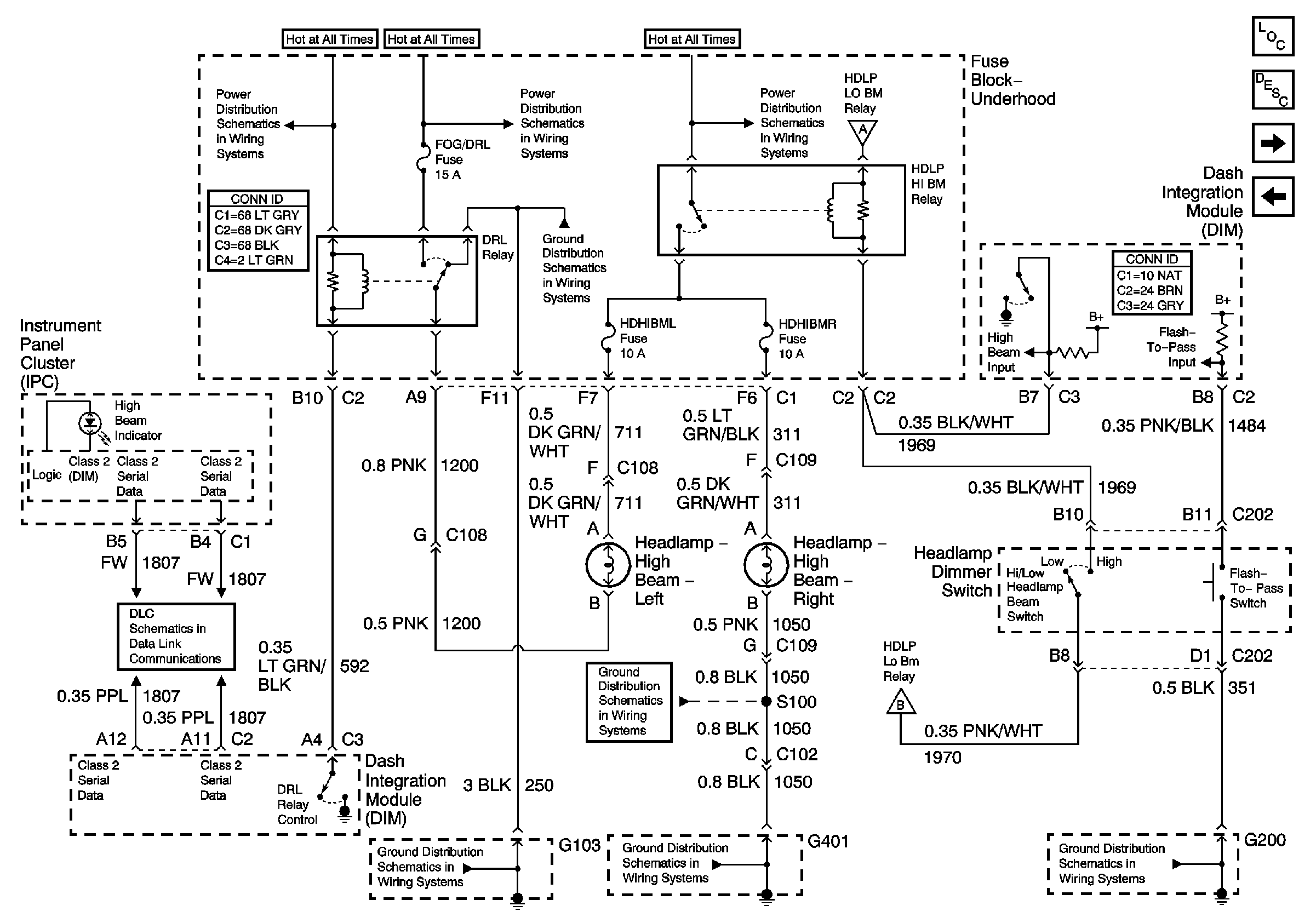
🢒 DRL Controls and High Beam Headlamps
DRL Controls and High Beam Headlamps
DRL Controls and High Beam Headlamps
Master Electrical Component List
Fog Lamp and Headlamp Fuses and Relays ( Fuse Block - Underhood)
Fog Lamp and Headlamp Fuses and Relays ( Fuse Block - Underhood)
G103
Fog Lamp and Headlamp Fuses and Relays ( Fuse Block - Underhood)
Low Beam Headlamps
Low Beam Headlamps
Headlamp, Foglamp, and Ambient Light Sensor Inputs (w/CJ2)
Class 2 Serial Data
G103
G401 (2 of 2)
G401 (2 of 2)
Low Beam Headlamps
G200