GM Service Manual Online
For 1990-2009 cars only
Makes
🢒
Pontiac
🢒
2002
🢒
Montana - 4WD
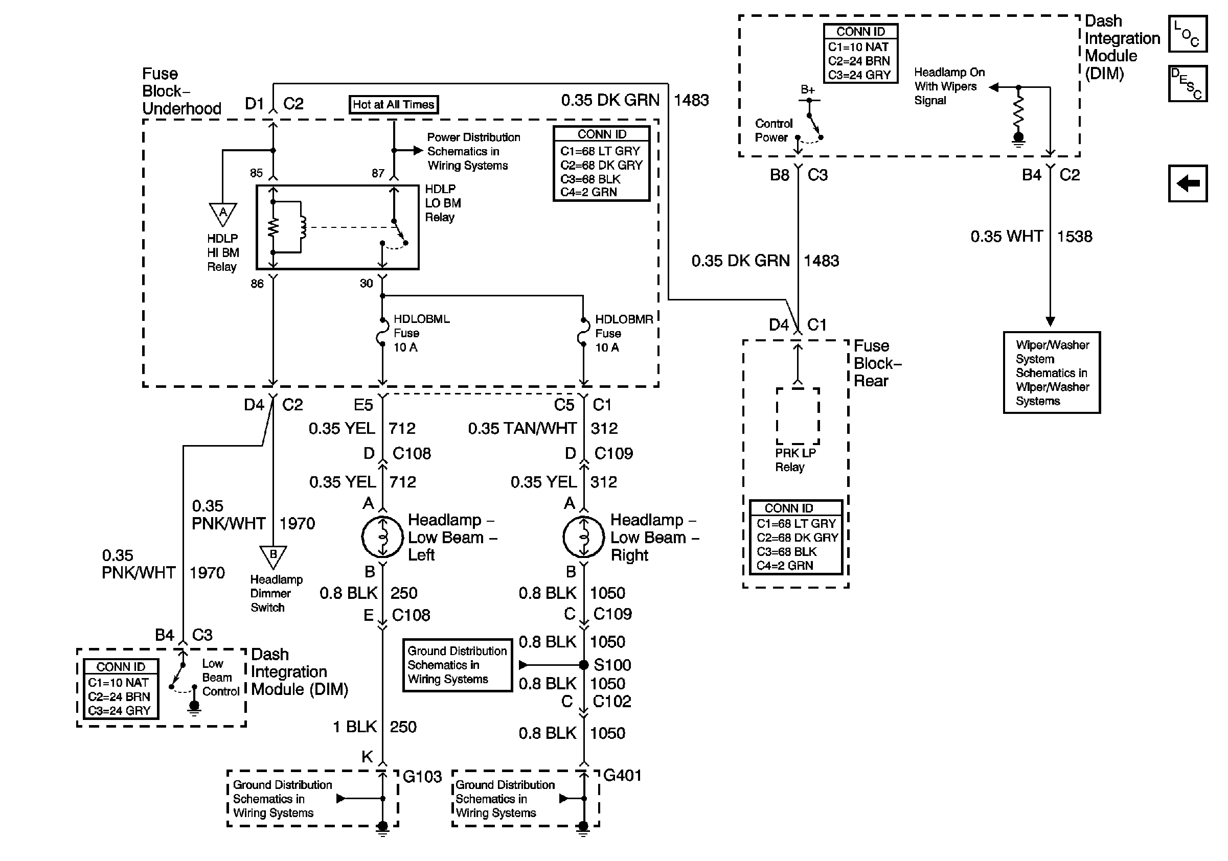
🢒 Low Beam Headlamps
Low Beam Headlamps
Low Beam Headlamps
Master Electrical Component List
DRL Controls and High Beam Headlamps
Fog Lamp and Headlamp Fuses and Relays ( Fuse Block - Underhood)
DRL Controls and High Beam Headlamps
DRL Controls and High Beam Headlamps
G103
G401 (2 of 2)
G401 (2 of 2)
Power and Switch Controls