GM Service Manual Online
For 1990-2009 cars only
Makes
🢒
Pontiac
🢒
2006
🢒
Pursuit
🢒
Vehicle Control Systems
🢒
Vehicle DTC Information
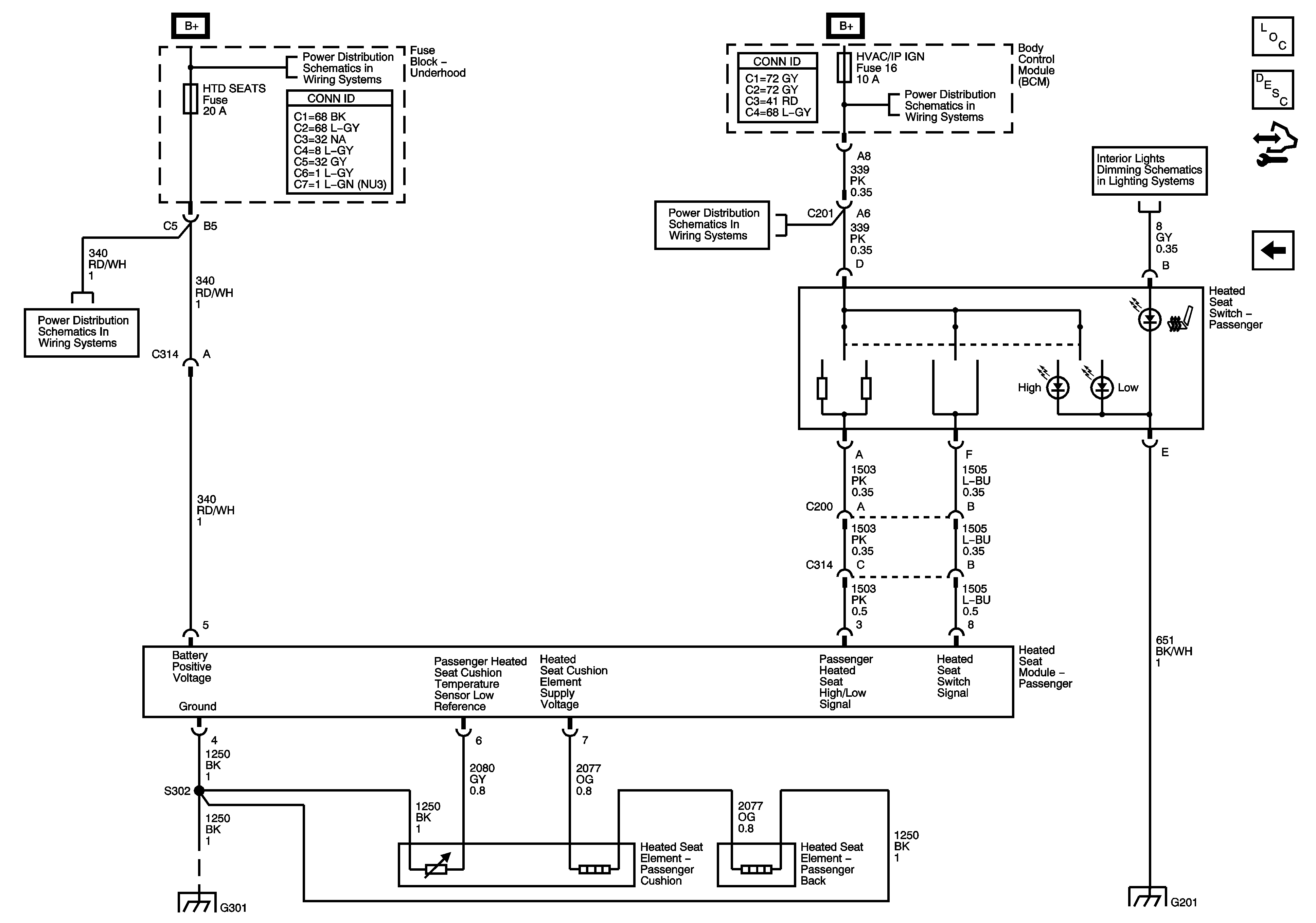
🢒 Passenger Seat Schematics
Heated Seat
Master Electrical Component List
Heated Seats Description and Operation
Control Module References
Heated Seat - Driver
RUN/CRANK Relay, I/P IGN, BACKUP, ABS, ECM, TRANS, LIGHTING, S-BAND, MIRROR, ABS, EPS, BCM2, BCM3, HEATED SEATS Fuses
Heated Seat - Driver
IPC, HVAC Control Module, Heated Seats
G301 (1 of 2)
G201