GM Service Manual Online
For 1990-2009 cars only
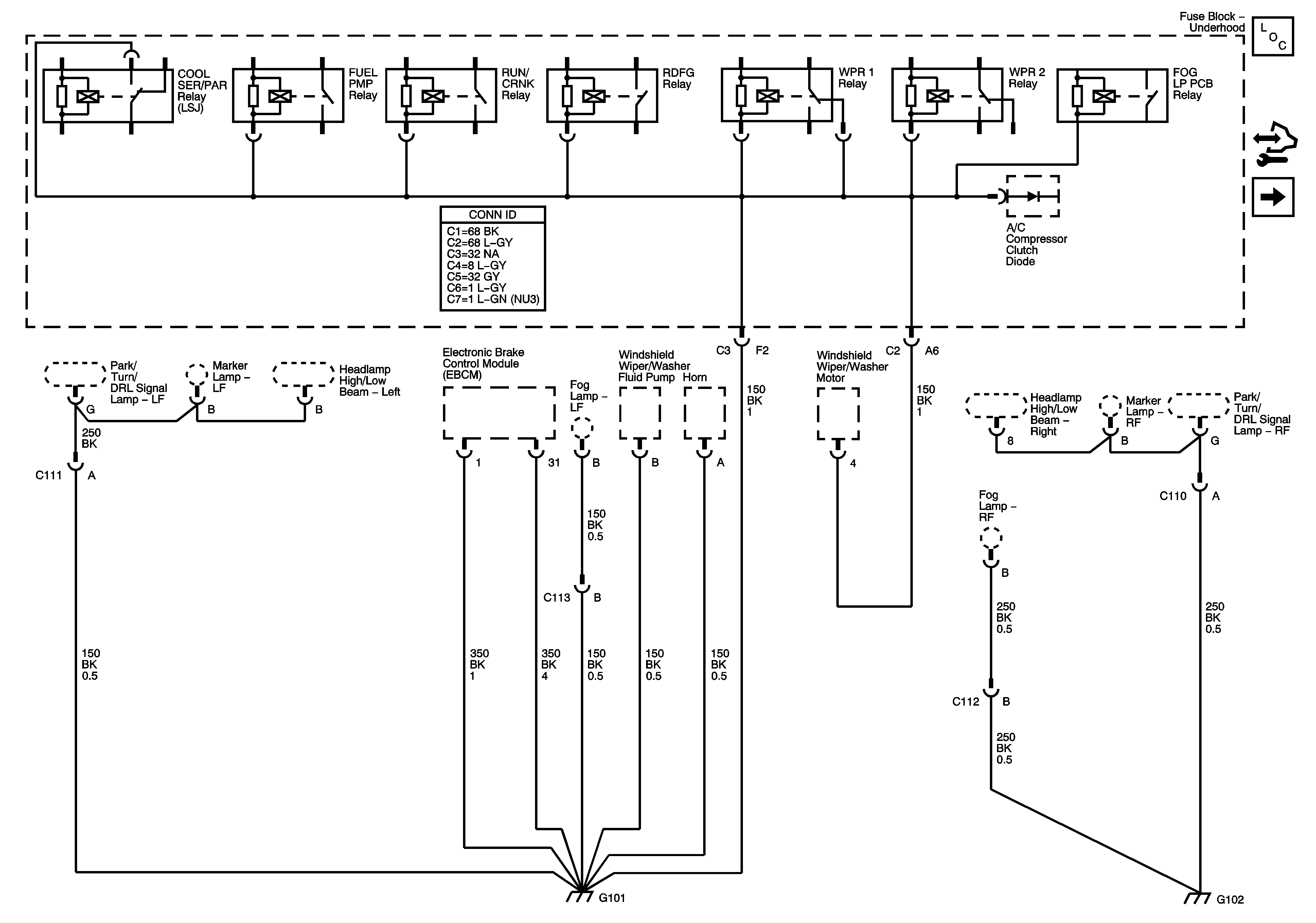
Figure 1:

G101, G102


Object Number: 1582419  Size: FS
Master Electrical Component List
Control Module References
G103, G105
Figure 2:

G103,G105,G107


Object Number: 1582420  Size: FS
Master Electrical Component List
Control Module References
G201
G101, G102
Figure 3:

G201


Object Number: 1582421  Size: FS
Master Electrical Component List
Control Module References
G109, G203, G306
G101, G102
Power and Grounding Schematic Icons
Figure 4:

G201 2 of 2


Object Number: 1709074  Size: FS
Figure 5:

G301 (1 of 2)


Object Number: 1582423  Size: FS
Master Electrical Component List
Control Module References
G301 (2 of 2)
G109, G203, G306
G301 (2 of 2)
Figure 6:

G301 (2 of 2)


Object Number: 1582424  Size: FS
Master Electrical Component List
Control Module References
G401 (2 of 2)
G301 (1 of 2)
G301 (1 of 2)
Figure 7:

G401


Object Number: 1582426  Size: FS
Master Electrical Component List
Control Module References
G402, G403
G301 (1 of 2)
Figure 8:

G402, G403


Object Number: 1582427  Size: FS
Master Electrical Component List
Control Module References
G401 (2 of 2)