GM Service Manual Online
For 1990-2009 cars only
Makes
🢒
Pontiac
🢒
2006
🢒
Pursuit
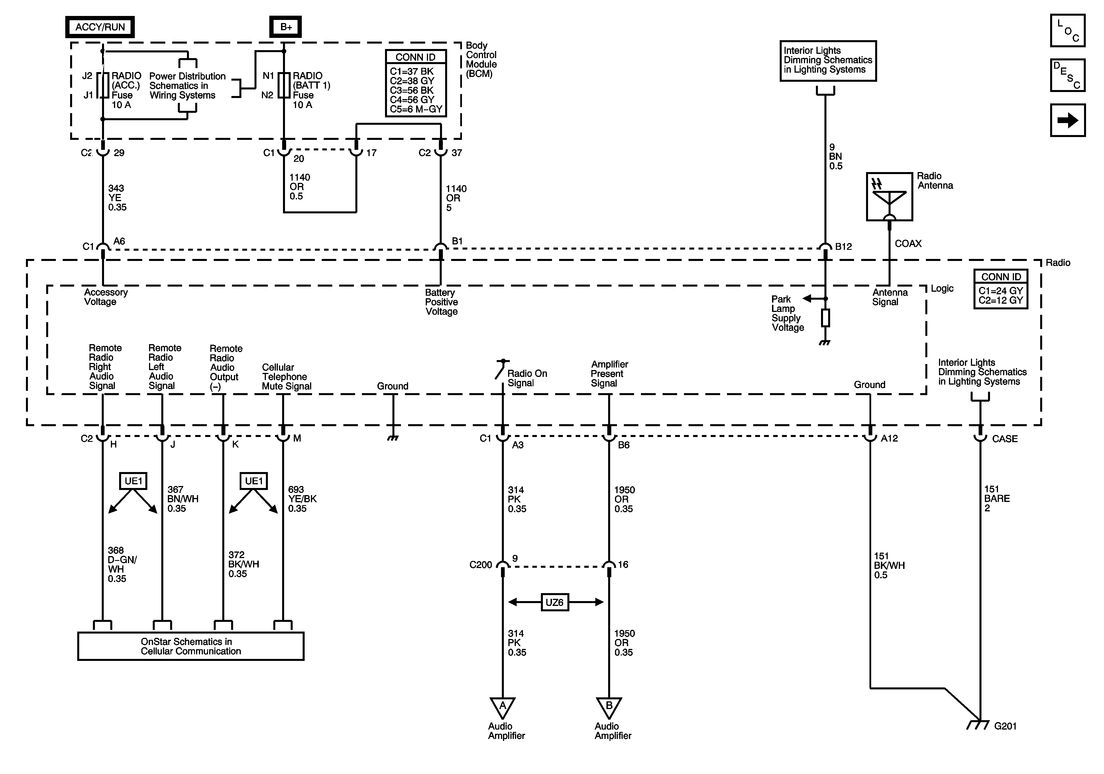
🢒 03 A Car Radio/Audio System-Ground,Power,Signals,references to Cellular Communication and Lighting
03 A Car Radio/Audio System-Ground,Power,Signals,references to Cellular Communication and Lighting
Ground, Power, Signals, and References to Cellular Communication and Lighting
Master Electrical Component List
Radio/Audio System Description and Operation
03 A Car Radio/Audio System-Speakers (U79 OR UX7)
Fuse Block-Underhood Fuses: IP BATT1 and IP BATT1A, BCM Fuses: BCM PWR, DASH, LIGHTER, ONSTAR, PARK, PWR OUTLET, PWR WINDOWS, RADIO (ACC.), RADIO (BATT1), SUN ROOF, and WIPER SW
Interior Lights Dimming Schematics
Interior Lights Dimming Schematics
OnStar Schematics
03 A Car Radio/Audio System-Radio to Amplifier to Speakers (UZ6)
03 A Car Radio/Audio System-Radio to Amplifier to Speakers (UZ6)
G201