GM Service Manual Online
For 1990-2009 cars only
Makes
🢒
Pontiac
🢒
2006
🢒
Pursuit
🢒 Charging
Charging
Charging
Master Electrical Component List
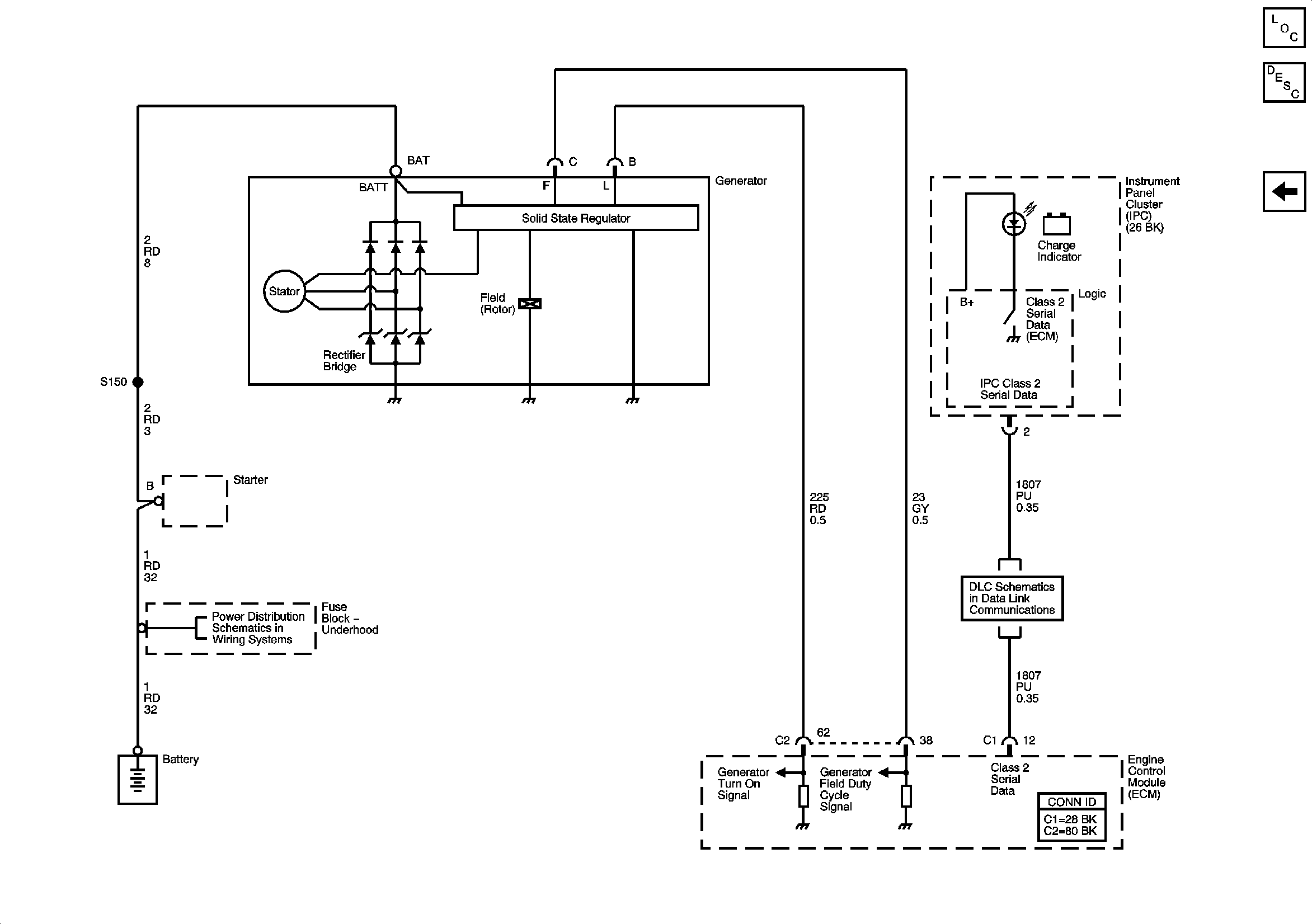
Charging System Description and Operation
Starting
03 GMX357 Fuse Block-Underhood Bus
Data Link Connector (DLC) Schematics