GM Service Manual Online
For 1990-2009 cars only
Makes
🢒
Pontiac
🢒
2006
🢒
Pursuit
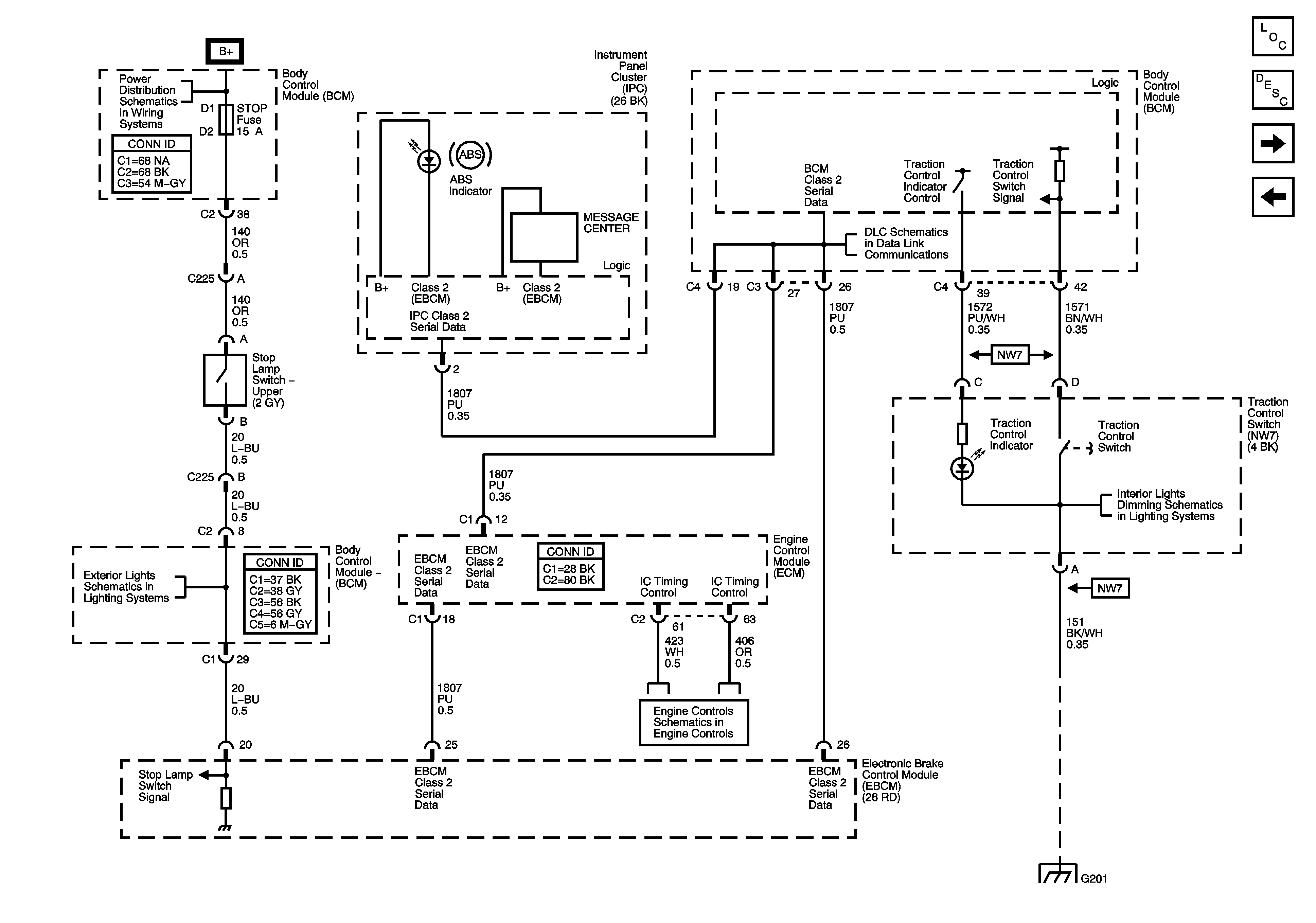
🢒 Traction Control, DLC, and Indicators
Traction Control, DLC, and Indicators
Traction Control, DLC, and Indicators
Master Electrical Component List
ABS Description and Operation
Wheel Speed Sensors
Power, Ground, and BPMV Controls
Fuse Block-Underhood Fuses: IP BATT2 and RUN (IGN3), BCM Fuses: BCM ELECT, CLUSTER, FUELPUMP, HVAC, IGN. SW, and STOP
Data Link Connector (DLC) Schematics
Interior Lights Dimming Schematics
Stop Lamps
Ignition Controls
G201